LEMON Manuals: Even more car manuals for everyone
Home >> Lexus >> 2012 >> IS 250 Base, AWD >> Repair and Diagnosis (Single Page) >> Electrical >> Starter >> Smart Access System (Keyless Start) (Diagnostic Codes & Symptom Tests) >> Smart Access System With Push-Button Start >> Symptom Tests >> Engine does not Start >> Description

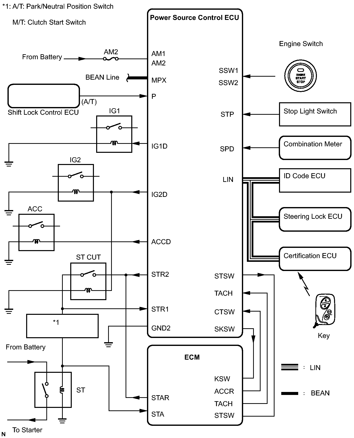
Engine does not Start: Description

  1. ENGINE START SYSTEM OPERATION 
    1. A/T Models: If the engine switch is pressed with the shift lever in P or N and the brake pedal depressed, the power source control ECU determines that it is an engine start request.
    2. M/T Models: If the engine switch is pressed with the clutch pedal depressed, the power source control ECU determines that it is an engine start request.
    3. The certification ECU and other ECUs perform key verification via the LIN communication line.
    4. The power source control ECU activates the ACC relay.
    5. The power source control ECU activates the IG1 and IG2 relays. The engine switch indicator light turns green.
    6. The certification ECU outputs a steering UNLOCK signal. The signal is sent to the steering lock ECU via the power source control ECU.
    7. The power source control ECU sends an engine start request signal to the ECM.
    8. The ECM sends an ACC cut request signal to the power source control ECU.
    9. The ECM and power source control ECU activate the ST relay.
    10. The power source control ECU deactivates the ACC relay until the ECU detects an engine start.
    11. When engine revolution speed reaches 200 rpm, the power source control ECU determines that the engine has been started.

      The ECU reactivates the ACC relay and turns off the engine switch indicator light.

      Symbols of power source control ECU Signals
      STP Stop light switch ON signal
      SSW1/SSW2 Engine switch ON signal
      ACCD ACC relay operation signal
      IG2D IG2 relay operation signal
      STR2 ST relay operation signal
      STR1 Park/neutral position switch signal (A/T), Clutch start switch (M/T)
      TACH Engine start detection signal
      STSW Starter activation request signal
      CTSW ACC cut request signal
    Fig 1: Identifying Engine Start System Schematic
    GTY128786Courtesy of © TOYOTA, LICENSE AGREEMENT TMS1002