LEMON Manuals: Even more car manuals for everyone
Home >> Lexus >> 2012 >> IS 250 Base, AWD >> Repair and Diagnosis (Single Page) >> Electrical >> Body Electrical >> OEM System Circuits >> Headlight >> Notes

OEM System Circuits: Headlight: Notes

Fig 1: Headlight - Wiring Diagram (1 Of 7)
G08935433Courtesy of © TOYOTA, LICENSE AGREEMENT TMS1002
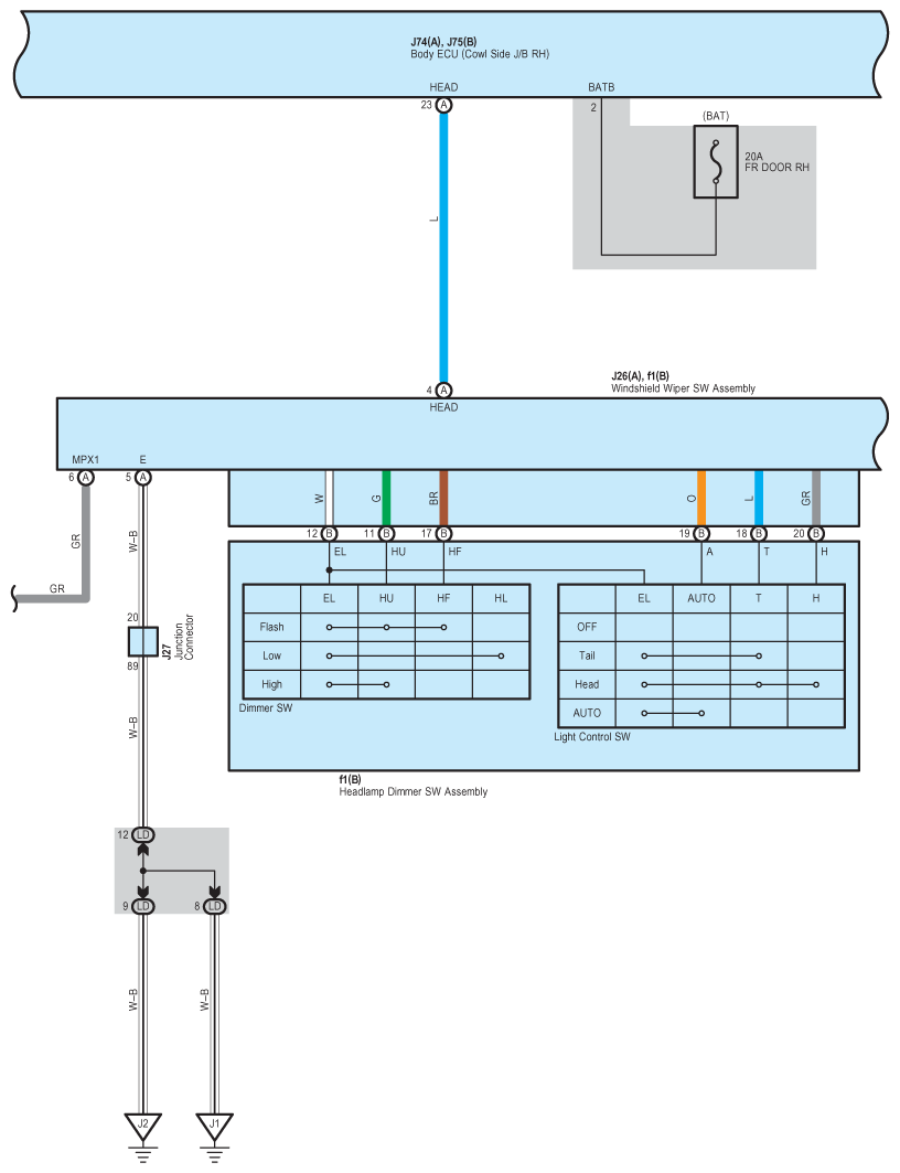
Fig 2: Headlight - Wiring Diagram (2 Of 7)
G08935434Courtesy of © TOYOTA, LICENSE AGREEMENT TMS1002
Fig 3: Headlight - Wiring Diagram (3 Of 7)
G08935435Courtesy of © TOYOTA, LICENSE AGREEMENT TMS1002
Fig 4: Headlight - Wiring Diagram (4 Of 7)
G08935436Courtesy of © TOYOTA, LICENSE AGREEMENT TMS1002
Fig 5: Headlight - Wiring Diagram (5 Of 7)
G08935437Courtesy of © TOYOTA, LICENSE AGREEMENT TMS1002
Fig 6: Headlight - Wiring Diagram (6 Of 7)
G08935438Courtesy of © TOYOTA, LICENSE AGREEMENT TMS1002
Fig 7: Headlight - Wiring Diagram (7 Of 7)
G08935439Courtesy of © TOYOTA, LICENSE AGREEMENT TMS1002