LEMON Manuals: Even more car manuals for everyone
Home >> Lexus >> 2012 >> IS 250 Base, AWD >> Repair and Diagnosis (Single Page) >> Accessories & Equipment >> Entertainment Systems >> Audio Entertainment System (W/ Navigation) (Diagnostics - Introduction) >> AUDIO AND VISUAL SYSTEM (w/ Navigation System) >> System Diagram >> System Diagram

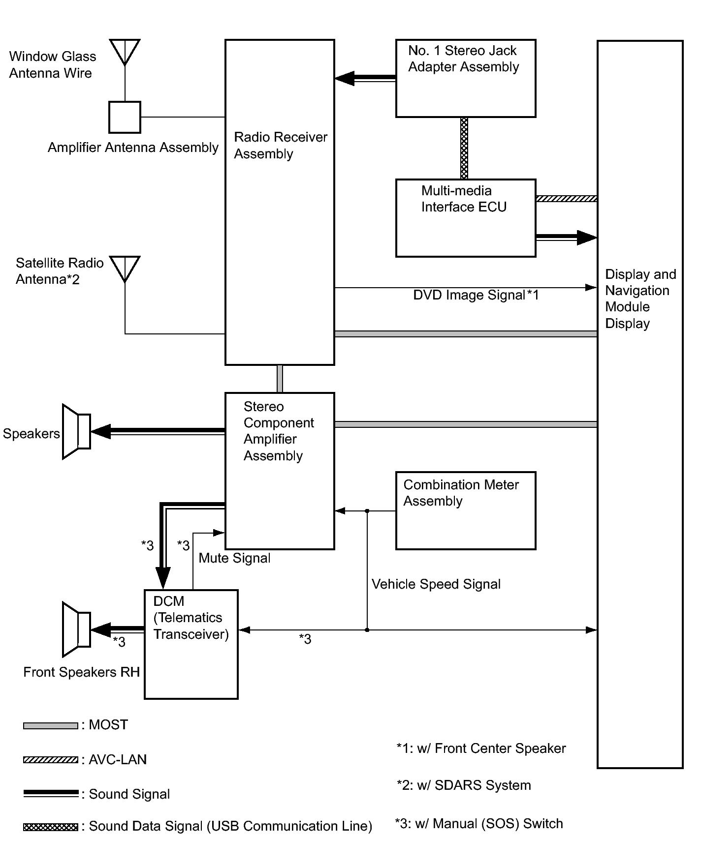
System Diagram

Fig 1: Audio And Visual System Diagram
GTY266076Courtesy of © TOYOTA, LICENSE AGREEMENT TMS1002