LEMON Manuals: Even more car manuals for everyone
Home >> Lexus >> 2012 >> HS 250h >> Repair and Diagnosis >> Engine Performance >> Testing & Diagnosis >> Engine Control System (Diagnostics - Introduction) >> SFI System >> System Diagram >> System Diagram

System Diagram

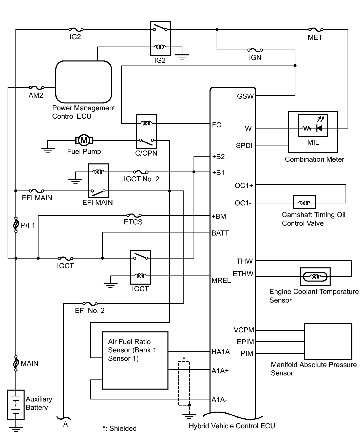
Fig 1: Identifying SFI System Wiring Diagram (1 Of 3)
GTY395078Courtesy of © TOYOTA, LICENSE AGREEMENT TMS1002
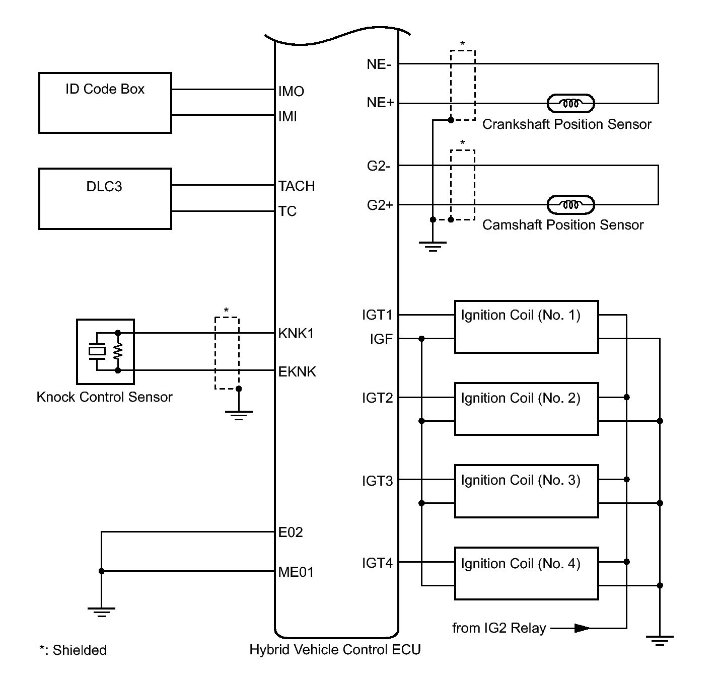
Fig 2: Identifying SFI System Wiring Diagram (2 Of 3)
GTY393826Courtesy of © TOYOTA, LICENSE AGREEMENT TMS1002
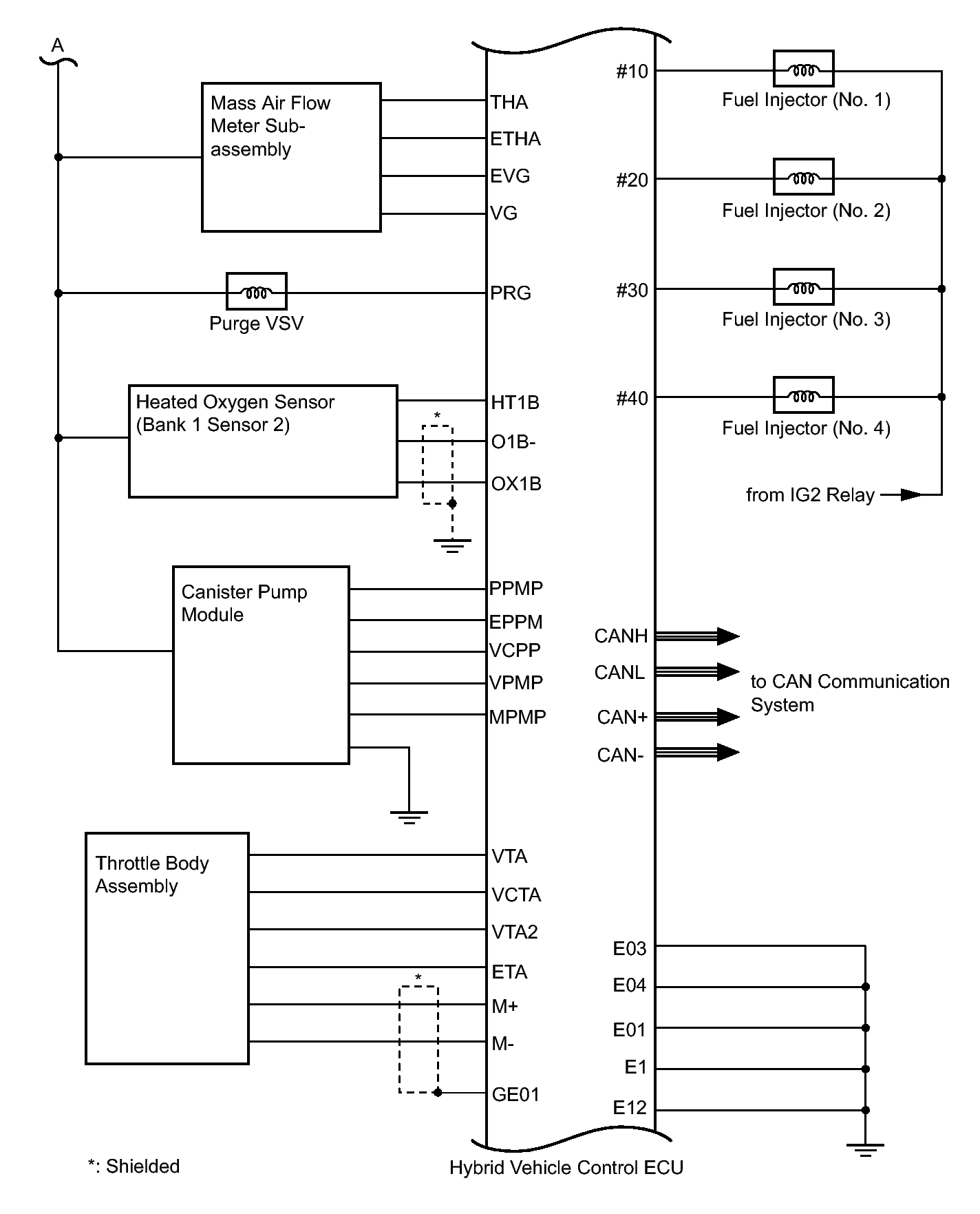
Fig 3: Identifying SFI System Wiring Diagram (3 Of 3)
GTY393358Courtesy of © TOYOTA, LICENSE AGREEMENT TMS1002