LEMON Manuals: Even more car manuals for everyone
Home >> Lexus >> 2012 >> HS 250h >> Repair and Diagnosis (Single Page) >> Electrical >> Starter >> Smart Access System (For Start Function) (Diagnostic Codes & Symptom Tests) >> SMART ACCESS SYSTEM WITH PUSH-BUTTON START (For Start Function) >> Symptom Tests >> Power Source Mode does not Change to ON (IG and ACC) >> Wiring Diagram

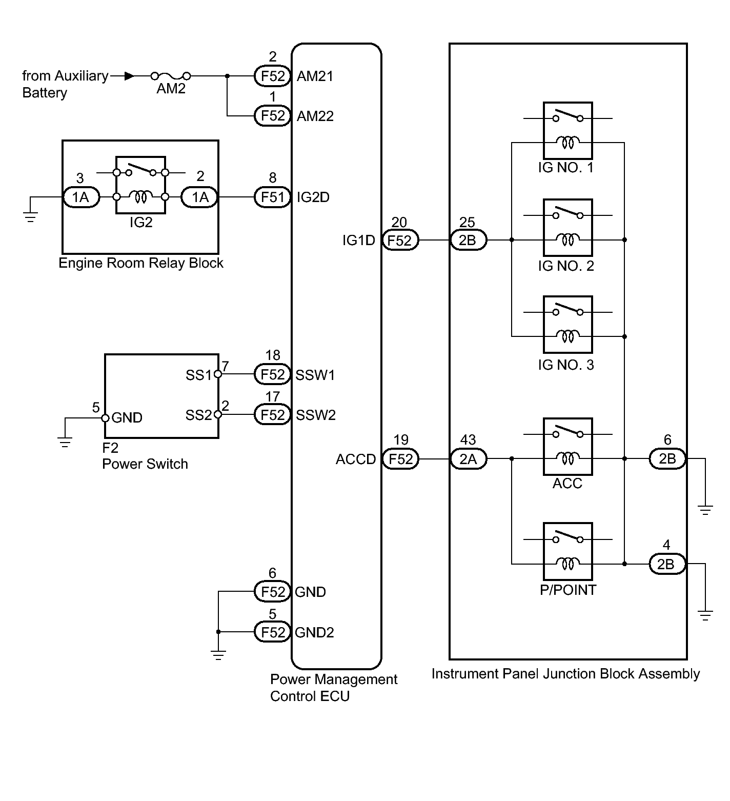
Power Source Mode does not Change to ON (IG and ACC): Wiring Diagram

Fig 1: Identifying Power Source Mode Wiring Diagram
GTY395075Courtesy of © TOYOTA, LICENSE AGREEMENT TMS1002