LEMON Manuals: Even more car manuals for everyone
Home >> Lexus >> 2012 >> HS 250h >> Repair and Diagnosis (Single Page) >> Electrical >> Motors, Switches, Relays >> OEM System Circuits >> Audio System (w/o LEXUS Navigation System) and Safety Connect >> Notes

Audio System (w/o LEXUS Navigation System) and Safety Connect: Notes

Fig 1: Audio System (W/O Lexus Navigation System) And Safety Connect - Wiring Diagram (1 Of 12)
G08911633Courtesy of © TOYOTA, LICENSE AGREEMENT TMS1002
Fig 2: Audio System (W/O Lexus Navigation System) And Safety Connect - Wiring Diagram (2 Of 12)
G08911634Courtesy of © TOYOTA, LICENSE AGREEMENT TMS1002
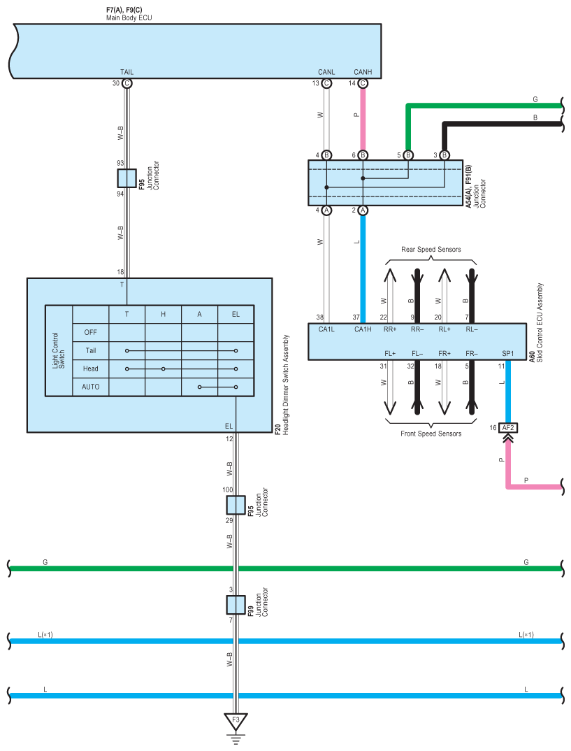
Fig 3: Audio System (W/O Lexus Navigation System) And Safety Connect - Wiring Diagram (3 Of 12)
G08911635Courtesy of © TOYOTA, LICENSE AGREEMENT TMS1002
Fig 4: Audio System (W/O Lexus Navigation System) And Safety Connect - Wiring Diagram (4 Of 12)
G08911636Courtesy of © TOYOTA, LICENSE AGREEMENT TMS1002
Fig 5: Audio System (W/O Lexus Navigation System) And Safety Connect - Wiring Diagram (5 Of 12)
G08911637Courtesy of © TOYOTA, LICENSE AGREEMENT TMS1002
Fig 6: Audio System (W/O Lexus Navigation System) And Safety Connect - Wiring Diagram (6 Of 12)
G08911638Courtesy of © TOYOTA, LICENSE AGREEMENT TMS1002
Fig 7: Audio System (W/O Lexus Navigation System) And Safety Connect - Wiring Diagram (7 Of 12)
G08911639Courtesy of © TOYOTA, LICENSE AGREEMENT TMS1002
Fig 8: Audio System (W/O Lexus Navigation System) And Safety Connect - Wiring Diagram (8 Of 12)
G08911640Courtesy of © TOYOTA, LICENSE AGREEMENT TMS1002
Fig 9: Audio System (W/O Lexus Navigation System) And Safety Connect - Wiring Diagram (9 Of 12)
G08911641Courtesy of © TOYOTA, LICENSE AGREEMENT TMS1002
Fig 10: Audio System (W/O Lexus Navigation System) And Safety Connect - Wiring Diagram (10 Of 12)
G08911642Courtesy of © TOYOTA, LICENSE AGREEMENT TMS1002
Fig 11: Audio System (W/O Lexus Navigation System) And Safety Connect - Wiring Diagram (11 Of 12)
G08911643Courtesy of © TOYOTA, LICENSE AGREEMENT TMS1002
Fig 12: Audio System (W/O Lexus Navigation System) And Safety Connect - Wiring Diagram (12 Of 12)
G08911644Courtesy of © TOYOTA, LICENSE AGREEMENT TMS1002