LEMON Manuals: Even more car manuals for everyone
Home >> Lexus >> 2012 >> HS 250h >> Repair and Diagnosis (Single Page) >> Electrical >> Motors, Switches, Relays >> OEM System Circuits >> Audio System (w/LEXUS Navigation System), LEXUS ENFORM, LEXUS Navigation System and Parking Assist (Rear View Monitor) (w/o Wide-View Front Monitor) >> Notes

Audio System (w/LEXUS Navigation System), LEXUS ENFORM, LEXUS Navigation System and Parking Assist (Rear View Monitor) (w/o Wide-View Front Monitor): Notes

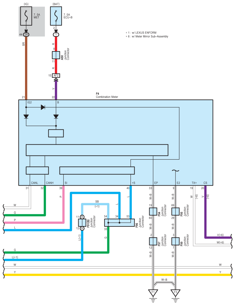
Fig 1: Audio System (W/Lexus Navigation System), Lexus Enform, Lexus Navigation System And Parking Assist (Rear View Monitor) (W/O Wide-View Front Monitor) - Wiring Diagram (1 Of 26)
G08911607Courtesy of © TOYOTA, LICENSE AGREEMENT TMS1002
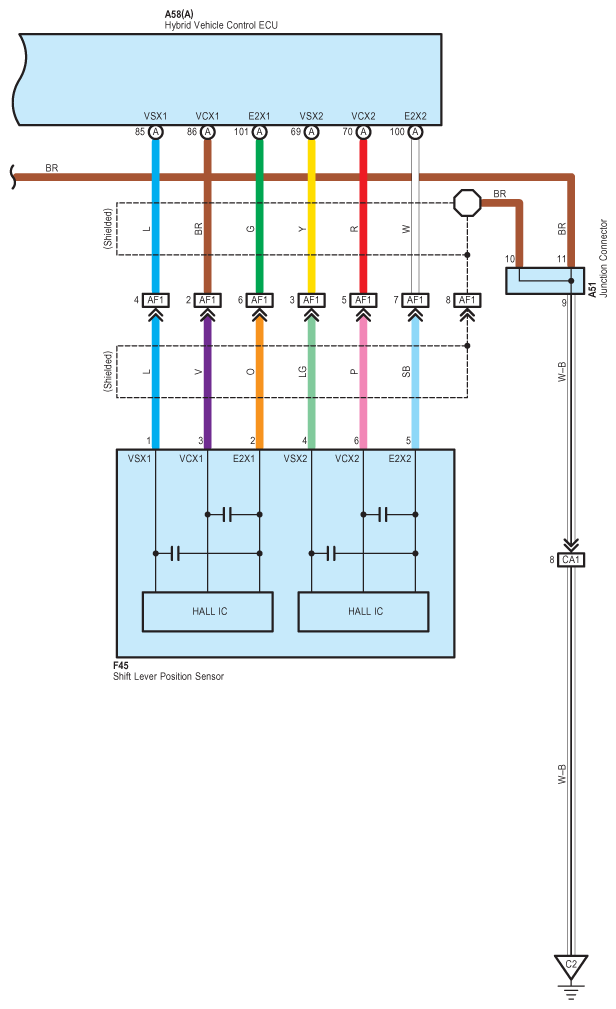
Fig 2: Audio System (W/Lexus Navigation System), Lexus Enform, Lexus Navigation System And Parking Assist (Rear View Monitor) (W/O Wide-View Front Monitor) - Wiring Diagram (2 Of 26)
G08911608Courtesy of © TOYOTA, LICENSE AGREEMENT TMS1002
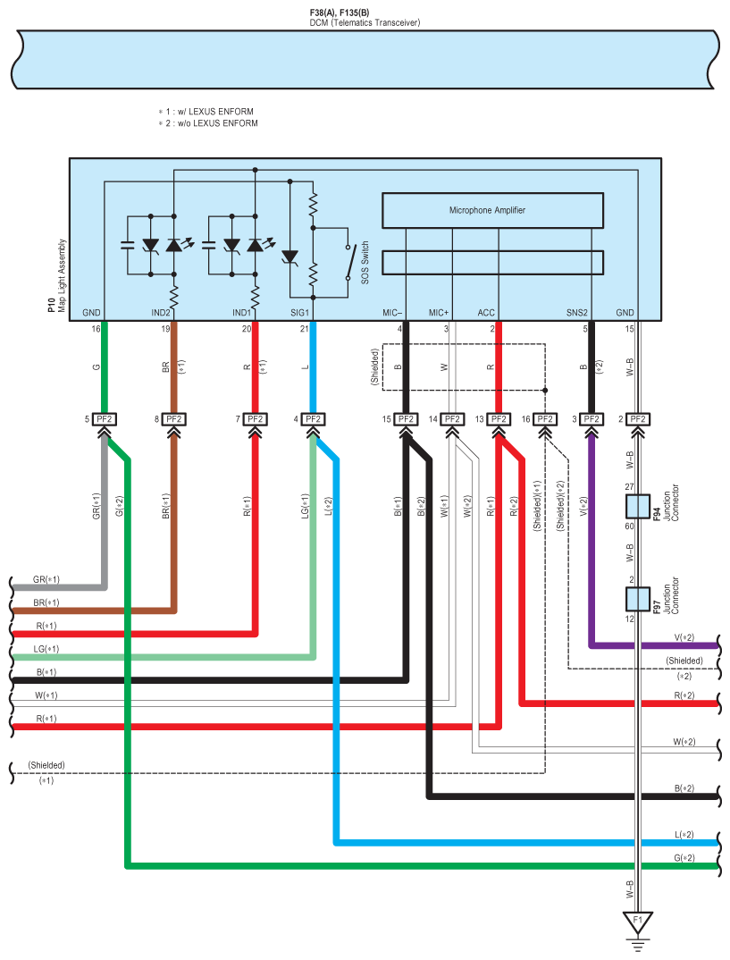
Fig 3: Audio System (W/Lexus Navigation System), Lexus Enform, Lexus Navigation System And Parking Assist (Rear View Monitor) (W/O Wide-View Front Monitor) - Wiring Diagram (3 Of 26)
G08911609Courtesy of © TOYOTA, LICENSE AGREEMENT TMS1002
Fig 4: Audio System (W/Lexus Navigation System), Lexus Enform, Lexus Navigation System And Parking Assist (Rear View Monitor) (W/O Wide-View Front Monitor) - Wiring Diagram (4 Of 26)
G08911610Courtesy of © TOYOTA, LICENSE AGREEMENT TMS1002
Fig 5: Audio System (W/Lexus Navigation System), Lexus Enform, Lexus Navigation System And Parking Assist (Rear View Monitor) (W/O Wide-View Front Monitor) - Wiring Diagram (5 Of 26)
G08911611Courtesy of © TOYOTA, LICENSE AGREEMENT TMS1002
Fig 6: Audio System (W/Lexus Navigation System), Lexus Enform, Lexus Navigation System And Parking Assist (Rear View Monitor) (W/O Wide-View Front Monitor) - Wiring Diagram (6 Of 26)
G08911612Courtesy of © TOYOTA, LICENSE AGREEMENT TMS1002
Fig 7: Audio System (W/Lexus Navigation System), Lexus Enform, Lexus Navigation System And Parking Assist (Rear View Monitor) (W/O Wide-View Front Monitor) - Wiring Diagram (7 Of 26)
G08911613Courtesy of © TOYOTA, LICENSE AGREEMENT TMS1002
Fig 8: Audio System (W/Lexus Navigation System), Lexus Enform, Lexus Navigation System And Parking Assist (Rear View Monitor) (W/O Wide-View Front Monitor) - Wiring Diagram (8 Of 26)
G08911614Courtesy of © TOYOTA, LICENSE AGREEMENT TMS1002
Fig 9: Audio System (W/Lexus Navigation System), Lexus Enform, Lexus Navigation System And Parking Assist (Rear View Monitor) (W/O Wide-View Front Monitor) - Wiring Diagram (9 Of 26)
G08911615Courtesy of © TOYOTA, LICENSE AGREEMENT TMS1002
Fig 10: Audio System (W/Lexus Navigation System), Lexus Enform, Lexus Navigation System And Parking Assist (Rear View Monitor) (W/O Wide-View Front Monitor) - Wiring Diagram (10 Of 26)
G08911616Courtesy of © TOYOTA, LICENSE AGREEMENT TMS1002
Fig 11: Audio System (W/Lexus Navigation System), Lexus Enform, Lexus Navigation System And Parking Assist (Rear View Monitor) (W/O Wide-View Front Monitor) - Wiring Diagram (11 Of 26)
G08911617Courtesy of © TOYOTA, LICENSE AGREEMENT TMS1002
Fig 12: Audio System (W/Lexus Navigation System), Lexus Enform, Lexus Navigation System And Parking Assist (Rear View Monitor) (W/O Wide-View Front Monitor) - Wiring Diagram (12 Of 26)
G08911618Courtesy of © TOYOTA, LICENSE AGREEMENT TMS1002
Fig 13: Audio System (W/Lexus Navigation System), Lexus Enform, Lexus Navigation System And Parking Assist (Rear View Monitor) (W/O Wide-View Front Monitor) - Wiring Diagram (13 Of 26)
G08911619Courtesy of © TOYOTA, LICENSE AGREEMENT TMS1002
Fig 14: Audio System (W/Lexus Navigation System), Lexus Enform, Lexus Navigation System And Parking Assist (Rear View Monitor) (W/O Wide-View Front Monitor) - Wiring Diagram (14 Of 26)
G08911620Courtesy of © TOYOTA, LICENSE AGREEMENT TMS1002
Fig 15: Audio System (W/Lexus Navigation System), Lexus Enform, Lexus Navigation System And Parking Assist (Rear View Monitor) (W/O Wide-View Front Monitor) - Wiring Diagram (15 Of 26)
G08911621Courtesy of © TOYOTA, LICENSE AGREEMENT TMS1002
Fig 16: Audio System (W/Lexus Navigation System), Lexus Enform, Lexus Navigation System And Parking Assist (Rear View Monitor) (W/O Wide-View Front Monitor) - Wiring Diagram (16 Of 26)
G08911622Courtesy of © TOYOTA, LICENSE AGREEMENT TMS1002
Fig 17: Audio System (W/Lexus Navigation System), Lexus Enform, Lexus Navigation System And Parking Assist (Rear View Monitor) (W/O Wide-View Front Monitor) - Wiring Diagram (17 Of 26)
G08911623Courtesy of © TOYOTA, LICENSE AGREEMENT TMS1002
Fig 18: Audio System (W/Lexus Navigation System), Lexus Enform, Lexus Navigation System And Parking Assist (Rear View Monitor) (W/O Wide-View Front Monitor) - Wiring Diagram (18 Of 26)
G08911624Courtesy of © TOYOTA, LICENSE AGREEMENT TMS1002
Fig 19: Audio System (W/Lexus Navigation System), Lexus Enform, Lexus Navigation System And Parking Assist (Rear View Monitor) (W/O Wide-View Front Monitor) - Wiring Diagram (19 Of 26)
G08911625Courtesy of © TOYOTA, LICENSE AGREEMENT TMS1002
Fig 20: Audio System (W/Lexus Navigation System), Lexus Enform, Lexus Navigation System And Parking Assist (Rear View Monitor) (W/O Wide-View Front Monitor) - Wiring Diagram (20 Of 26)
G08911626Courtesy of © TOYOTA, LICENSE AGREEMENT TMS1002
Fig 21: Audio System (W/Lexus Navigation System), Lexus Enform, Lexus Navigation System And Parking Assist (Rear View Monitor) (W/O Wide-View Front Monitor) - Wiring Diagram (21 Of 26)
G08911627Courtesy of © TOYOTA, LICENSE AGREEMENT TMS1002
Fig 22: Audio System (W/Lexus Navigation System), Lexus Enform, Lexus Navigation System And Parking Assist (Rear View Monitor) (W/O Wide-View Front Monitor) - Wiring Diagram (22 Of 26)
G08911628Courtesy of © TOYOTA, LICENSE AGREEMENT TMS1002
Fig 23: Audio System (W/Lexus Navigation System), Lexus Enform, Lexus Navigation System And Parking Assist (Rear View Monitor) (W/O Wide-View Front Monitor) - Wiring Diagram (23 Of 26)
G08911629Courtesy of © TOYOTA, LICENSE AGREEMENT TMS1002
Fig 24: Audio System (W/Lexus Navigation System), Lexus Enform, Lexus Navigation System And Parking Assist (Rear View Monitor) (W/O Wide-View Front Monitor) - Wiring Diagram (24 Of 26)
G08911630Courtesy of © TOYOTA, LICENSE AGREEMENT TMS1002
Fig 25: Audio System (W/Lexus Navigation System), Lexus Enform, Lexus Navigation System And Parking Assist (Rear View Monitor) (W/O Wide-View Front Monitor) - Wiring Diagram (25 Of 26)
G08911631Courtesy of © TOYOTA, LICENSE AGREEMENT TMS1002
Fig 26: Audio System (W/Lexus Navigation System), Lexus Enform, Lexus Navigation System And Parking Assist (Rear View Monitor) (W/O Wide-View Front Monitor) - Wiring Diagram (26 Of 26)
G08911632Courtesy of © TOYOTA, LICENSE AGREEMENT TMS1002