LEMON Manuals: Even more car manuals for everyone
Home >> Lexus >> 2012 >> HS 250h >> Repair and Diagnosis (Single Page) >> Electrical >> Body Electrical >> OEM System Circuits >> Adaptive Front-Lighting System or Headlight Beam Level Control >> Notes

Adaptive Front-Lighting System or Headlight Beam Level Control: Notes

Fig 1: Adaptive Front-Lighting System Or Headlight Beam Level Control - Wiring Diagram (1 Of 5)
G08911536Courtesy of © TOYOTA, LICENSE AGREEMENT TMS1002
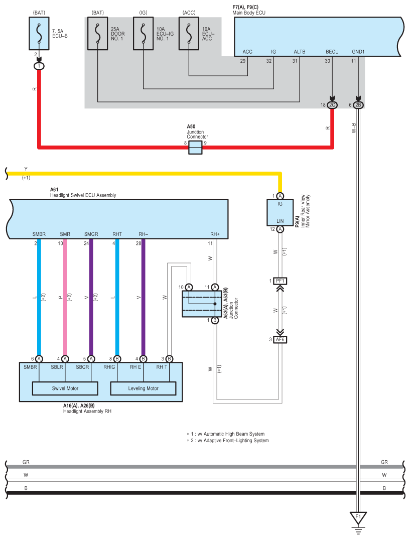
Fig 2: Adaptive Front-Lighting System Or Headlight Beam Level Control - Wiring Diagram (2 Of 5)
G08911537Courtesy of © TOYOTA, LICENSE AGREEMENT TMS1002
Fig 3: Adaptive Front-Lighting System Or Headlight Beam Level Control - Wiring Diagram (3 Of 5)
G08911538Courtesy of © TOYOTA, LICENSE AGREEMENT TMS1002
Fig 4: Adaptive Front-Lighting System Or Headlight Beam Level Control - Wiring Diagram (4 Of 5)
G08911539Courtesy of © TOYOTA, LICENSE AGREEMENT TMS1002
Fig 5: Adaptive Front-Lighting System Or Headlight Beam Level Control - Wiring Diagram (5 Of 5)
G08911540Courtesy of © TOYOTA, LICENSE AGREEMENT TMS1002