LEMON Manuals: Even more car manuals for everyone
Home >> Lexus >> 2012 >> HS 250h >> Repair and Diagnosis (Single Page) >> Electrical >> Body Electrical >> OEM Overall Electrical Wiring Diagram >> Overall Electrical Wiring Diagram >> Audio System (W/LEXUS Navigation System), LEXUS Navigation System, LEXUS ENFORM, Parking Assist (Rear View Monitor / W/O Wide-View Front Monitor)

Audio System (W/LEXUS Navigation System), LEXUS Navigation System, LEXUS ENFORM, Parking Assist (Rear View Monitor / W/O Wide-View Front Monitor)

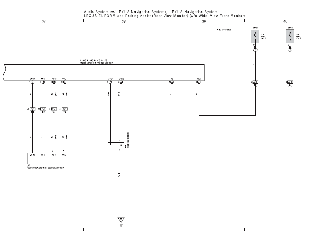
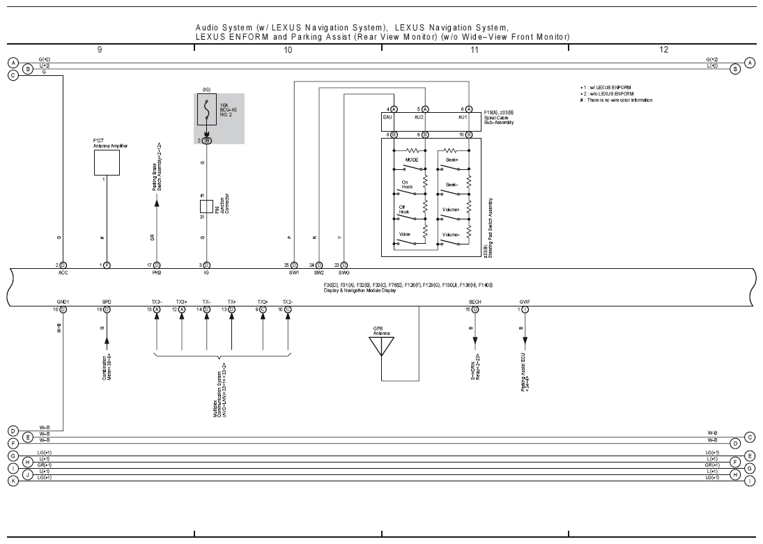
Fig 1: Audio System (W/LEXUS Navigation System), LEXUS Navigation System, LEXUS ENFORM And Parking Assist (Rear View Monitor) (W/O Wide-View Front Monitor) Electrical Wiring Diagram (1 Of 10)
G08912225Courtesy of © TOYOTA, LICENSE AGREEMENT TMS1002
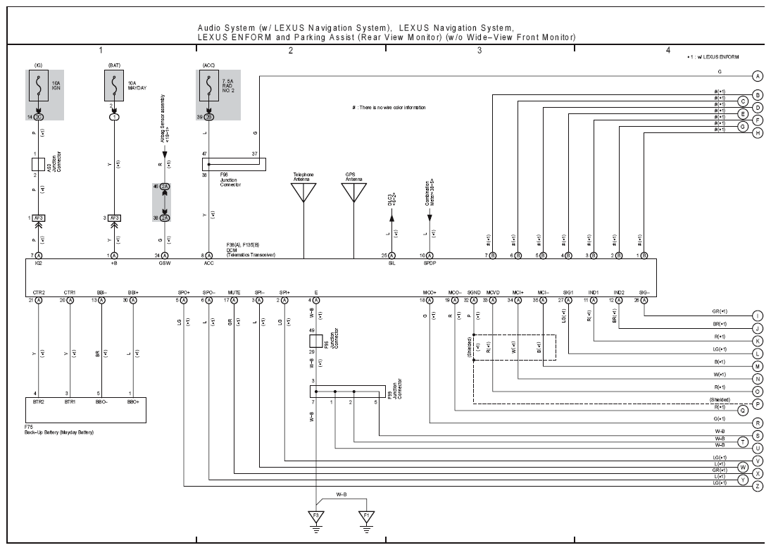
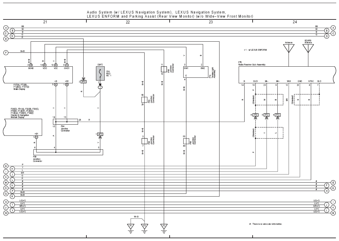
Fig 2: Audio System (W/LEXUS Navigation System), LEXUS Navigation System, LEXUS ENFORM And Parking Assist (Rear View Monitor) (W/O Wide-View Front Monitor) Electrical Wiring Diagram (2 Of 10)
G08912226Courtesy of © TOYOTA, LICENSE AGREEMENT TMS1002
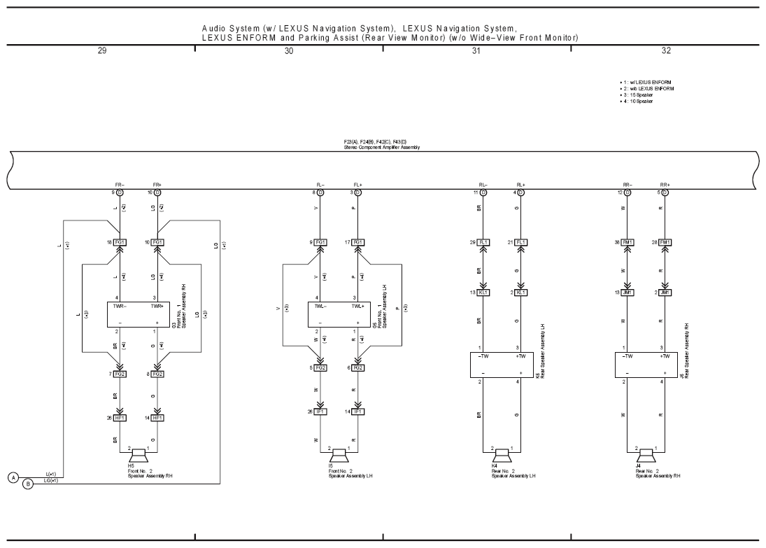
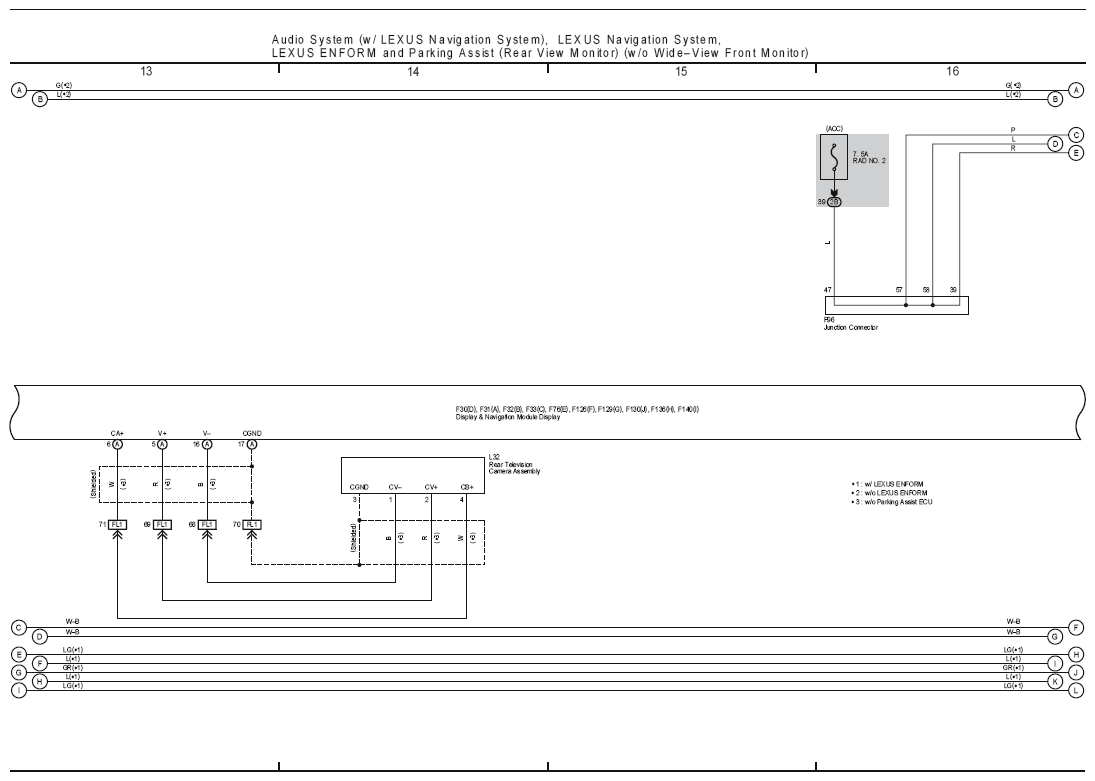
Fig 3: Audio System (W/LEXUS Navigation System), LEXUS Navigation System, LEXUS ENFORM And Parking Assist (Rear View Monitor) (W/O Wide-View Front Monitor) Electrical Wiring Diagram (3 Of 10)
G08912227Courtesy of © TOYOTA, LICENSE AGREEMENT TMS1002
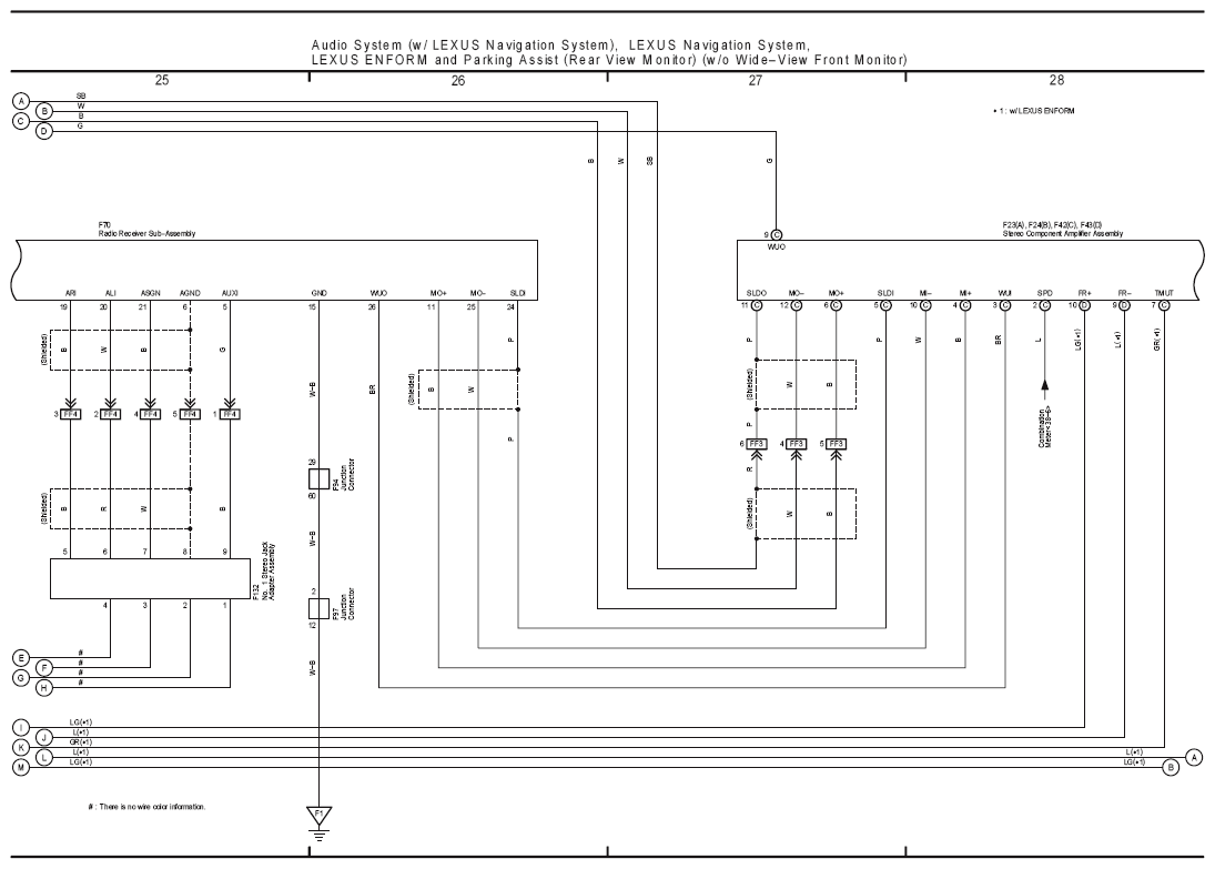
Fig 4: Audio System (W/LEXUS Navigation System), LEXUS Navigation System, LEXUS ENFORM And Parking Assist (Rear View Monitor) (W/O Wide-View Front Monitor) Electrical Wiring Diagram (4 Of 10)
G08912228Courtesy of © TOYOTA, LICENSE AGREEMENT TMS1002
Fig 5: Audio System (W/LEXUS Navigation System), LEXUS Navigation System, LEXUS ENFORM And Parking Assist (Rear View Monitor) (W/O Wide-View Front Monitor) Electrical Wiring Diagram (5 Of 10)
G08912229Courtesy of © TOYOTA, LICENSE AGREEMENT TMS1002
Fig 6: Audio System (W/LEXUS Navigation System), LEXUS Navigation System, LEXUS ENFORM And Parking Assist (Rear View Monitor) (W/O Wide-View Front Monitor) Electrical Wiring Diagram (6 Of 10)
G08912230Courtesy of © TOYOTA, LICENSE AGREEMENT TMS1002
Fig 7: Audio System (W/LEXUS Navigation System), LEXUS Navigation System, LEXUS ENFORM And Parking Assist (Rear View Monitor) (W/O Wide-View Front Monitor) Electrical Wiring Diagram (7 Of 10)
G08912231Courtesy of © TOYOTA, LICENSE AGREEMENT TMS1002
Fig 8: Audio System (W/LEXUS Navigation System), LEXUS Navigation System, LEXUS ENFORM And Parking Assist (Rear View Monitor) (W/O Wide-View Front Monitor) Electrical Wiring Diagram (8 Of 10)
G08912232Courtesy of © TOYOTA, LICENSE AGREEMENT TMS1002
Fig 9: Audio System (W/LEXUS Navigation System), LEXUS Navigation System, LEXUS ENFORM And Parking Assist (Rear View Monitor) (W/O Wide-View Front Monitor) Electrical Wiring Diagram (9 Of 10)
G08912233Courtesy of © TOYOTA, LICENSE AGREEMENT TMS1002
Fig 10: Audio System (W/LEXUS Navigation System), LEXUS Navigation System, LEXUS ENFORM And Parking Assist (Rear View Monitor) (W/O Wide-View Front Monitor) Electrical Wiring Diagram (10 Of 10)
G08912234Courtesy of © TOYOTA, LICENSE AGREEMENT TMS1002