LEMON Manuals: Even more car manuals for everyone
Home >> Lexus >> 2012 >> CT 200h Base >> Repair and Diagnosis (Single Page) >> Electrical >> Motors, Switches, Relays >> OEM System Circuits >> Audio System (w/o LEXUS Navigation System w/o Stereo Component Amplifier) >> Notes

Audio System (w/o LEXUS Navigation System w/o Stereo Component Amplifier): Notes

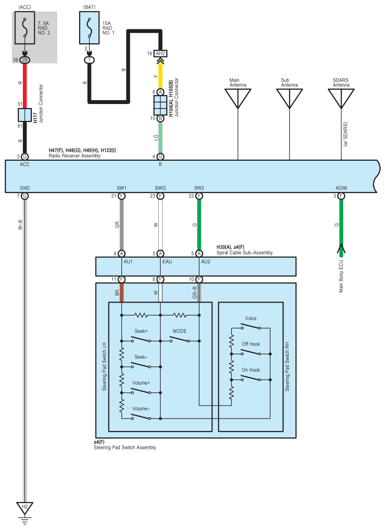
Fig 1: Audio System (W/O Lexus Navigation System W/O Stereo Component Amplifier) - Wiring Diagram (1 Of 5)
G08934711Courtesy of © TOYOTA, LICENSE AGREEMENT TMS1002
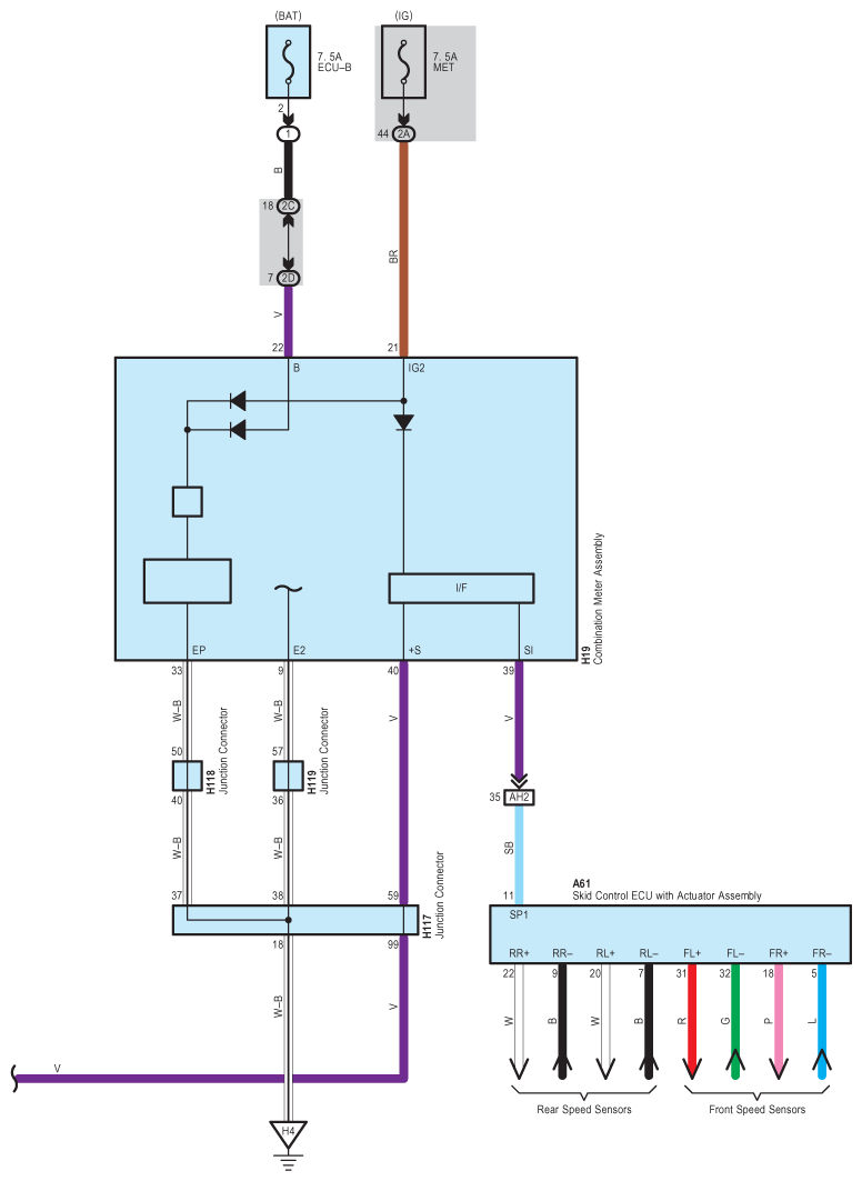
Fig 2: Audio System (W/O Lexus Navigation System W/O Stereo Component Amplifier) - Wiring Diagram (2 Of 5)
G08934712Courtesy of © TOYOTA, LICENSE AGREEMENT TMS1002
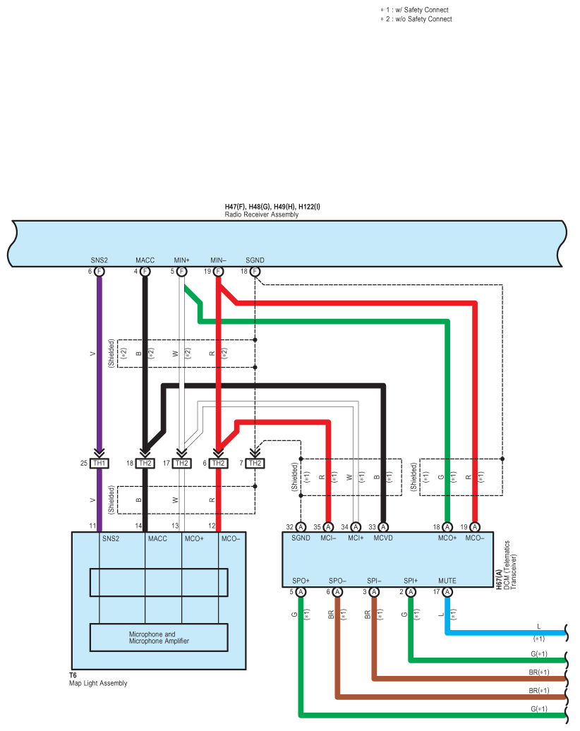
Fig 3: Audio System (W/O Lexus Navigation System W/O Stereo Component Amplifier) - Wiring Diagram (3 Of 5)
G08934713Courtesy of © TOYOTA, LICENSE AGREEMENT TMS1002
Fig 4: Audio System (W/O Lexus Navigation System W/O Stereo Component Amplifier) - Wiring Diagram (4 Of 5)
G08934714Courtesy of © TOYOTA, LICENSE AGREEMENT TMS1002
Fig 5: Audio System (W/O Lexus Navigation System W/O Stereo Component Amplifier) - Wiring Diagram (5 Of 5)
G08934715Courtesy of © TOYOTA, LICENSE AGREEMENT TMS1002