LEMON Manuals: Even more car manuals for everyone
Home >> Lexus >> 2012 >> CT 200h Base >> Repair and Diagnosis (Single Page) >> Electrical >> Motors, Switches, Relays >> OEM System Circuits >> Audio System (w/LEXUS Navigation System), LEXUS Navigation System and Parking Assist (Back Guide Monitor or Rear View Monitor w/LEXUS Navigation System) >> Notes

Audio System (w/LEXUS Navigation System), LEXUS Navigation System and Parking Assist (Back Guide Monitor or Rear View Monitor w/LEXUS Navigation System): Notes

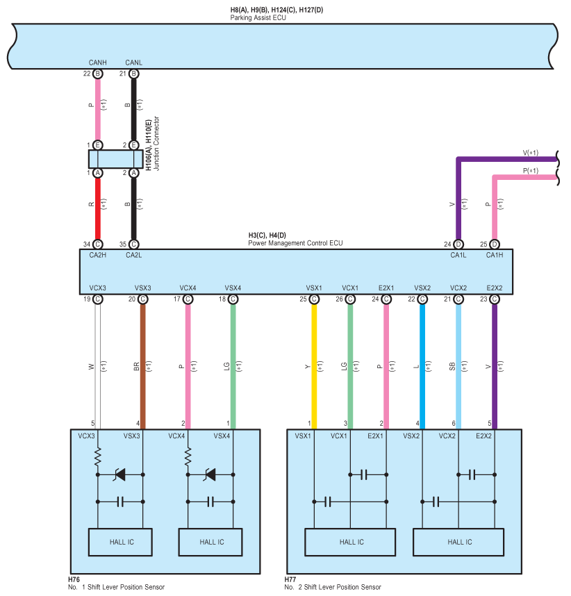
Fig 1: Audio System (W/Lexus Navigation System), Lexus Navigation System And Parking Assist (Back Guide Monitor Or Rear View Monitor W/Lexus Navigation System) - Wiring Diagram (1 Of 19)
G08934680Courtesy of © TOYOTA, LICENSE AGREEMENT TMS1002
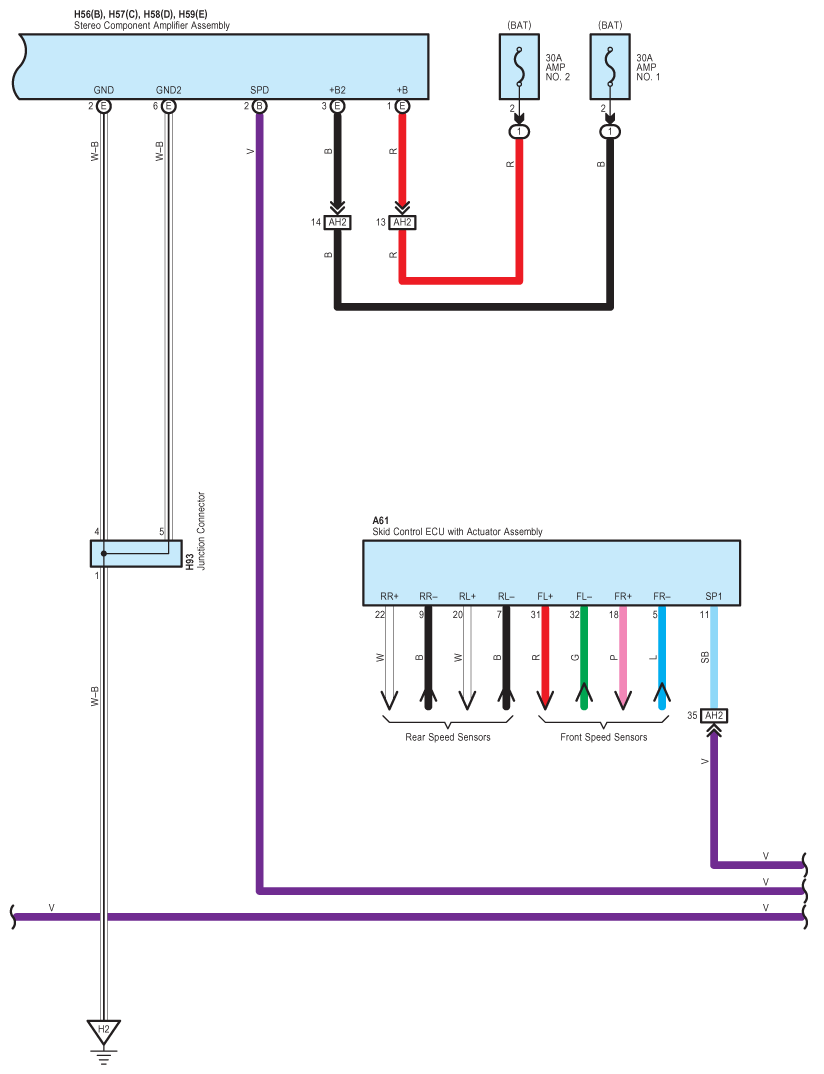
Fig 2: Audio System (W/Lexus Navigation System), Lexus Navigation System And Parking Assist (Back Guide Monitor Or Rear View Monitor W/Lexus Navigation System) - Wiring Diagram (2 Of 19)
G08934681Courtesy of © TOYOTA, LICENSE AGREEMENT TMS1002
Fig 3: Audio System (W/Lexus Navigation System), Lexus Navigation System And Parking Assist (Back Guide Monitor Or Rear View Monitor W/Lexus Navigation System) - Wiring Diagram (3 Of 19)
G08934682Courtesy of © TOYOTA, LICENSE AGREEMENT TMS1002
Fig 4: Audio System (W/Lexus Navigation System), Lexus Navigation System And Parking Assist (Back Guide Monitor Or Rear View Monitor W/Lexus Navigation System) - Wiring Diagram (4 Of 19)
G08934683Courtesy of © TOYOTA, LICENSE AGREEMENT TMS1002
Fig 5: Audio System (W/Lexus Navigation System), Lexus Navigation System And Parking Assist (Back Guide Monitor Or Rear View Monitor W/Lexus Navigation System) - Wiring Diagram (5 Of 19)
G08934684Courtesy of © TOYOTA, LICENSE AGREEMENT TMS1002
Fig 6: Audio System (W/Lexus Navigation System), Lexus Navigation System And Parking Assist (Back Guide Monitor Or Rear View Monitor W/Lexus Navigation System) - Wiring Diagram (6 Of 19)
G08934685Courtesy of © TOYOTA, LICENSE AGREEMENT TMS1002
Fig 7: Audio System (W/Lexus Navigation System), Lexus Navigation System And Parking Assist (Back Guide Monitor Or Rear View Monitor W/Lexus Navigation System) - Wiring Diagram (7 Of 19)
G08934686Courtesy of © TOYOTA, LICENSE AGREEMENT TMS1002
Fig 8: Audio System (W/Lexus Navigation System), Lexus Navigation System And Parking Assist (Back Guide Monitor Or Rear View Monitor W/Lexus Navigation System) - Wiring Diagram (8 Of 19)
G08934687Courtesy of © TOYOTA, LICENSE AGREEMENT TMS1002
Fig 9: Audio System (W/Lexus Navigation System), Lexus Navigation System And Parking Assist (Back Guide Monitor Or Rear View Monitor W/Lexus Navigation System) - Wiring Diagram (9 Of 19)
G08934688Courtesy of © TOYOTA, LICENSE AGREEMENT TMS1002
Fig 10: Audio System (W/Lexus Navigation System), Lexus Navigation System And Parking Assist (Back Guide Monitor Or Rear View Monitor W/Lexus Navigation System) - Wiring Diagram (10 Of 19)
G08934689Courtesy of © TOYOTA, LICENSE AGREEMENT TMS1002
Fig 11: Audio System (W/Lexus Navigation System), Lexus Navigation System And Parking Assist (Back Guide Monitor Or Rear View Monitor W/Lexus Navigation System) - Wiring Diagram (11 Of 19)
G08934690Courtesy of © TOYOTA, LICENSE AGREEMENT TMS1002
Fig 12: Audio System (W/Lexus Navigation System), Lexus Navigation System And Parking Assist (Back Guide Monitor Or Rear View Monitor W/Lexus Navigation System) - Wiring Diagram (12 Of 19)
G08934691Courtesy of © TOYOTA, LICENSE AGREEMENT TMS1002
Fig 13: Audio System (W/Lexus Navigation System), Lexus Navigation System And Parking Assist (Back Guide Monitor Or Rear View Monitor W/Lexus Navigation System) - Wiring Diagram (13 Of 19)
G08934692Courtesy of © TOYOTA, LICENSE AGREEMENT TMS1002
Fig 14: Audio System (W/Lexus Navigation System), Lexus Navigation System And Parking Assist (Back Guide Monitor Or Rear View Monitor W/Lexus Navigation System) - Wiring Diagram (14 Of 19)
G08934693Courtesy of © TOYOTA, LICENSE AGREEMENT TMS1002
Fig 15: Audio System (W/Lexus Navigation System), Lexus Navigation System And Parking Assist (Back Guide Monitor Or Rear View Monitor W/Lexus Navigation System) - Wiring Diagram (15 Of 19)
G08934694Courtesy of © TOYOTA, LICENSE AGREEMENT TMS1002
Fig 16: Audio System (W/Lexus Navigation System), Lexus Navigation System And Parking Assist (Back Guide Monitor Or Rear View Monitor W/Lexus Navigation System) - Wiring Diagram (16 Of 19)
G08934695Courtesy of © TOYOTA, LICENSE AGREEMENT TMS1002
Fig 17: Audio System (W/Lexus Navigation System), Lexus Navigation System And Parking Assist (Back Guide Monitor Or Rear View Monitor W/Lexus Navigation System) - Wiring Diagram (17 Of 19)
G08934696Courtesy of © TOYOTA, LICENSE AGREEMENT TMS1002
Fig 18: Audio System (W/Lexus Navigation System), Lexus Navigation System And Parking Assist (Back Guide Monitor Or Rear View Monitor W/Lexus Navigation System) - Wiring Diagram (18 Of 19)
G08934697Courtesy of © TOYOTA, LICENSE AGREEMENT TMS1002
Fig 19: Audio System (W/Lexus Navigation System), Lexus Navigation System And Parking Assist (Back Guide Monitor Or Rear View Monitor W/Lexus Navigation System) - Wiring Diagram (19 Of 19)
G08934698Courtesy of © TOYOTA, LICENSE AGREEMENT TMS1002