LEMON Manuals: Even more car manuals for everyone
Home >> Lexus >> 2012 >> CT 200h Base >> Repair and Diagnosis (Single Page) >> Electrical >> Fuses & Circuit Breakers >> OEM Junction Block, Ecu & Fuse/Relay Locations >> Junction Block Fuse, Relay & Circuit Identification >> Instrument Panel Junction Block Assembly - Instrument Panel Reinforcement >> Instrument Panel Junction Block Assembly Inner Circuit

Instrument Panel Junction Block Assembly Inner Circuit

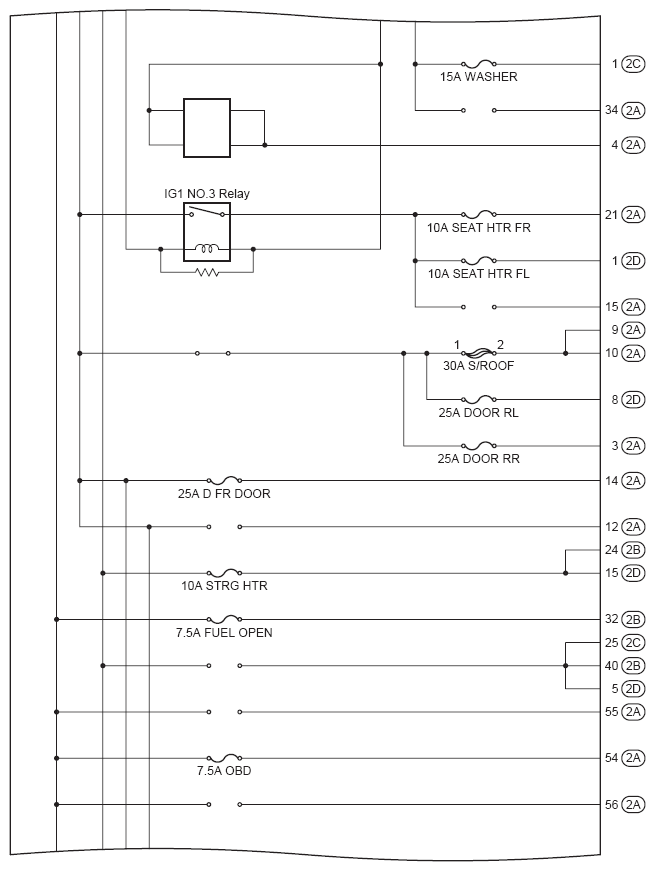
Fig 1: Instrument Panel J/B Assembly Inner Circuit Diagram (1 Of 5)
G08934402Courtesy of © TOYOTA, LICENSE AGREEMENT TMS1002
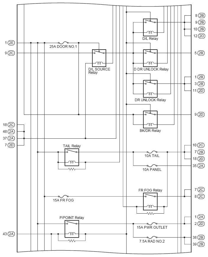
Fig 2: Instrument Panel J/B Assembly Inner Circuit Diagram & Relays (2 Of 5)
G08934403Courtesy of © TOYOTA, LICENSE AGREEMENT TMS1002
INSTRUMENT PANEL J/B INNER CIRCUIT RELAY IDENTIFICATION

RELAY DESCRIPTION
D/L Relay
D/L Source Relay
D DR Unlock Relay
DR Unlock Relay
BK/DR Relay
Tail Relay
FR Fog Relay
P/Point Relay
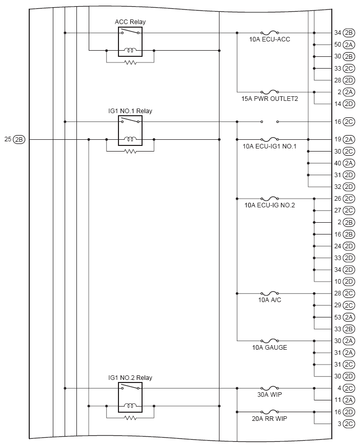
Fig 3: Instrument Panel J/B Assembly Inner Circuit Diagram & Relays (3 Of 5)
G08934404Courtesy of © TOYOTA, LICENSE AGREEMENT TMS1002
INSTRUMENT PANEL J/B INNER CIRCUIT RELAY IDENTIFICATION

RELAY DESCRIPTION
ACC Relay
IG1 No. 1 Relay
IG1 No. 2 Relay
Fig 4: Instrument Panel J/B Assembly Inner Circuit Diagram & Relay (4 Of 5)
G08934405Courtesy of © TOYOTA, LICENSE AGREEMENT TMS1002
INSTRUMENT PANEL J/B INNER CIRCUIT RELAY IDENTIFICATION

RELAY DESCRIPTION
IG1 No. 3 Relay
Fig 5: Instrument Panel J/B Assembly Inner Circuit Diagram (5 Of 5)
G08934406Courtesy of © TOYOTA, LICENSE AGREEMENT TMS1002