LEMON Manuals: Even more car manuals for everyone
Home >> Lexus >> 2012 >> CT 200h Base >> Repair and Diagnosis (Single Page) >> Electrical >> Body Electrical >> OEM System Circuits >> Multiplex Communication System (CAN) >> Notes

Multiplex Communication System (CAN): Notes

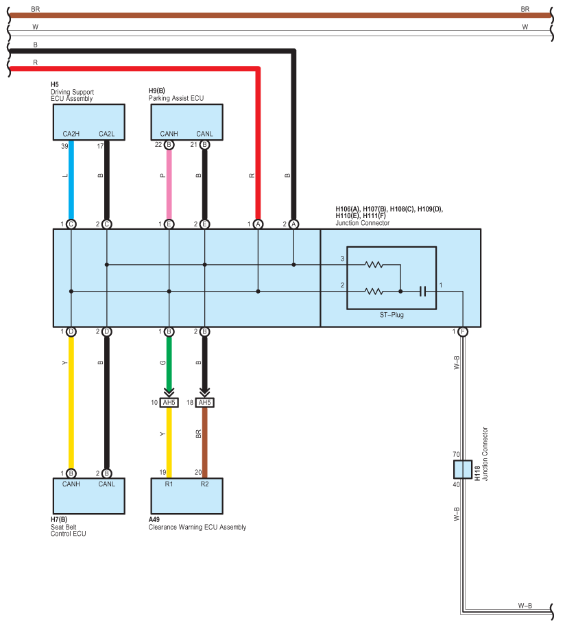
Fig 1: Multiplex Communication System (Can) - Wiring Diagram (1 Of 4)
G08934510Courtesy of © TOYOTA, LICENSE AGREEMENT TMS1002
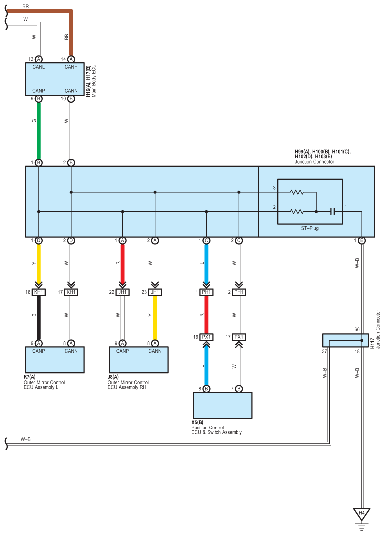
Fig 2: Multiplex Communication System (Can) - Wiring Diagram (2 Of 4)
G08934511Courtesy of © TOYOTA, LICENSE AGREEMENT TMS1002
Fig 3: Multiplex Communication System (Can) - Wiring Diagram (3 Of 4)
G08934512Courtesy of © TOYOTA, LICENSE AGREEMENT TMS1002
Fig 4: Multiplex Communication System (Can) - Wiring Diagram (4 Of 4)
G08934513Courtesy of © TOYOTA, LICENSE AGREEMENT TMS1002