LEMON Manuals: Even more car manuals for everyone
Home >> Lexus >> 2012 >> CT 200h Base >> Repair and Diagnosis (Single Page) >> Electrical >> Body Electrical >> OEM System Circuits >> Cruise Control, Dynamic Radar Cruise Control, Engine Control, Hybrid System and Shift Control System >> Notes

Cruise Control, Dynamic Radar Cruise Control, Engine Control, Hybrid System and Shift Control System: Notes

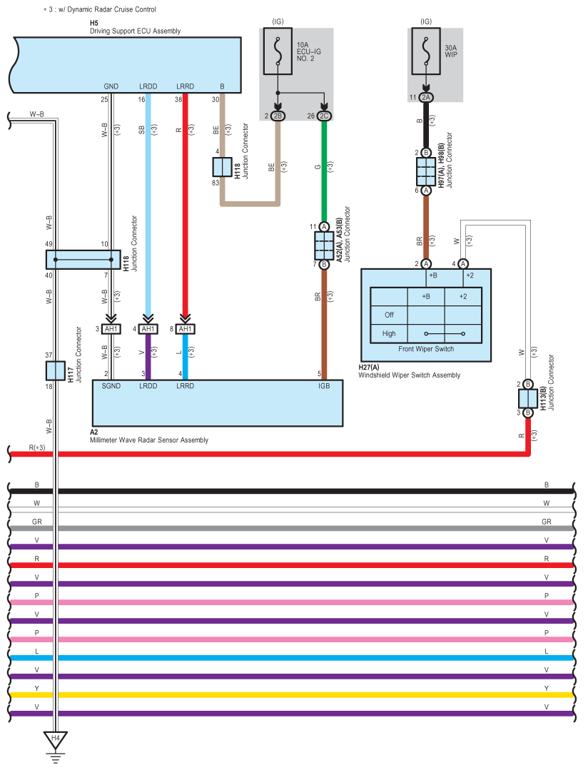
Fig 1: Cruise Control, Dynamic Radar Cruise Control, Engine Control, Hybrid System And Shift Control System - Wiring Diagram (1 Of 35)
G08934473Courtesy of © TOYOTA, LICENSE AGREEMENT TMS1002
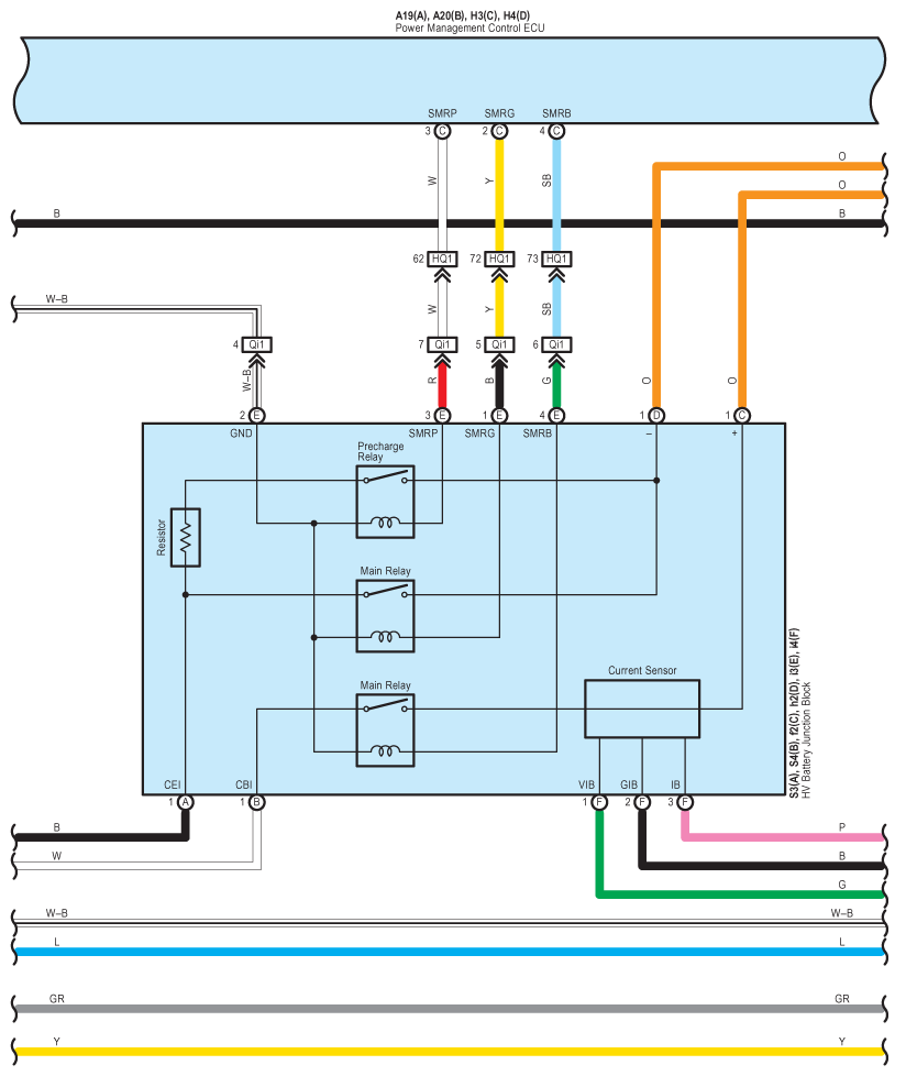
Fig 2: Cruise Control, Dynamic Radar Cruise Control, Engine Control, Hybrid System And Shift Control System - Wiring Diagram (2 Of 35)
G08934474Courtesy of © TOYOTA, LICENSE AGREEMENT TMS1002
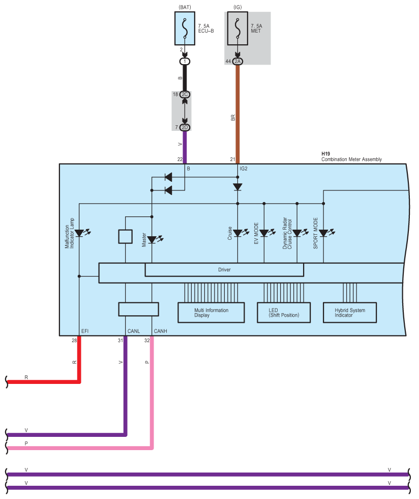
Fig 3: Cruise Control, Dynamic Radar Cruise Control, Engine Control, Hybrid System And Shift Control System - Wiring Diagram (3 Of 35)
G08934475Courtesy of © TOYOTA, LICENSE AGREEMENT TMS1002
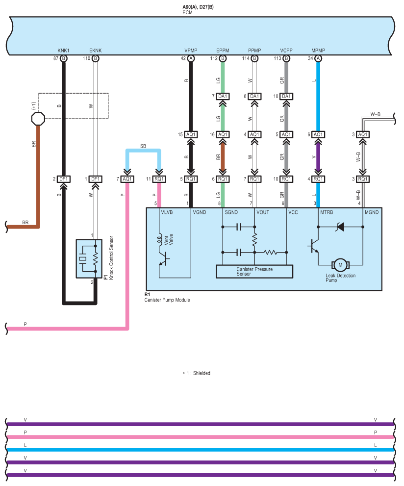
Fig 4: Cruise Control, Dynamic Radar Cruise Control, Engine Control, Hybrid System And Shift Control System - Wiring Diagram (4 Of 35)
G08934476Courtesy of © TOYOTA, LICENSE AGREEMENT TMS1002
Fig 5: Cruise Control, Dynamic Radar Cruise Control, Engine Control, Hybrid System And Shift Control System - Wiring Diagram (5 Of 35)
G08934477Courtesy of © TOYOTA, LICENSE AGREEMENT TMS1002
Fig 6: Cruise Control, Dynamic Radar Cruise Control, Engine Control, Hybrid System And Shift Control System - Wiring Diagram (6 Of 35)
G08934478Courtesy of © TOYOTA, LICENSE AGREEMENT TMS1002
Fig 7: Cruise Control, Dynamic Radar Cruise Control, Engine Control, Hybrid System And Shift Control System - Wiring Diagram (7 Of 35)
G08934479Courtesy of © TOYOTA, LICENSE AGREEMENT TMS1002
Fig 8: Cruise Control, Dynamic Radar Cruise Control, Engine Control, Hybrid System And Shift Control System - Wiring Diagram (8 Of 35)
G08934480Courtesy of © TOYOTA, LICENSE AGREEMENT TMS1002
Fig 9: Cruise Control, Dynamic Radar Cruise Control, Engine Control, Hybrid System And Shift Control System - Wiring Diagram (9 Of 35)
G08934481Courtesy of © TOYOTA, LICENSE AGREEMENT TMS1002
Fig 10: Cruise Control, Dynamic Radar Cruise Control, Engine Control, Hybrid System And Shift Control System - Wiring Diagram (10 Of 35)
G08934482Courtesy of © TOYOTA, LICENSE AGREEMENT TMS1002
Fig 11: Cruise Control, Dynamic Radar Cruise Control, Engine Control, Hybrid System And Shift Control System - Wiring Diagram (11 Of 35)
G08934483Courtesy of © TOYOTA, LICENSE AGREEMENT TMS1002
Fig 12: Cruise Control, Dynamic Radar Cruise Control, Engine Control, Hybrid System And Shift Control System - Wiring Diagram (12 Of 35)
G08934484Courtesy of © TOYOTA, LICENSE AGREEMENT TMS1002
Fig 13: Cruise Control, Dynamic Radar Cruise Control, Engine Control, Hybrid System And Shift Control System - Wiring Diagram (13 Of 35)
G08934485Courtesy of © TOYOTA, LICENSE AGREEMENT TMS1002
Fig 14: Cruise Control, Dynamic Radar Cruise Control, Engine Control, Hybrid System And Shift Control System - Wiring Diagram (14 Of 35)
G08934486Courtesy of © TOYOTA, LICENSE AGREEMENT TMS1002
Fig 15: Cruise Control, Dynamic Radar Cruise Control, Engine Control, Hybrid System And Shift Control System - Wiring Diagram (15 Of 35)
G08934487Courtesy of © TOYOTA, LICENSE AGREEMENT TMS1002
Fig 16: Cruise Control, Dynamic Radar Cruise Control, Engine Control, Hybrid System And Shift Control System - Wiring Diagram (16 Of 35)
G08934488Courtesy of © TOYOTA, LICENSE AGREEMENT TMS1002
Fig 17: Cruise Control, Dynamic Radar Cruise Control, Engine Control, Hybrid System And Shift Control System - Wiring Diagram (17 Of 35)
G08934489Courtesy of © TOYOTA, LICENSE AGREEMENT TMS1002
Fig 18: Cruise Control, Dynamic Radar Cruise Control, Engine Control, Hybrid System And Shift Control System - Wiring Diagram (18 Of 35)
G08934490Courtesy of © TOYOTA, LICENSE AGREEMENT TMS1002
Fig 19: Cruise Control, Dynamic Radar Cruise Control, Engine Control, Hybrid System And Shift Control System - Wiring Diagram (19 Of 35)
G08934491Courtesy of © TOYOTA, LICENSE AGREEMENT TMS1002
Fig 20: Cruise Control, Dynamic Radar Cruise Control, Engine Control, Hybrid System And Shift Control System - Wiring Diagram (20 Of 35)
G08934492Courtesy of © TOYOTA, LICENSE AGREEMENT TMS1002
Fig 21: Cruise Control, Dynamic Radar Cruise Control, Engine Control, Hybrid System And Shift Control System - Wiring Diagram (21 Of 35)
G08934493Courtesy of © TOYOTA, LICENSE AGREEMENT TMS1002
Fig 22: Cruise Control, Dynamic Radar Cruise Control, Engine Control, Hybrid System And Shift Control System - Wiring Diagram (22 Of 35)
G08934494Courtesy of © TOYOTA, LICENSE AGREEMENT TMS1002
Fig 23: Cruise Control, Dynamic Radar Cruise Control, Engine Control, Hybrid System And Shift Control System - Wiring Diagram (23 Of 35)
G08934495Courtesy of © TOYOTA, LICENSE AGREEMENT TMS1002
Fig 24: Cruise Control, Dynamic Radar Cruise Control, Engine Control, Hybrid System And Shift Control System - Wiring Diagram (24 Of 35)
G08934496Courtesy of © TOYOTA, LICENSE AGREEMENT TMS1002
Fig 25: Cruise Control, Dynamic Radar Cruise Control, Engine Control, Hybrid System And Shift Control System - Wiring Diagram (25 Of 35)
G08934497Courtesy of © TOYOTA, LICENSE AGREEMENT TMS1002
Fig 26: Cruise Control, Dynamic Radar Cruise Control, Engine Control, Hybrid System And Shift Control System - Wiring Diagram (26 Of 35)
G08934498Courtesy of © TOYOTA, LICENSE AGREEMENT TMS1002
Fig 27: Cruise Control, Dynamic Radar Cruise Control, Engine Control, Hybrid System And Shift Control System - Wiring Diagram (27 Of 35)
G08934499Courtesy of © TOYOTA, LICENSE AGREEMENT TMS1002
Fig 28: Cruise Control, Dynamic Radar Cruise Control, Engine Control, Hybrid System And Shift Control System - Wiring Diagram (28 Of 35)
G08934500Courtesy of © TOYOTA, LICENSE AGREEMENT TMS1002
Fig 29: Cruise Control, Dynamic Radar Cruise Control, Engine Control, Hybrid System And Shift Control System - Wiring Diagram (29 Of 35)
G08934501Courtesy of © TOYOTA, LICENSE AGREEMENT TMS1002
Fig 30: Cruise Control, Dynamic Radar Cruise Control, Engine Control, Hybrid System And Shift Control System - Wiring Diagram (30 Of 35)
G08934502Courtesy of © TOYOTA, LICENSE AGREEMENT TMS1002
Fig 31: Cruise Control, Dynamic Radar Cruise Control, Engine Control, Hybrid System And Shift Control System - Wiring Diagram (31 Of 35)
G08934503Courtesy of © TOYOTA, LICENSE AGREEMENT TMS1002
Fig 32: Cruise Control, Dynamic Radar Cruise Control, Engine Control, Hybrid System And Shift Control System - Wiring Diagram (32 Of 35)
G08934504Courtesy of © TOYOTA, LICENSE AGREEMENT TMS1002
Fig 33: Cruise Control, Dynamic Radar Cruise Control, Engine Control, Hybrid System And Shift Control System - Wiring Diagram (33 Of 35)
G08934505Courtesy of © TOYOTA, LICENSE AGREEMENT TMS1002
Fig 34: Cruise Control, Dynamic Radar Cruise Control, Engine Control, Hybrid System And Shift Control System - Wiring Diagram (34 Of 35)
G08934506Courtesy of © TOYOTA, LICENSE AGREEMENT TMS1002
Fig 35: Cruise Control, Dynamic Radar Cruise Control, Engine Control, Hybrid System And Shift Control System - Wiring Diagram (35 Of 35)
G08934507Courtesy of © TOYOTA, LICENSE AGREEMENT TMS1002