LEMON Manuals: Even more car manuals for everyone
Home >> Lexus >> 2012 >> CT 200h Base >> Repair and Diagnosis (Single Page) >> Electrical >> Body Electrical >> OEM System Circuits >> Back Door Opener, Engine Immobilizer System, Smart Access System with Push-Button Start, Starting and Wireless Door Lock Control >> Notes

Back Door Opener, Engine Immobilizer System, Smart Access System with Push-Button Start, Starting and Wireless Door Lock Control: Notes

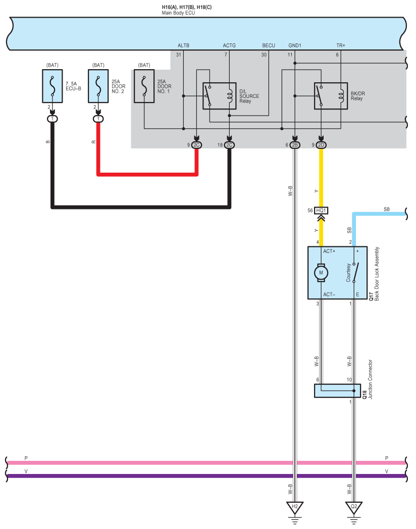
Fig 1: Back Door Opener, Engine Immobilizer System, Smart Access System With Push-Button Start, Starting And Wireless Door Lock Control - Wiring Diagram (1 Of 24)
G08934447Courtesy of © TOYOTA, LICENSE AGREEMENT TMS1002
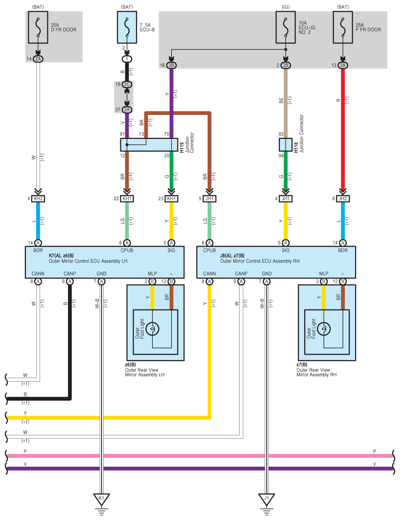
Fig 2: Back Door Opener, Engine Immobilizer System, Smart Access System With Push-Button Start, Starting And Wireless Door Lock Control - Wiring Diagram (2 Of 24)
G08934448Courtesy of © TOYOTA, LICENSE AGREEMENT TMS1002
Fig 3: Back Door Opener, Engine Immobilizer System, Smart Access System With Push-Button Start, Starting And Wireless Door Lock Control - Wiring Diagram (3 Of 24)
G08934449Courtesy of © TOYOTA, LICENSE AGREEMENT TMS1002
Fig 4: Back Door Opener, Engine Immobilizer System, Smart Access System With Push-Button Start, Starting And Wireless Door Lock Control - Wiring Diagram (4 Of 24)
G08934450Courtesy of © TOYOTA, LICENSE AGREEMENT TMS1002
Fig 5: Back Door Opener, Engine Immobilizer System, Smart Access System With Push-Button Start, Starting And Wireless Door Lock Control - Wiring Diagram (5 Of 24)
G08934451Courtesy of © TOYOTA, LICENSE AGREEMENT TMS1002
Fig 6: Back Door Opener, Engine Immobilizer System, Smart Access System With Push-Button Start, Starting And Wireless Door Lock Control - Wiring Diagram (6 Of 24)
G08934452Courtesy of © TOYOTA, LICENSE AGREEMENT TMS1002
Fig 7: Back Door Opener, Engine Immobilizer System, Smart Access System With Push-Button Start, Starting And Wireless Door Lock Control - Wiring Diagram (7 Of 24)
G08934453Courtesy of © TOYOTA, LICENSE AGREEMENT TMS1002
Fig 8: Back Door Opener, Engine Immobilizer System, Smart Access System With Push-Button Start, Starting And Wireless Door Lock Control - Wiring Diagram (8 Of 24)
G08934454Courtesy of © TOYOTA, LICENSE AGREEMENT TMS1002
Fig 9: Back Door Opener, Engine Immobilizer System, Smart Access System With Push-Button Start, Starting And Wireless Door Lock Control - Wiring Diagram (9 Of 24)
G08934455Courtesy of © TOYOTA, LICENSE AGREEMENT TMS1002
Fig 10: Back Door Opener, Engine Immobilizer System, Smart Access System With Push-Button Start, Starting And Wireless Door Lock Control - Wiring Diagram (10 Of 24)
G08934456Courtesy of © TOYOTA, LICENSE AGREEMENT TMS1002
Fig 11: Back Door Opener, Engine Immobilizer System, Smart Access System With Push-Button Start, Starting And Wireless Door Lock Control - Wiring Diagram (11 Of 24)
G08934457Courtesy of © TOYOTA, LICENSE AGREEMENT TMS1002
Fig 12: Back Door Opener, Engine Immobilizer System, Smart Access System With Push-Button Start, Starting And Wireless Door Lock Control - Wiring Diagram (12 Of 24)
G08934458Courtesy of © TOYOTA, LICENSE AGREEMENT TMS1002
Fig 13: Back Door Opener, Engine Immobilizer System, Smart Access System With Push-Button Start, Starting And Wireless Door Lock Control - Wiring Diagram (13 Of 24)
G08934459Courtesy of © TOYOTA, LICENSE AGREEMENT TMS1002
Fig 14: Back Door Opener, Engine Immobilizer System, Smart Access System With Push-Button Start, Starting And Wireless Door Lock Control - Wiring Diagram (14 Of 24)
G08934460Courtesy of © TOYOTA, LICENSE AGREEMENT TMS1002
Fig 15: Back Door Opener, Engine Immobilizer System, Smart Access System With Push-Button Start, Starting And Wireless Door Lock Control - Wiring Diagram (15 Of 24)
G08934461Courtesy of © TOYOTA, LICENSE AGREEMENT TMS1002
Fig 16: Back Door Opener, Engine Immobilizer System, Smart Access System With Push-Button Start, Starting And Wireless Door Lock Control - Wiring Diagram (16 Of 24)
G08934462Courtesy of © TOYOTA, LICENSE AGREEMENT TMS1002
Fig 17: Back Door Opener, Engine Immobilizer System, Smart Access System With Push-Button Start, Starting And Wireless Door Lock Control - Wiring Diagram (17 Of 24)
G08934463Courtesy of © TOYOTA, LICENSE AGREEMENT TMS1002
Fig 18: Back Door Opener, Engine Immobilizer System, Smart Access System With Push-Button Start, Starting And Wireless Door Lock Control - Wiring Diagram (18 Of 24)
G08934464Courtesy of © TOYOTA, LICENSE AGREEMENT TMS1002
Fig 19: Back Door Opener, Engine Immobilizer System, Smart Access System With Push-Button Start, Starting And Wireless Door Lock Control - Wiring Diagram (19 Of 24)
G08934465Courtesy of © TOYOTA, LICENSE AGREEMENT TMS1002
Fig 20: Back Door Opener, Engine Immobilizer System, Smart Access System With Push-Button Start, Starting And Wireless Door Lock Control - Wiring Diagram (20 Of 24)
G08934466Courtesy of © TOYOTA, LICENSE AGREEMENT TMS1002
Fig 21: Back Door Opener, Engine Immobilizer System, Smart Access System With Push-Button Start, Starting And Wireless Door Lock Control - Wiring Diagram (21 Of 24)
G08934467Courtesy of © TOYOTA, LICENSE AGREEMENT TMS1002
Fig 22: Back Door Opener, Engine Immobilizer System, Smart Access System With Push-Button Start, Starting And Wireless Door Lock Control - Wiring Diagram (22 Of 24)
G08934468Courtesy of © TOYOTA, LICENSE AGREEMENT TMS1002
Fig 23: Back Door Opener, Engine Immobilizer System, Smart Access System With Push-Button Start, Starting And Wireless Door Lock Control - Wiring Diagram (23 Of 24)
G08934469Courtesy of © TOYOTA, LICENSE AGREEMENT TMS1002
Fig 24: Back Door Opener, Engine Immobilizer System, Smart Access System With Push-Button Start, Starting And Wireless Door Lock Control - Wiring Diagram (24 Of 24)
G08934470Courtesy of © TOYOTA, LICENSE AGREEMENT TMS1002