LEMON Manuals: Even more car manuals for everyone
Home >> Lexus >> 2012 >> CT 200h Base >> Repair and Diagnosis (Single Page) >> Electrical >> Body Electrical >> OEM Overall Electrical Wiring Diagram >> Overall Electrical Wiring Diagram >> Audio System (w/LEXUS Navigation System), LEXUS Navigation System, Parking Assist (Back Guide Monitor or Rear View Monitor w/LEXUS Navigation System)

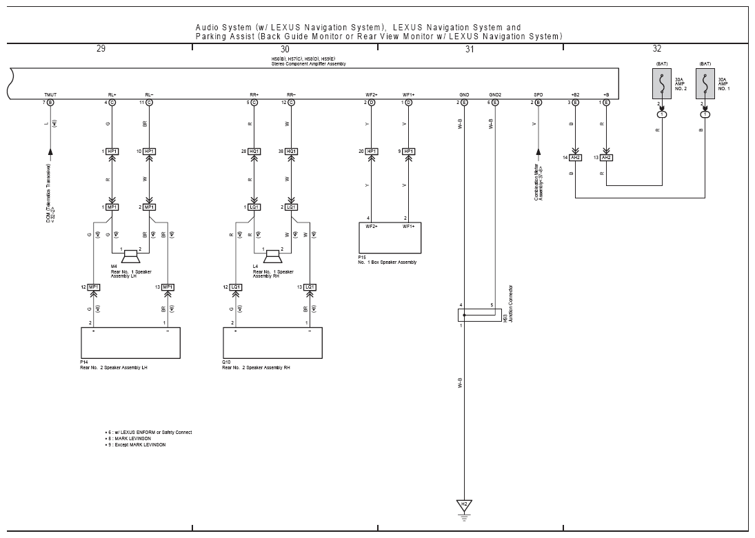
Audio System (w/LEXUS Navigation System), LEXUS Navigation System, Parking Assist (Back Guide Monitor or Rear View Monitor w/LEXUS Navigation System)

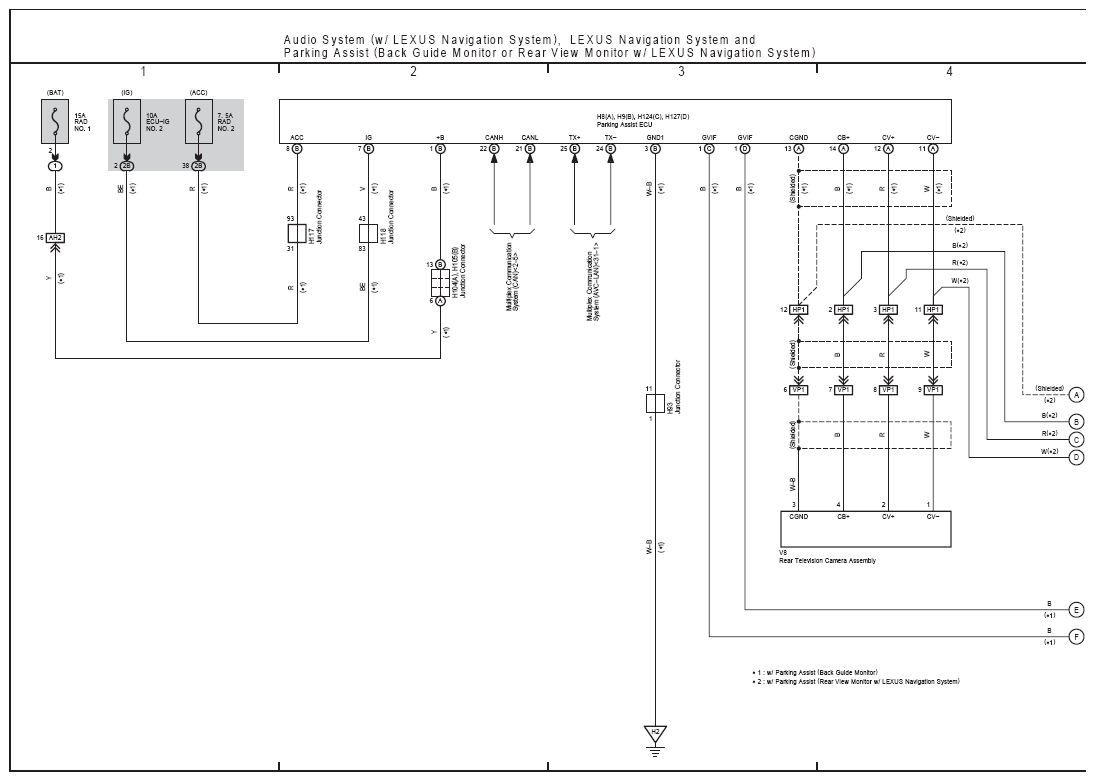
Fig 1: Audio System (W/ Lexus Navigation System), Lexus Navigation System And Parking Assist (Back Guide Monitor Or Rear View Monitor W/ Lexus Navigation System) Electrical Wiring Diagram (1 Of 8)
G08935273Courtesy of © TOYOTA, LICENSE AGREEMENT TMS1002
Fig 2: Audio System (W/ Lexus Navigation System), Lexus Navigation System And Parking Assist (Back Guide Monitor Or Rear View Monitor W/ Lexus Navigation System) Electrical Wiring Diagram (2 Of 8)
G08935274Courtesy of © TOYOTA, LICENSE AGREEMENT TMS1002
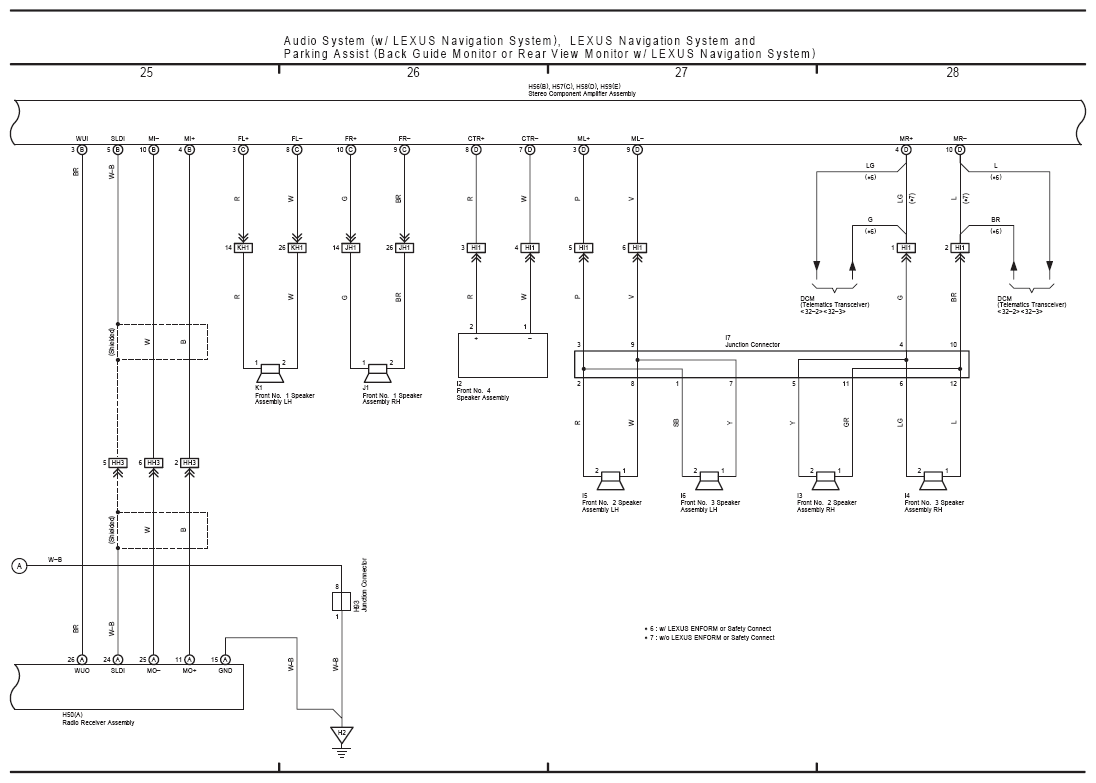
Fig 3: Audio System (W/ Lexus Navigation System), Lexus Navigation System And Parking Assist (Back Guide Monitor Or Rear View Monitor W/ Lexus Navigation System) Electrical Wiring Diagram (3 Of 8)
G08935275Courtesy of © TOYOTA, LICENSE AGREEMENT TMS1002
Fig 4: Audio System (W/ Lexus Navigation System), Lexus Navigation System And Parking Assist (Back Guide Monitor Or Rear View Monitor W/ Lexus Navigation System) Electrical Wiring Diagram (4 Of 8)
G08935276Courtesy of © TOYOTA, LICENSE AGREEMENT TMS1002
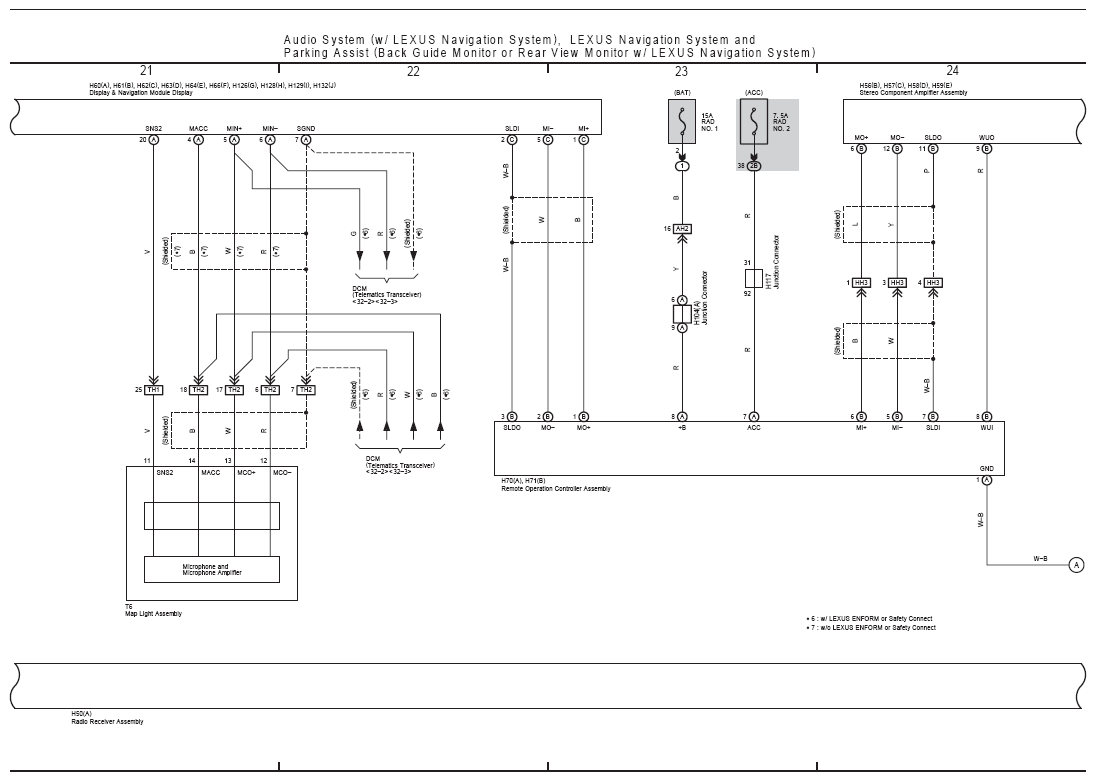
Fig 5: Audio System (W/ Lexus Navigation System), Lexus Navigation System And Parking Assist (Back Guide Monitor Or Rear View Monitor W/ Lexus Navigation System) Electrical Wiring Diagram (5 Of 8)
G08935277Courtesy of © TOYOTA, LICENSE AGREEMENT TMS1002
Fig 6: Audio System (W/ Lexus Navigation System), Lexus Navigation System And Parking Assist (Back Guide Monitor Or Rear View Monitor W/ Lexus Navigation System) Electrical Wiring Diagram (6 Of 8)
G08935278Courtesy of © TOYOTA, LICENSE AGREEMENT TMS1002
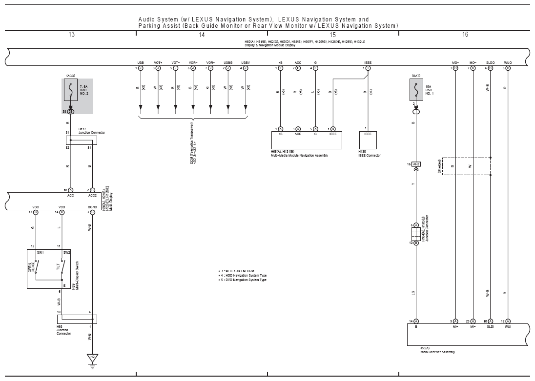
Fig 7: Audio System (W/ Lexus Navigation System), Lexus Navigation System And Parking Assist (Back Guide Monitor Or Rear View Monitor W/ Lexus Navigation System) Electrical Wiring Diagram (7 Of 8)
G08935279Courtesy of © TOYOTA, LICENSE AGREEMENT TMS1002
Fig 8: Audio System (W/ Lexus Navigation System), Lexus Navigation System And Parking Assist (Back Guide Monitor Or Rear View Monitor W/ Lexus Navigation System) Electrical Wiring Diagram (8 Of 8)
G08935280Courtesy of © TOYOTA, LICENSE AGREEMENT TMS1002