LEMON Manuals: Even more car manuals for everyone
Home >> Lexus >> 2011 >> LX 570 >> Repair and Diagnosis >> Accessories & Equipment >> Anti-Theft Systems >> Smart Access System With Push-Button Start (For Start Function) (Diagnostic Codes & Circuit Tests) >> SMART ACCESS SYSTEM WITH PUSH-BUTTON START (for Start Function) >> DTC B2271: Ignition Hold Monitor Malfunction >> Wiring Diagram

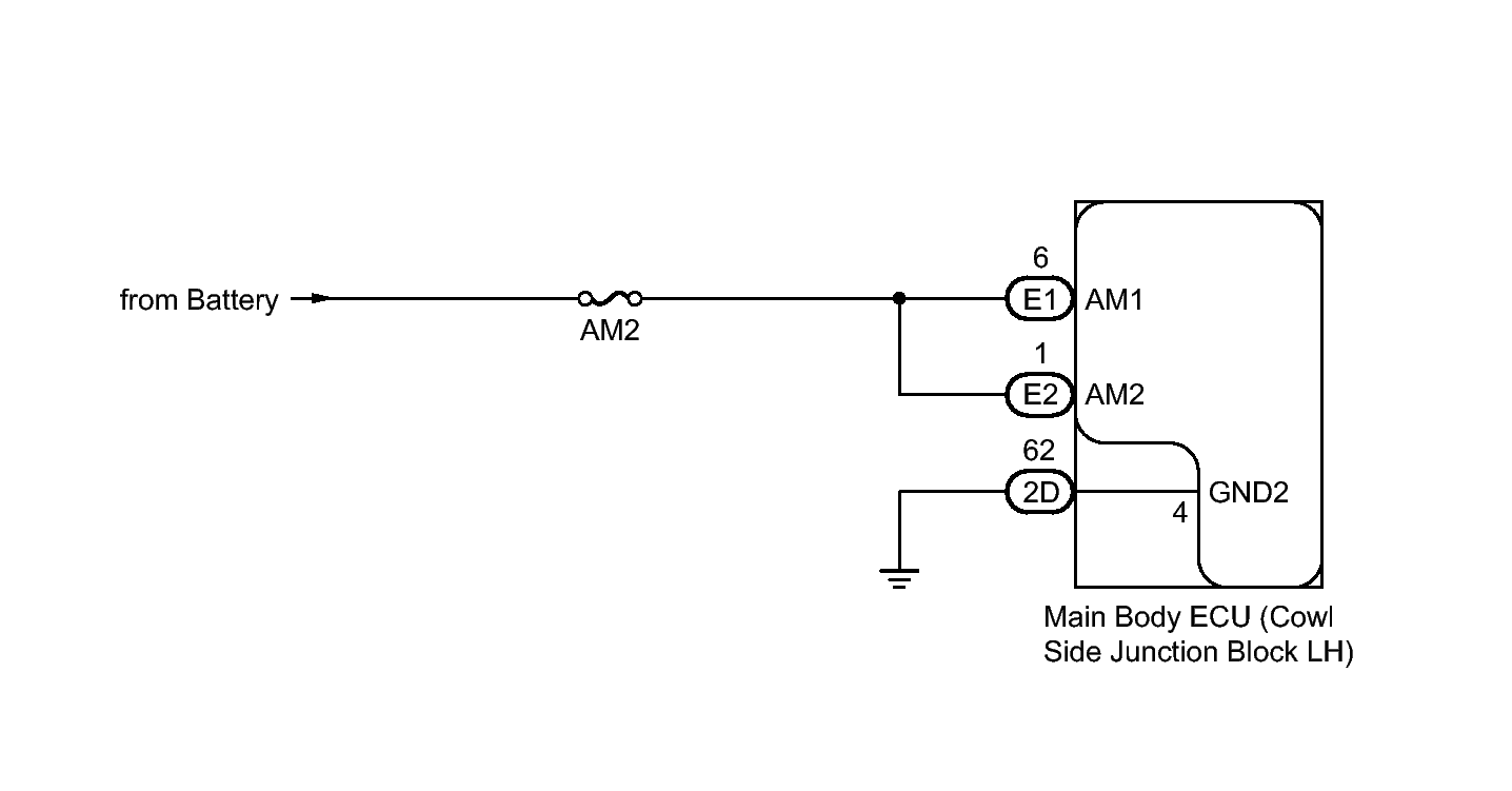
DTC B2271: Ignition Hold Monitor Malfunction: Wiring Diagram

Fig 1: Ignition Hold Monitor Malfunction - Wiring Diagram
GTY149223Courtesy of © TOYOTA, LICENSE AGREEMENT TMS1002