LEMON Manuals: Even more car manuals for everyone
Home >> Lexus >> 2011 >> LX 570 >> Repair and Diagnosis >> Accessories & Equipment >> Anti-Theft Systems >> Smart Access System With Push-Button Start (For Start Function) (Diagnostic Codes & Circuit Tests) >> SMART ACCESS SYSTEM WITH PUSH-BUTTON START (for Start Function) >> Circuit Tests >> Power Source Mode does not Change (08/2010 - 08/2011) >> Wiring Diagram

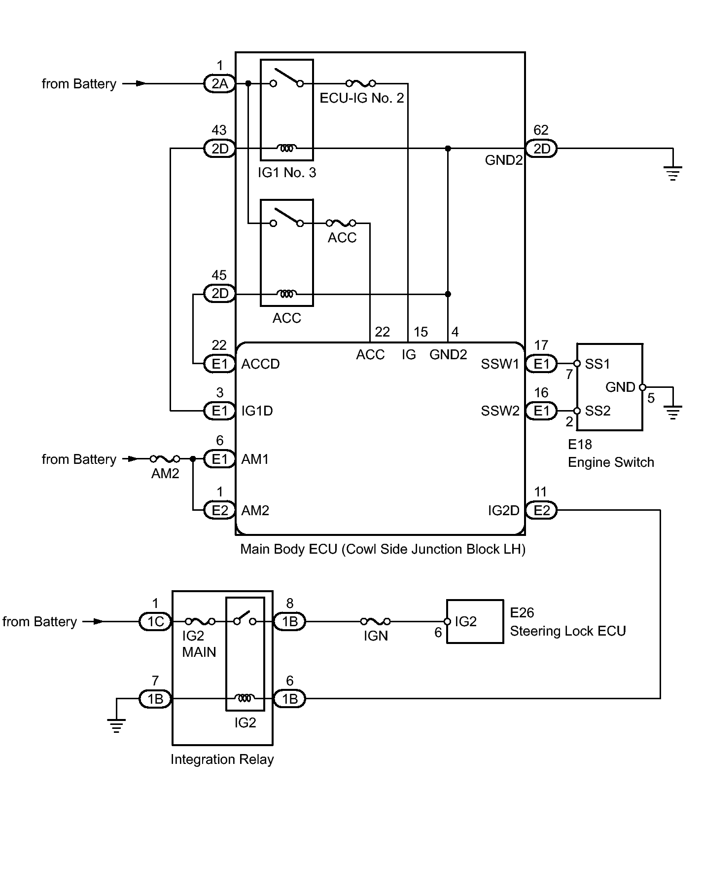
Power Source Mode does not Change (08/2010 - 08/2011): Wiring Diagram

Fig 1: Power Source Mode - Wiring Diagram
GTY360433Courtesy of © TOYOTA, LICENSE AGREEMENT TMS1002