LEMON Manuals: Even more car manuals for everyone
Home >> Lexus >> 2011 >> LS 460 AWD >> Repair and Diagnosis (Single Page) >> Electrical >> Body Electrical >> OEM System Circuits >> Air Conditioning >> Notes

Air Conditioning: Notes

Fig 1: Air Conditioning - Circuit Diagram (1 Of 15)
G07565251Courtesy of © TOYOTA, LICENSE AGREEMENT TMS1002
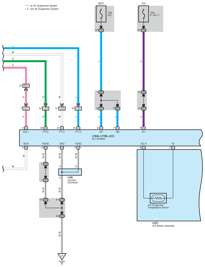
Fig 2: Air Conditioning - Circuit Diagram (2 Of 15)
G07565252Courtesy of © TOYOTA, LICENSE AGREEMENT TMS1002
Fig 3: Air Conditioning - Circuit Diagram (3 Of 15)
G07565253Courtesy of © TOYOTA, LICENSE AGREEMENT TMS1002
Fig 4: Air Conditioning - Circuit Diagram (4 Of 15)
G07565254Courtesy of © TOYOTA, LICENSE AGREEMENT TMS1002
Fig 5: Air Conditioning - Circuit Diagram (5 Of 15)
G07565255Courtesy of © TOYOTA, LICENSE AGREEMENT TMS1002
Fig 6: Air Conditioning - Circuit Diagram (6 Of 15)
G07565256Courtesy of © TOYOTA, LICENSE AGREEMENT TMS1002
Fig 7: Air Conditioning - Circuit Diagram (7 Of 15)
G07565257Courtesy of © TOYOTA, LICENSE AGREEMENT TMS1002
Fig 8: Air Conditioning - Circuit Diagram (8 Of 15)
G07565258Courtesy of © TOYOTA, LICENSE AGREEMENT TMS1002
Fig 9: Air Conditioning - Circuit Diagram (9 Of 15)
G07565259Courtesy of © TOYOTA, LICENSE AGREEMENT TMS1002
Fig 10: Air Conditioning - Circuit Diagram (10 Of 15)
G07565260Courtesy of © TOYOTA, LICENSE AGREEMENT TMS1002
Fig 11: Air Conditioning - Circuit Diagram (11 Of 15)
G07565261Courtesy of © TOYOTA, LICENSE AGREEMENT TMS1002
Fig 12: Air Conditioning - Circuit Diagram (12 Of 15)
G07565262Courtesy of © TOYOTA, LICENSE AGREEMENT TMS1002
Fig 13: Air Conditioning - Circuit Diagram (13 Of 15)
G07565263Courtesy of © TOYOTA, LICENSE AGREEMENT TMS1002
Fig 14: Air Conditioning - Circuit Diagram (14 Of 15)
G07565264Courtesy of © TOYOTA, LICENSE AGREEMENT TMS1002
Fig 15: Air Conditioning - Circuit Diagram (15 Of 15)
G07565265Courtesy of © TOYOTA, LICENSE AGREEMENT TMS1002