LEMON Manuals: Even more car manuals for everyone
Home >> Lexus >> 2011 >> LS 460 AWD >> Repair and Diagnosis (Single Page) >> Accessories & Equipment >> Entertainment Systems >> Electro Multi Vision System (Diagnostic Codes & Circuit Test) >> Electro Multi Vision System >> Circuit Tests >> Steering Pad Switch Circuit >> Wiring Diagram

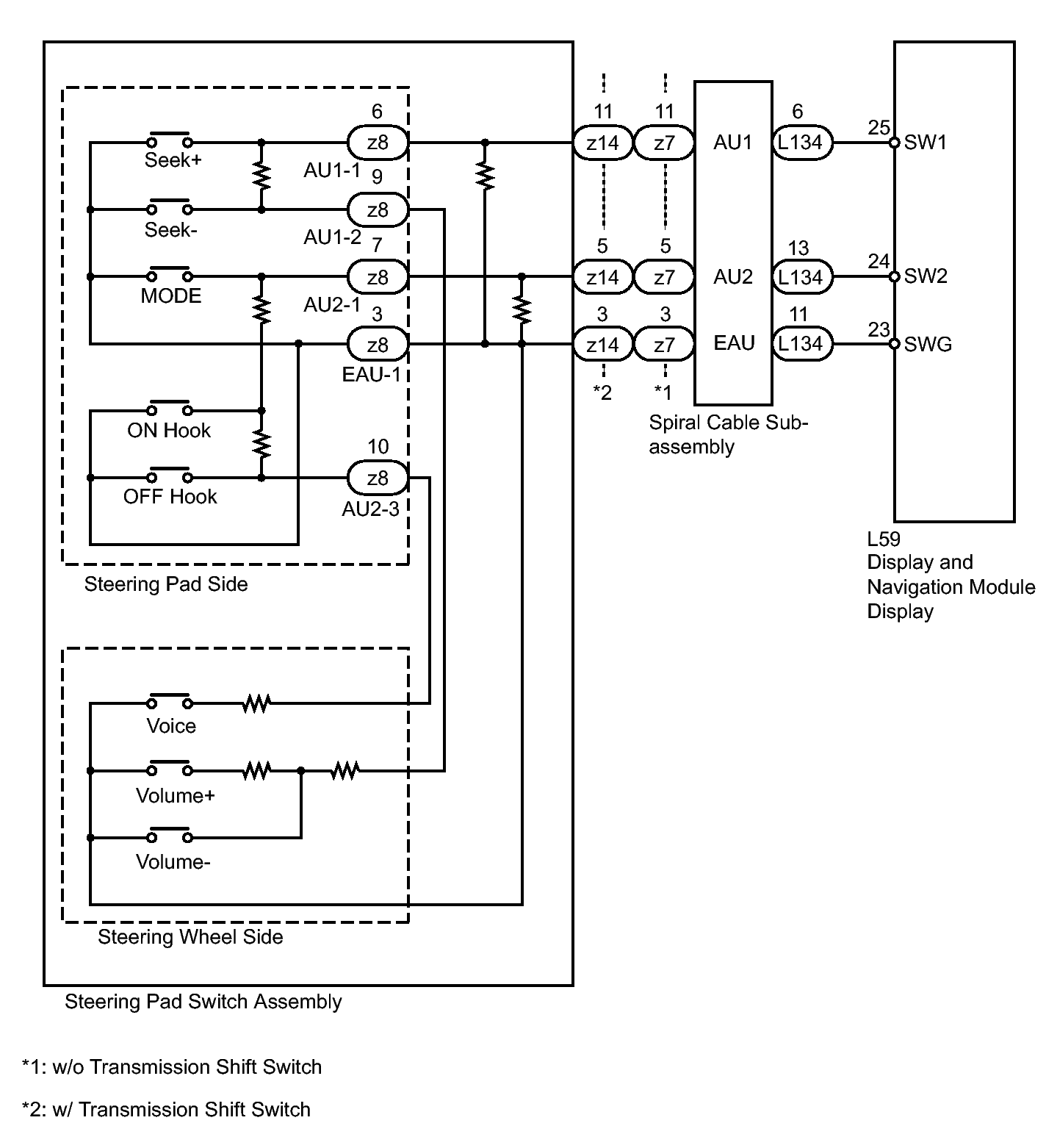
Steering Pad Switch Circuit: Wiring Diagram

Fig 1: Steering Pad Switch Assembly - Wiring Diagram
GTY282443Courtesy of © TOYOTA, LICENSE AGREEMENT TMS1002