LEMON Manuals: Even more car manuals for everyone
Home >> Lexus >> 2011 >> IS F >> Repair and Diagnosis >> External Pages >> Different car >> Section 107 (OEM System Circuits) >> Sliding Roof >> Notes

Sliding Roof: Notes

WARNING: This page is about a different car, the 2010 Lexus IS F. However, it is still accessible from the selected car via links, so may be relevant.
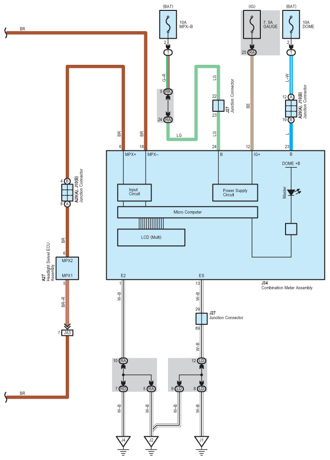
Fig 1: Sliding Roof - Circuit Diagram (1 Of 6)
G07561337Courtesy of © TOYOTA, LICENSE AGREEMENT TMS1002
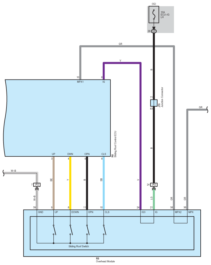
Fig 2: Sliding Roof - Circuit Diagram (2 Of 6)
G07561338Courtesy of © TOYOTA, LICENSE AGREEMENT TMS1002
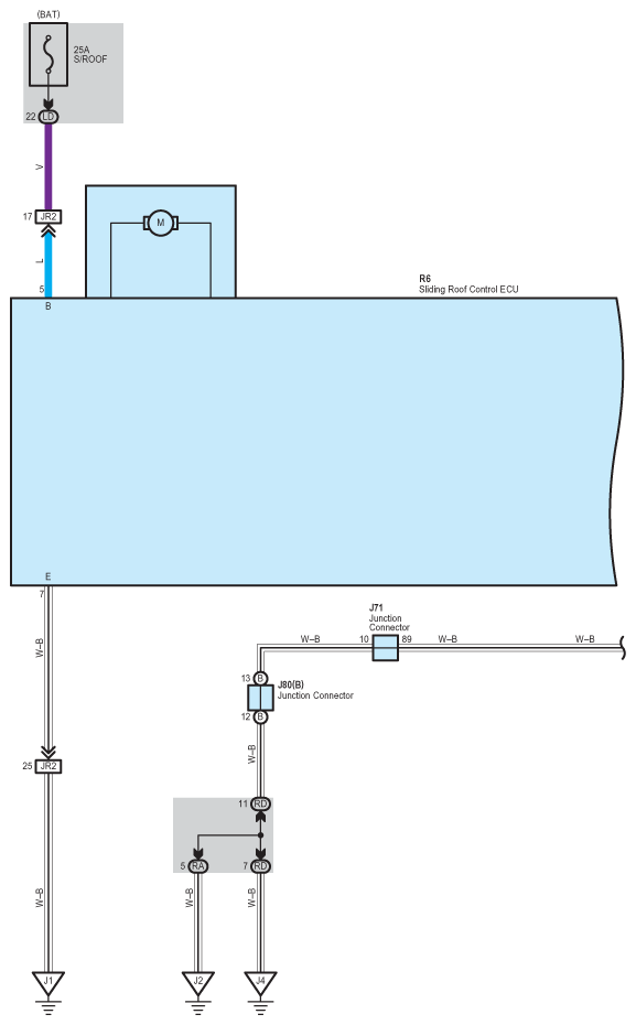
Fig 3: Sliding Roof - Circuit Diagram (3 Of 6)
G07561339Courtesy of © TOYOTA, LICENSE AGREEMENT TMS1002
Fig 4: Sliding Roof - Circuit Diagram (4 Of 6)
G07561340Courtesy of © TOYOTA, LICENSE AGREEMENT TMS1002
Fig 5: Sliding Roof - Circuit Diagram (5 Of 6)
G07561341Courtesy of © TOYOTA, LICENSE AGREEMENT TMS1002
Fig 6: Sliding Roof - Circuit Diagram (6 Of 6)
G07561342Courtesy of © TOYOTA, LICENSE AGREEMENT TMS1002