LEMON Manuals: Even more car manuals for everyone
Home >> Lexus >> 2011 >> IS F >> Repair and Diagnosis >> External Pages >> Different car >> Section 107 (OEM System Circuits) >> Interior Light >> Notes

Interior Light: Notes

WARNING: This page is about a different car, the 2010 Lexus IS F. However, it is still accessible from the selected car via links, so may be relevant.
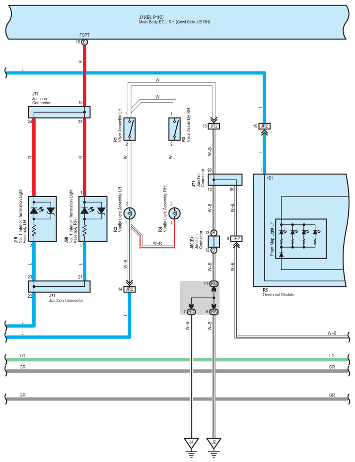
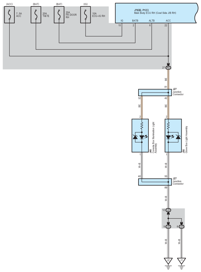
Fig 1: Interior Light - Circuit Diagram (1 Of 11)
G07561192Courtesy of © TOYOTA, LICENSE AGREEMENT TMS1002
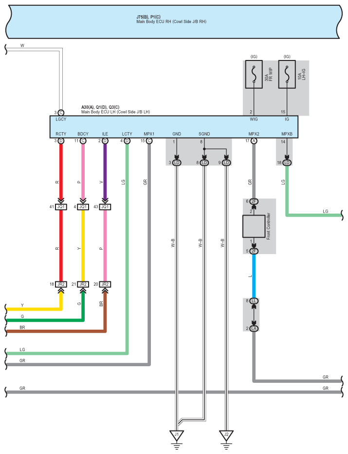
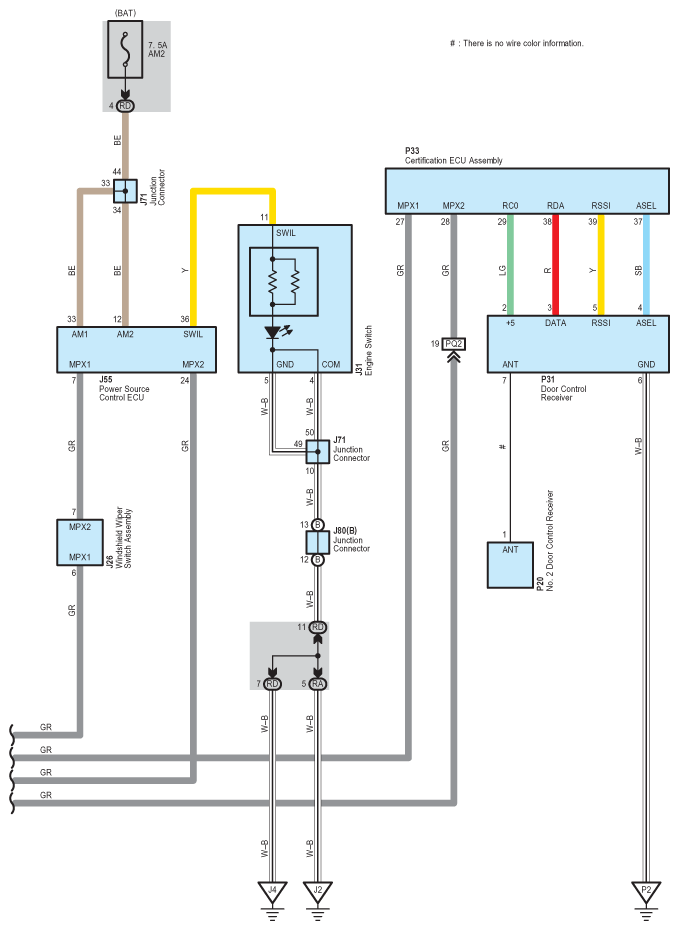
Fig 2: Interior Light - Circuit Diagram (2 Of 11)
G07561193Courtesy of © TOYOTA, LICENSE AGREEMENT TMS1002
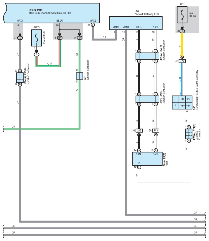
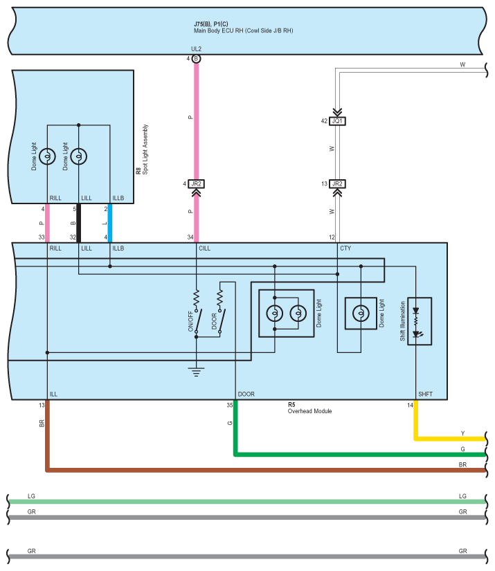
Fig 3: Interior Light - Circuit Diagram (3 Of 11)
G07561194Courtesy of © TOYOTA, LICENSE AGREEMENT TMS1002
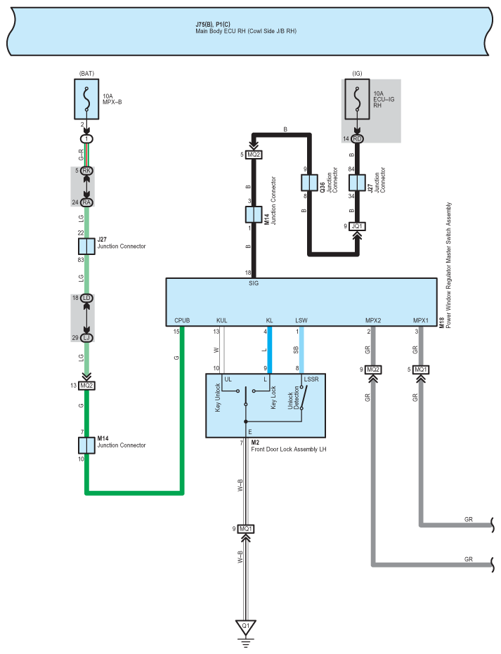
Fig 4: Interior Light - Circuit Diagram (4 Of 11)
G07561195Courtesy of © TOYOTA, LICENSE AGREEMENT TMS1002
Fig 5: Interior Light - Circuit Diagram (5 Of 11)
G07561196Courtesy of © TOYOTA, LICENSE AGREEMENT TMS1002
Fig 6: Interior Light - Circuit Diagram (6 Of 11)
G07561197Courtesy of © TOYOTA, LICENSE AGREEMENT TMS1002
Fig 7: Interior Light - Circuit Diagram (7 Of 11)
G07561198Courtesy of © TOYOTA, LICENSE AGREEMENT TMS1002
Fig 8: Interior Light - Circuit Diagram (8 Of 11)
G07561199Courtesy of © TOYOTA, LICENSE AGREEMENT TMS1002
Fig 9: Interior Light - Circuit Diagram (9 Of 11)
G07561200Courtesy of © TOYOTA, LICENSE AGREEMENT TMS1002
Fig 10: Interior Light - Circuit Diagram (10 Of 11)
G07561201Courtesy of © TOYOTA, LICENSE AGREEMENT TMS1002
Fig 11: Interior Light - Circuit Diagram (11 Of 11)
G07561202Courtesy of © TOYOTA, LICENSE AGREEMENT TMS1002