LEMON Manuals: Even more car manuals for everyone
Home >> Lexus >> 2011 >> IS F >> Repair and Diagnosis >> External Pages >> Different car >> Section 107 (OEM System Circuits) >> Engine Control, Electronically Controlled Transmission and A/T Indicator >> Notes

Engine Control, Electronically Controlled Transmission and A/T Indicator: Notes

WARNING: This page is about a different car, the 2010 Lexus IS F. However, it is still accessible from the selected car via links, so may be relevant.
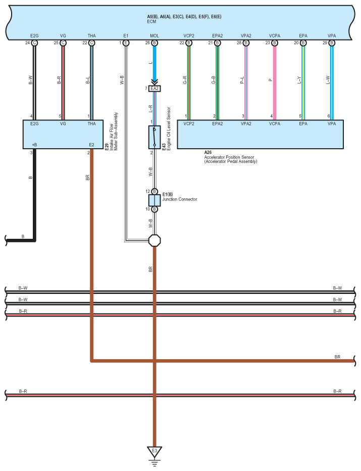
Fig 1: Engine Control, Electronically Controlled Transmission And A/T Indicator - Circuit Diagram (1 Of 30)
G07561147Courtesy of © TOYOTA, LICENSE AGREEMENT TMS1002
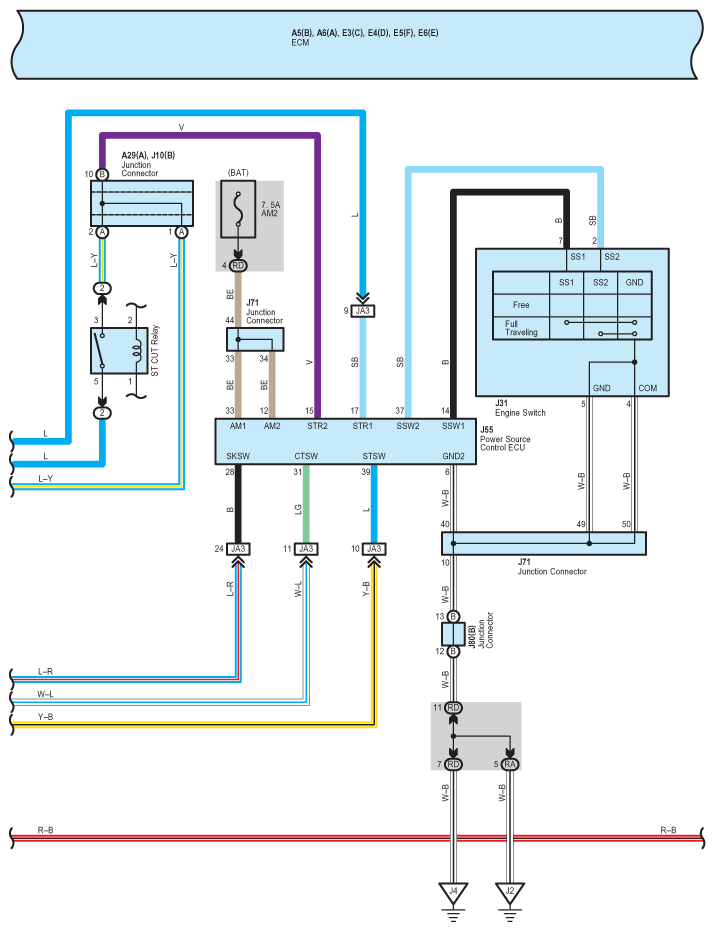
Fig 2: Engine Control, Electronically Controlled Transmission And A/T Indicator - Circuit Diagram (2 Of 30)
G07561148Courtesy of © TOYOTA, LICENSE AGREEMENT TMS1002
Fig 3: Engine Control, Electronically Controlled Transmission And A/T Indicator - Circuit Diagram (3 Of 30)
G07561149Courtesy of © TOYOTA, LICENSE AGREEMENT TMS1002
Fig 4: Engine Control, Electronically Controlled Transmission And A/T Indicator - Circuit Diagram (4 Of 30)
G07561150Courtesy of © TOYOTA, LICENSE AGREEMENT TMS1002
Fig 5: Engine Control, Electronically Controlled Transmission And A/T Indicator - Circuit Diagram (5 Of 30)
G07561151Courtesy of © TOYOTA, LICENSE AGREEMENT TMS1002
Fig 6: Engine Control, Electronically Controlled Transmission And A/T Indicator - Circuit Diagram (6 Of 30)
G07561152Courtesy of © TOYOTA, LICENSE AGREEMENT TMS1002
Fig 7: Engine Control, Electronically Controlled Transmission And A/T Indicator - Circuit Diagram (7 Of 30)
G07561153Courtesy of © TOYOTA, LICENSE AGREEMENT TMS1002
Fig 8: Engine Control, Electronically Controlled Transmission And A/T Indicator - Circuit Diagram (8 Of 30)
G07561154Courtesy of © TOYOTA, LICENSE AGREEMENT TMS1002
Fig 9: Engine Control, Electronically Controlled Transmission And A/T Indicator - Circuit Diagram (9 Of 30)
G07561155Courtesy of © TOYOTA, LICENSE AGREEMENT TMS1002
Fig 10: Engine Control, Electronically Controlled Transmission And A/T Indicator - Circuit Diagram (10 Of 30)
G07561156Courtesy of © TOYOTA, LICENSE AGREEMENT TMS1002
Fig 11: Engine Control, Electronically Controlled Transmission And A/T Indicator - Circuit Diagram (11 Of 30)
G07561157Courtesy of © TOYOTA, LICENSE AGREEMENT TMS1002
Fig 12: Engine Control, Electronically Controlled Transmission And A/T Indicator - Circuit Diagram (12 Of 30)
G07561158Courtesy of © TOYOTA, LICENSE AGREEMENT TMS1002
Fig 13: Engine Control, Electronically Controlled Transmission And A/T Indicator - Circuit Diagram (13 Of 30)
G07561159Courtesy of © TOYOTA, LICENSE AGREEMENT TMS1002
Fig 14: Engine Control, Electronically Controlled Transmission And A/T Indicator - Circuit Diagram (14 Of 30)
G07561160Courtesy of © TOYOTA, LICENSE AGREEMENT TMS1002
Fig 15: Engine Control, Electronically Controlled Transmission And A/T Indicator - Circuit Diagram (15 Of 30)
G07561161Courtesy of © TOYOTA, LICENSE AGREEMENT TMS1002
Fig 16: Engine Control, Electronically Controlled Transmission And A/T Indicator - Circuit Diagram (16 Of 30)
G07561162Courtesy of © TOYOTA, LICENSE AGREEMENT TMS1002
Fig 17: Engine Control, Electronically Controlled Transmission And A/T Indicator - Circuit Diagram (17 Of 30)
G07561163Courtesy of © TOYOTA, LICENSE AGREEMENT TMS1002
Fig 18: Engine Control, Electronically Controlled Transmission And A/T Indicator - Circuit Diagram (18 Of 30)
G07561164Courtesy of © TOYOTA, LICENSE AGREEMENT TMS1002
Fig 19: Engine Control, Electronically Controlled Transmission And A/T Indicator - Circuit Diagram (19 Of 30)
G07561165Courtesy of © TOYOTA, LICENSE AGREEMENT TMS1002
Fig 20: Engine Control, Electronically Controlled Transmission And A/T Indicator - Circuit Diagram (20 Of 30)
G07561166Courtesy of © TOYOTA, LICENSE AGREEMENT TMS1002
Fig 21: Engine Control, Electronically Controlled Transmission And A/T Indicator - Circuit Diagram (21 Of 30)
G07561167Courtesy of © TOYOTA, LICENSE AGREEMENT TMS1002
Fig 22: Engine Control, Electronically Controlled Transmission And A/T Indicator - Circuit Diagram (22 Of 30)
G07561168Courtesy of © TOYOTA, LICENSE AGREEMENT TMS1002
Fig 23: Engine Control, Electronically Controlled Transmission And A/T Indicator - Circuit Diagram (23 Of 30)
G07561169Courtesy of © TOYOTA, LICENSE AGREEMENT TMS1002
Fig 24: Engine Control, Electronically Controlled Transmission And A/T Indicator - Circuit Diagram (24 Of 30)
G07561170Courtesy of © TOYOTA, LICENSE AGREEMENT TMS1002
Fig 25: Engine Control, Electronically Controlled Transmission And A/T Indicator - Circuit Diagram (25 Of 30)
G07561171Courtesy of © TOYOTA, LICENSE AGREEMENT TMS1002
Fig 26: Engine Control, Electronically Controlled Transmission And A/T Indicator - Circuit Diagram (26 Of 30)
G07561172Courtesy of © TOYOTA, LICENSE AGREEMENT TMS1002
Fig 27: Engine Control, Electronically Controlled Transmission And A/T Indicator - Circuit Diagram (27 Of 30)
G07561173Courtesy of © TOYOTA, LICENSE AGREEMENT TMS1002
Fig 28: Engine Control, Electronically Controlled Transmission And A/T Indicator - Circuit Diagram (28 Of 30)
G07561174Courtesy of © TOYOTA, LICENSE AGREEMENT TMS1002
Fig 29: Engine Control, Electronically Controlled Transmission And A/T Indicator - Circuit Diagram (29 Of 30)
G07561175Courtesy of © TOYOTA, LICENSE AGREEMENT TMS1002
Fig 30: Engine Control, Electronically Controlled Transmission And A/T Indicator - Circuit Diagram (30 Of 30)
G07561176Courtesy of © TOYOTA, LICENSE AGREEMENT TMS1002