LEMON Manuals: Even more car manuals for everyone
Home >> Lexus >> 2011 >> IS F >> Repair and Diagnosis >> External Pages >> Different car >> Section 107 (OEM System Circuits) >> Data Link Connector 3 >> Notes

Data Link Connector 3: Notes

WARNING: This page is about a different car, the 2010 Lexus IS F. However, it is still accessible from the selected car via links, so may be relevant.
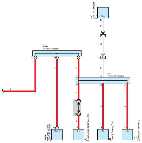
Fig 1: Data Link Connector 3 - Circuit Diagram (1 Of 2)
G07561177Courtesy of © TOYOTA, LICENSE AGREEMENT TMS1002
Fig 2: Data Link Connector 3 - Circuit Diagram (2 Of 2)
G07561178Courtesy of © TOYOTA, LICENSE AGREEMENT TMS1002