LEMON Manuals: Even more car manuals for everyone
Home >> Lexus >> 2011 >> IS F >> Repair and Diagnosis >> External Pages >> Different car >> Section 107 (OEM System Circuits) >> Clock >> Notes

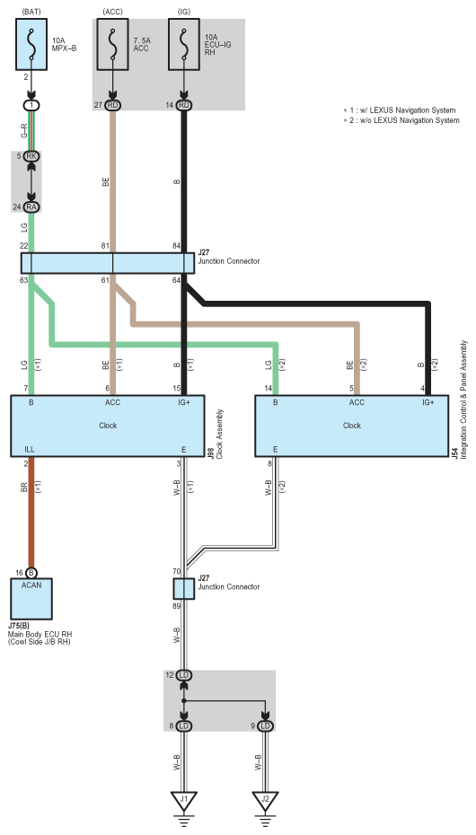
Section 107 (OEM System Circuits): Clock: Notes

WARNING: This page is about a different car, the 2010 Lexus IS F. However, it is still accessible from the selected car via links, so may be relevant.
Fig 1: Clock - Circuit Diagram
G07561376Courtesy of © TOYOTA, LICENSE AGREEMENT TMS1002