LEMON Manuals: Even more car manuals for everyone
Home >> Lexus >> 2011 >> IS F >> Repair and Diagnosis >> Engine Performance >> Engine Control Systems >> Engine Control System (Service Information) >> Integration Relay >> Inspection >> Inspection

Integration Relay: Inspection: Inspection

  1. INSPECT INTEGRATION RELAY 
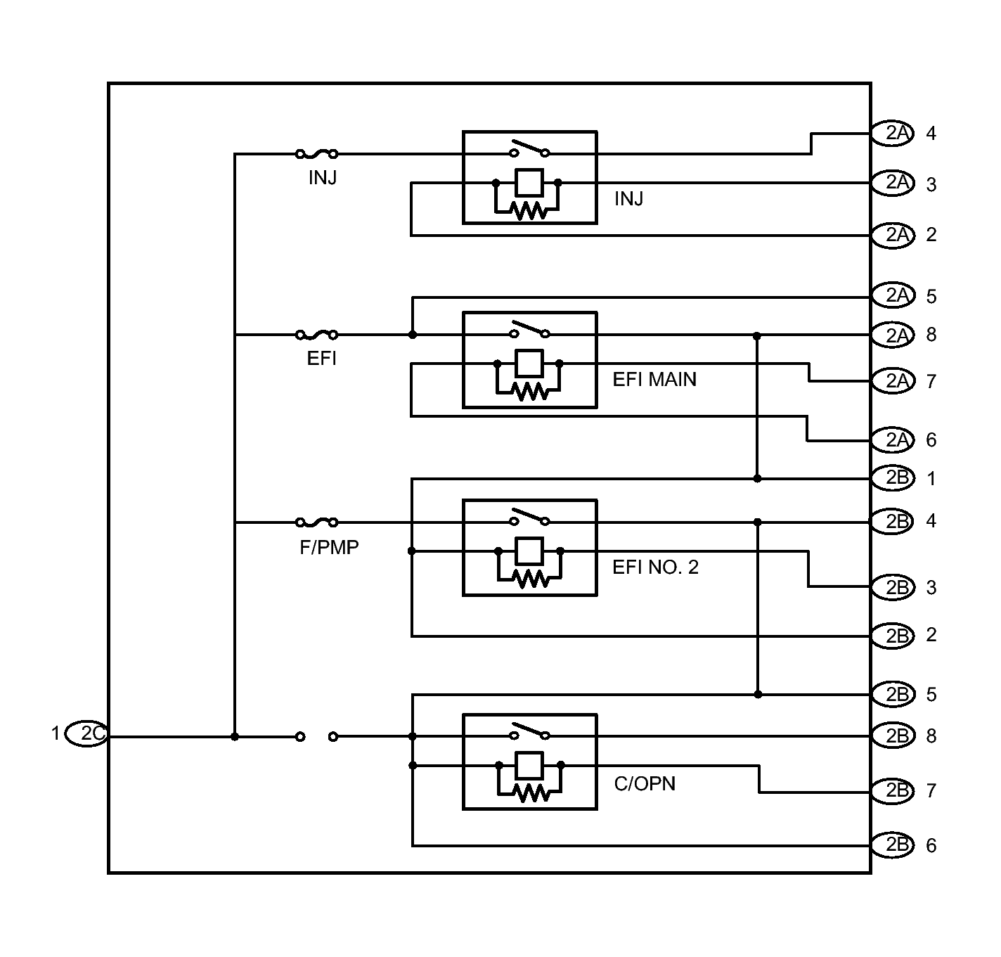
    Fig 1: Integration Relay - Circuit Diagram
    GTY122122Courtesy of © TOYOTA, LICENSE AGREEMENT TMS1002
    1. EFI MAIN relay:
      1. Measure the resistance according to the value(s) in the table below.
        Fig 2: Identifying C/OPN Relay Terminal
        GTY143908Courtesy of © TOYOTA, LICENSE AGREEMENT TMS1002

        Standard Resistance

        Tester Connection Condition Specified Condition
        Integration relay (2C-1) - Integration relay (2A-8) No battery voltage is applied across terminals 2A-6 and 2A-7 10 kΩ or higher
        Integration relay (2C-1) - Integration relay (2A-8) Battery voltage is applied across terminals 2A-6 and 2A-7 Below 1 Ω

        If the resistance is not as specified, replace the integration relay.

    2. EFI No. 2 relay:
      1. Measure the resistance according to the value(s) in the table below.
        Fig 3: Identifying C/OPN Relay Terminal
        GTY143908Courtesy of © TOYOTA, LICENSE AGREEMENT TMS1002

        Standard Resistance

        Tester Connection Condition Specified Condition
        Integration relay (2C-1) - Integration relay (2B-4) No battery voltage is applied across terminals 2B-2 and 2B-3 10 kΩ or higher
        Integration relay (1C-1) - Integration relay (2B-4) Battery voltage is applied across terminals 2B-2 and 2B-3 Below 1 Ω

        If the resistance is not as specified, replace the integration relay.

    3. INJ relay:
      1. Measure the resistance according to the value(s) in the table below.
        Fig 4: Identifying C/OPN Relay Terminal
        GTY143908Courtesy of © TOYOTA, LICENSE AGREEMENT TMS1002

        Standard Resistance

        Tester Connection Condition Specified Condition
        Integration relay (2C-1) - Integration relay (2A-4) No battery voltage is applied across terminals 2A-2 and 2A-3 10 kΩ or higher
        Integration relay (2C-1) - Integration relay (2A-4) Battery voltage is applied across terminals 2A-2 and 2A-3 Below 1 Ω

        If the resistance is not as specified, replace the integration relay.

    4. C/OPN relay:
      1. Measure the resistance according to the value(s) in the table below.
        Fig 5: Identifying C/OPN Relay Terminal
        GTY143908Courtesy of © TOYOTA, LICENSE AGREEMENT TMS1002

        Standard Resistance

        Tester Connection Condition Specified Condition
        Integration relay (2B-5) - Integration relay (2B-8) No battery voltage is applied across terminals 2B-6 and 2B-7. 10 kΩ or higher
        Integration relay (2B-5) - Integration relay (2B-8) Battery voltage is applied across terminals 2B-6 and 2B-7. Below 1 Ω

        If the resistance is not as specified, replace the integration relay.