LEMON Manuals: Even more car manuals for everyone
Home >> Lexus >> 2011 >> IS F >> Repair and Diagnosis >> Electrical >> Body Electrical >> OEM System Circuits >> EPS >> Notes

OEM System Circuits: EPS: Notes

Fig 1: EPS - Circuit Diagram (1 Of 4)
G07580120Courtesy of © TOYOTA, LICENSE AGREEMENT TMS1002
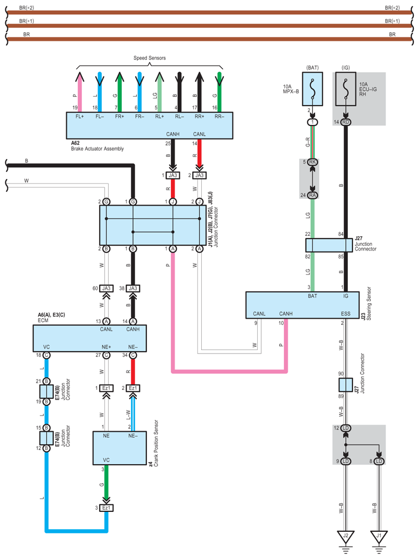
Fig 2: EPS - Circuit Diagram (2 Of 4)
G07580121Courtesy of © TOYOTA, LICENSE AGREEMENT TMS1002
Fig 3: EPS - Circuit Diagram (3 Of 4)
G07580122Courtesy of © TOYOTA, LICENSE AGREEMENT TMS1002
Fig 4: EPS - Circuit Diagram (4 Of 4)
G07580123Courtesy of © TOYOTA, LICENSE AGREEMENT TMS1002