LEMON Manuals: Even more car manuals for everyone
Home >> Lexus >> 2011 >> IS F >> Repair and Diagnosis >> Electrical >> Body Electrical >> OEM System Circuits >> Data Link Connector 3 >> Notes

Data Link Connector 3: Notes

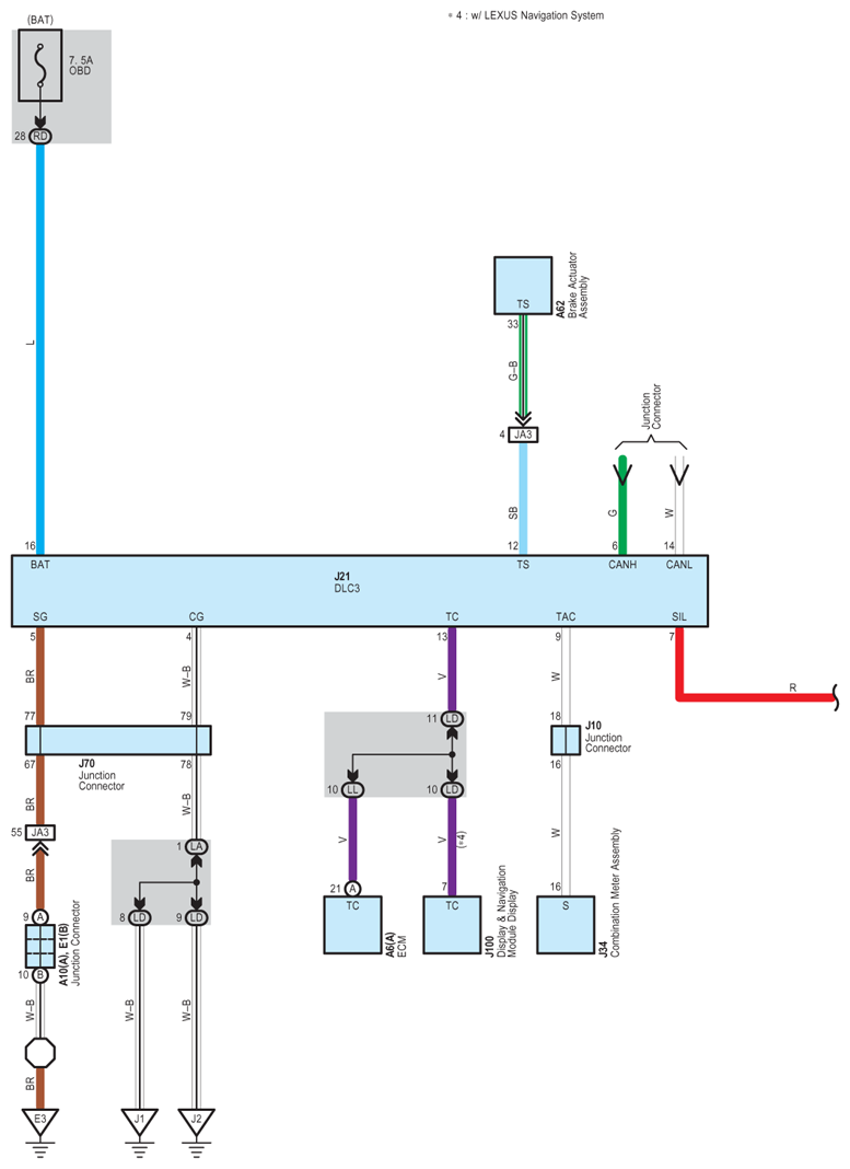
Fig 1: Data Link Connector 3 - Circuit Diagram (1 Of 2)
G07579989Courtesy of © TOYOTA, LICENSE AGREEMENT TMS1002
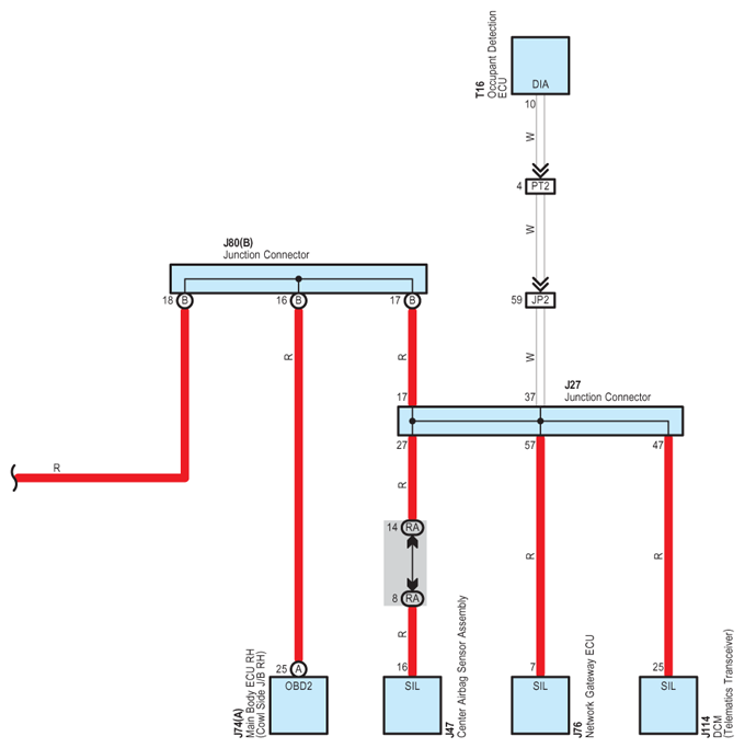
Fig 2: Data Link Connector 3 - Circuit Diagram (2 Of 2)
G07579990Courtesy of © TOYOTA, LICENSE AGREEMENT TMS1002