LEMON Manuals: Even more car manuals for everyone
Home >> Lexus >> 2011 >> IS 250 Base, AWD >> Repair and Diagnosis >> External Pages >> Different car >> Section 107 (OEM System Circuits) >> Taillight >> Notes

Section 107 (OEM System Circuits): Taillight: Notes

WARNING: This page is about a different car, the 2010 Lexus IS 350 and 2010 Lexus IS 250. However, it is still accessible from the selected car via links, so may be relevant.
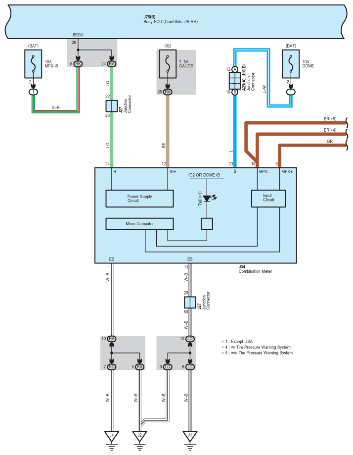
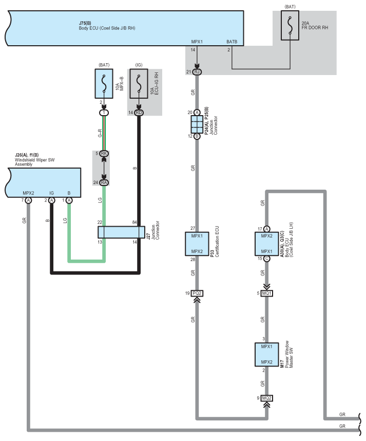
Fig 1: Taillight - Circuit Diagram (1 Of 8)
G07559033Courtesy of © TOYOTA, LICENSE AGREEMENT TMS1002
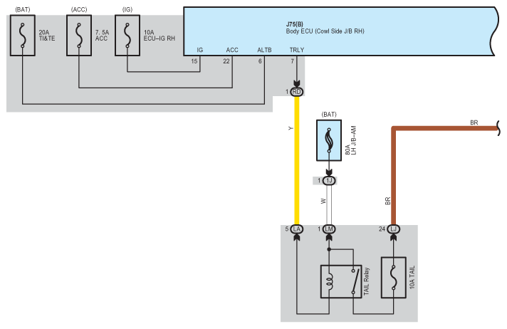
Fig 2: Taillight - Circuit Diagram (2 Of 8)
G07559034Courtesy of © TOYOTA, LICENSE AGREEMENT TMS1002
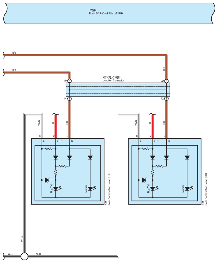
Fig 3: Taillight - Circuit Diagram (3 Of 8)
G07559035Courtesy of © TOYOTA, LICENSE AGREEMENT TMS1002
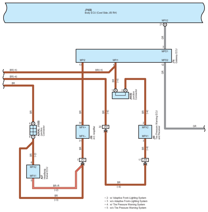
Fig 4: Taillight - Circuit Diagram (4 Of 8)
G07559036Courtesy of © TOYOTA, LICENSE AGREEMENT TMS1002
Fig 5: Taillight - Circuit Diagram (5 Of 8)
G07559037Courtesy of © TOYOTA, LICENSE AGREEMENT TMS1002
Fig 6: Taillight - Circuit Diagram (6 Of 8)
G07559038Courtesy of © TOYOTA, LICENSE AGREEMENT TMS1002
Fig 7: Taillight - Circuit Diagram (7 Of 8)
G07559039Courtesy of © TOYOTA, LICENSE AGREEMENT TMS1002
Fig 8: Taillight - Circuit Diagram (8 Of 8)
G07559040Courtesy of © TOYOTA, LICENSE AGREEMENT TMS1002