LEMON Manuals: Even more car manuals for everyone
Home >> Lexus >> 2011 >> IS 250 Base, AWD >> Repair and Diagnosis >> External Pages >> Different car >> Section 107 (OEM System Circuits) >> Power Window >> Notes

Power Window: Notes

WARNING: This page is about a different car, the 2010 Lexus IS 350 and 2010 Lexus IS 250. However, it is still accessible from the selected car via links, so may be relevant.
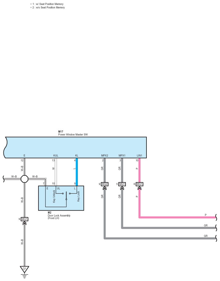
Fig 1: Power Window - Circuit Diagram (1 Of 6)
G07559073Courtesy of © TOYOTA, LICENSE AGREEMENT TMS1002
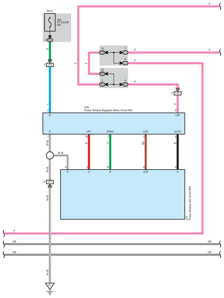
Fig 2: Power Window - Circuit Diagram (2 Of 6)
G07559074Courtesy of © TOYOTA, LICENSE AGREEMENT TMS1002
Fig 3: Power Window - Circuit Diagram (3 Of 6)
G07559075Courtesy of © TOYOTA, LICENSE AGREEMENT TMS1002
Fig 4: Power Window - Circuit Diagram (4 Of 6)
G07559076Courtesy of © TOYOTA, LICENSE AGREEMENT TMS1002
Fig 5: Power Window - Circuit Diagram (5 Of 6)
G07559077Courtesy of © TOYOTA, LICENSE AGREEMENT TMS1002
Fig 6: Power Window - Circuit Diagram (6 Of 6)
G07559078Courtesy of © TOYOTA, LICENSE AGREEMENT TMS1002