LEMON Manuals: Even more car manuals for everyone
Home >> Lexus >> 2011 >> IS 250 Base, AWD >> Repair and Diagnosis >> External Pages >> Different car >> Section 107 (OEM System Circuits) >> Power Tilt and Power Telescopic >> Notes

Power Tilt and Power Telescopic: Notes

WARNING: This page is about a different car, the 2010 Lexus IS 350 and 2010 Lexus IS 250. However, it is still accessible from the selected car via links, so may be relevant.
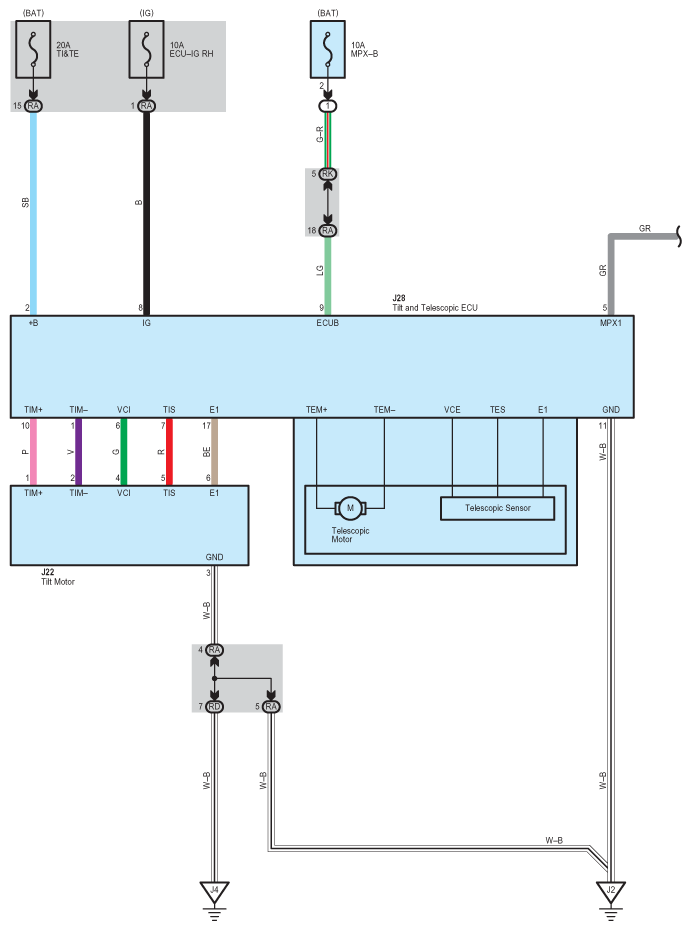
Fig 1: Power Tilt And Power Telescopic - Circuit Diagram (1 Of 6)
G07559190Courtesy of © TOYOTA, LICENSE AGREEMENT TMS1002
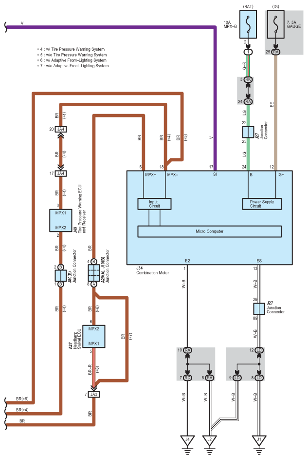
Fig 2: Power Tilt And Power Telescopic - Circuit Diagram (2 Of 6)
G07559191Courtesy of © TOYOTA, LICENSE AGREEMENT TMS1002
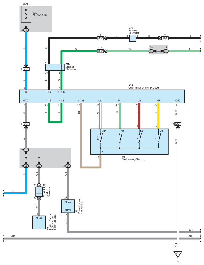
Fig 3: Power Tilt And Power Telescopic - Circuit Diagram (3 Of 6)
G07559192Courtesy of © TOYOTA, LICENSE AGREEMENT TMS1002
Fig 4: Power Tilt And Power Telescopic - Circuit Diagram (4 Of 6)
G07559193Courtesy of © TOYOTA, LICENSE AGREEMENT TMS1002
Fig 5: Power Tilt And Power Telescopic - Circuit Diagram (5 Of 6)
G07559194Courtesy of © TOYOTA, LICENSE AGREEMENT TMS1002
Fig 6: Power Tilt And Power Telescopic - Circuit Diagram (6 Of 6)
G07559195Courtesy of © TOYOTA, LICENSE AGREEMENT TMS1002