LEMON Manuals: Even more car manuals for everyone
Home >> Lexus >> 2011 >> IS 250 Base, AWD >> Repair and Diagnosis >> External Pages >> Different car >> Section 107 (OEM System Circuits) >> Power Source >> Notes

Power Source: Notes

WARNING: This page is about a different car, the 2010 Lexus IS 350 and 2010 Lexus IS 250. However, it is still accessible from the selected car via links, so may be relevant.
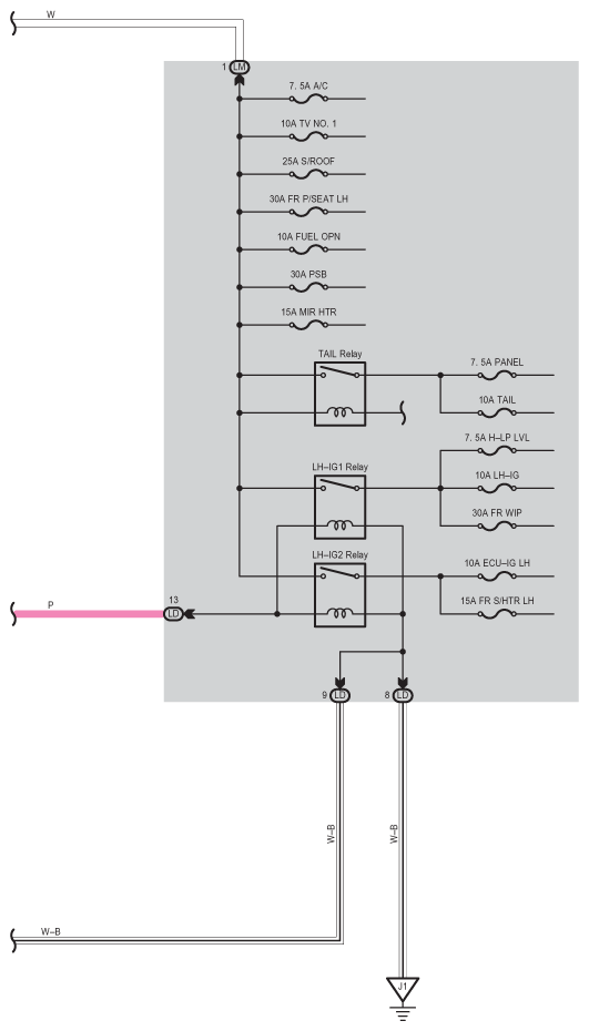
Fig 1: Power Source - Circuit Diagram (1 Of 5)
G07558928Courtesy of © TOYOTA, LICENSE AGREEMENT TMS1002
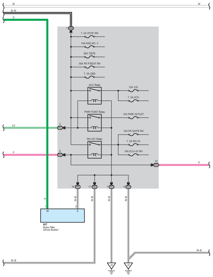
Fig 2: Power Source - Circuit Diagram (2 Of 5)
G07558929Courtesy of © TOYOTA, LICENSE AGREEMENT TMS1002
Fig 3: Power Source - Circuit Diagram (3 Of 5)
G07558930Courtesy of © TOYOTA, LICENSE AGREEMENT TMS1002
Fig 4: Power Source - Circuit Diagram (4 Of 5)
G07558931Courtesy of © TOYOTA, LICENSE AGREEMENT TMS1002
Fig 5: Power Source - Circuit Diagram (5 Of 5)
G07558932Courtesy of © TOYOTA, LICENSE AGREEMENT TMS1002