LEMON Manuals: Even more car manuals for everyone
Home >> Lexus >> 2011 >> IS 250 Base, AWD >> Repair and Diagnosis >> External Pages >> Different car >> Section 107 (OEM System Circuits) >> Ignition (2GR-FSE) >> Notes

Ignition (2GR-FSE): Notes

WARNING: This page is about a different car, the 2010 Lexus IS 350 and 2010 Lexus IS 250. However, it is still accessible from the selected car via links, so may be relevant.
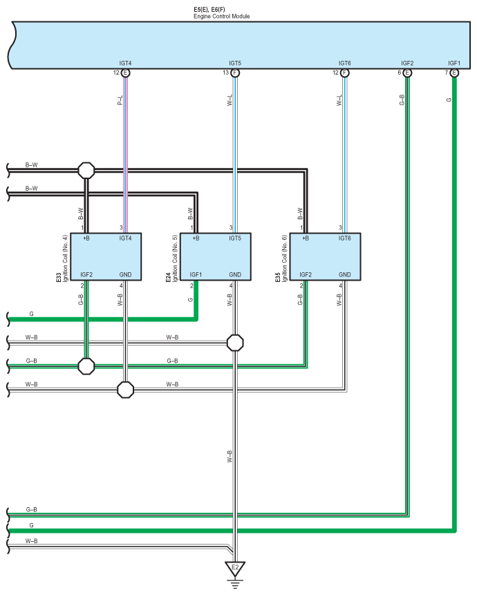
Fig 1: Ignition (2GR-FSE) - Circuit Diagram (1 Of 2)
G07558953Courtesy of © TOYOTA, LICENSE AGREEMENT TMS1002
Fig 2: Ignition (2GR-FSE) - Circuit Diagram (2 Of 2)
G07558954Courtesy of © TOYOTA, LICENSE AGREEMENT TMS1002