LEMON Manuals: Even more car manuals for everyone
Home >> Lexus >> 2011 >> IS 250 Base, AWD >> Repair and Diagnosis >> External Pages >> Different car >> Section 107 (OEM System Circuits) >> Engine Control (4GR-FSE) >> Notes

Engine Control (4GR-FSE): Notes

WARNING: This page is about a different car, the 2010 Lexus IS 350 and 2010 Lexus IS 250. However, it is still accessible from the selected car via links, so may be relevant.
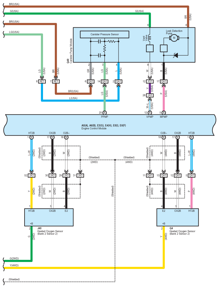
Fig 1: Engine Control (4GR-FSE) - Circuit Diagram (1 Of 17)
G07558975Courtesy of © TOYOTA, LICENSE AGREEMENT TMS1002
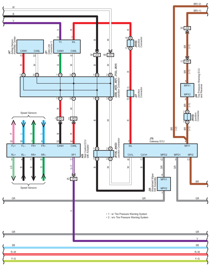
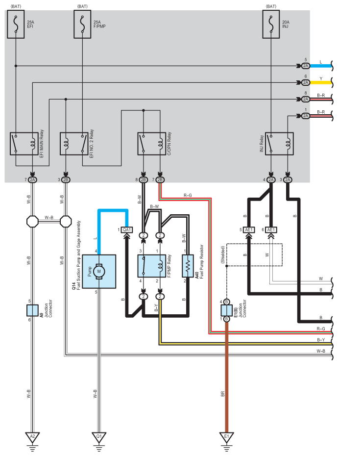
Fig 2: Engine Control (4GR-FSE) - Circuit Diagram (2 Of 17)
G07558976Courtesy of © TOYOTA, LICENSE AGREEMENT TMS1002
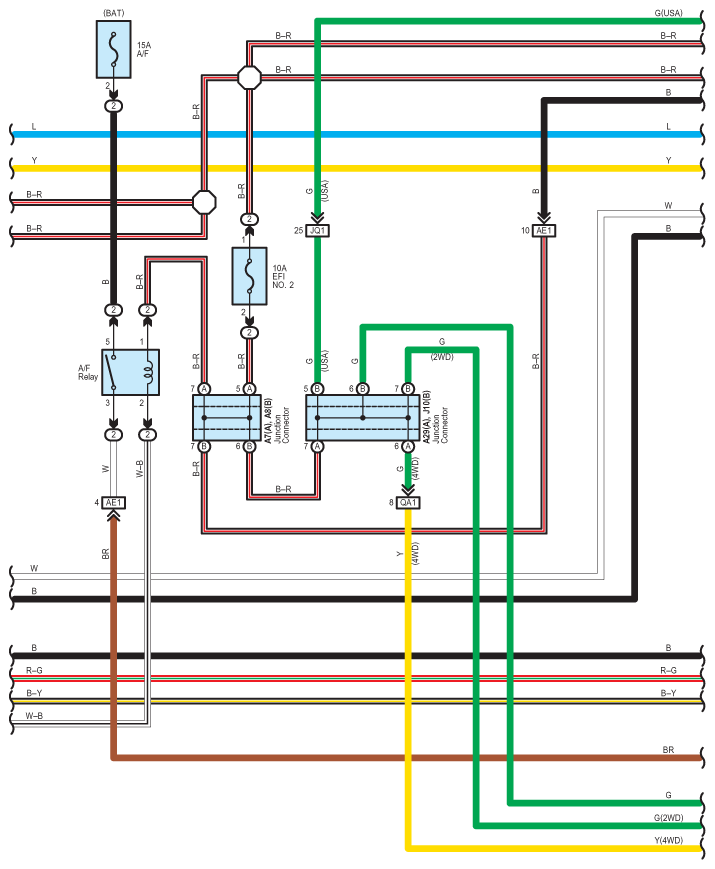
Fig 3: Engine Control (4GR-FSE) - Circuit Diagram (3 Of 17)
G07558977Courtesy of © TOYOTA, LICENSE AGREEMENT TMS1002
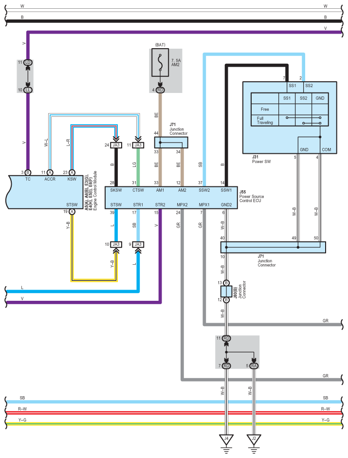
Fig 4: Engine Control (4GR-FSE) - Circuit Diagram (4 Of 17)
G07558978Courtesy of © TOYOTA, LICENSE AGREEMENT TMS1002
Fig 5: Engine Control (4GR-FSE) - Circuit Diagram (5 Of 17)
G07558979Courtesy of © TOYOTA, LICENSE AGREEMENT TMS1002
Fig 6: Engine Control (4GR-FSE) - Circuit Diagram (6 Of 17)
G07558980Courtesy of © TOYOTA, LICENSE AGREEMENT TMS1002
Fig 7: Engine Control (4GR-FSE) - Circuit Diagram (7 Of 17)
G07558981Courtesy of © TOYOTA, LICENSE AGREEMENT TMS1002
Fig 8: Engine Control (4GR-FSE) - Circuit Diagram (8 Of 17)
G07558982Courtesy of © TOYOTA, LICENSE AGREEMENT TMS1002
Fig 9: Engine Control (4GR-FSE) - Circuit Diagram (9 Of 17)
G07558983Courtesy of © TOYOTA, LICENSE AGREEMENT TMS1002
Fig 10: Engine Control (4GR-FSE) - Circuit Diagram (10 Of 17)
G07558984Courtesy of © TOYOTA, LICENSE AGREEMENT TMS1002
Fig 11: Engine Control (4GR-FSE) - Circuit Diagram (11 Of 17)
G07558985Courtesy of © TOYOTA, LICENSE AGREEMENT TMS1002
Fig 12: Engine Control (4GR-FSE) - Circuit Diagram (12 Of 17)
G07558986Courtesy of © TOYOTA, LICENSE AGREEMENT TMS1002
Fig 13: Engine Control (4GR-FSE) - Circuit Diagram (13 Of 17)
G07558987Courtesy of © TOYOTA, LICENSE AGREEMENT TMS1002
Fig 14: Engine Control (4GR-FSE) - Circuit Diagram (14 Of 17)
G07558988Courtesy of © TOYOTA, LICENSE AGREEMENT TMS1002
Fig 15: Engine Control (4GR-FSE) - Circuit Diagram (15 Of 17)
G07558989Courtesy of © TOYOTA, LICENSE AGREEMENT TMS1002
Fig 16: Engine Control (4GR-FSE) - Circuit Diagram (16 Of 17)
G07558990Courtesy of © TOYOTA, LICENSE AGREEMENT TMS1002
Fig 17: Engine Control (4GR-FSE) - Circuit Diagram (17 Of 17)
G07558991Courtesy of © TOYOTA, LICENSE AGREEMENT TMS1002