LEMON Manuals: Even more car manuals for everyone
Home >> Lexus >> 2011 >> IS 250 Base, AWD >> Repair and Diagnosis >> External Pages >> Different car >> Section 107 (OEM System Circuits) >> Electronically Controlled Transmission and A/T Indicator (2GR-FSE) >> Notes

Electronically Controlled Transmission and A/T Indicator (2GR-FSE): Notes

WARNING: This page is about a different car, the 2010 Lexus IS 350 and 2010 Lexus IS 250. However, it is still accessible from the selected car via links, so may be relevant.
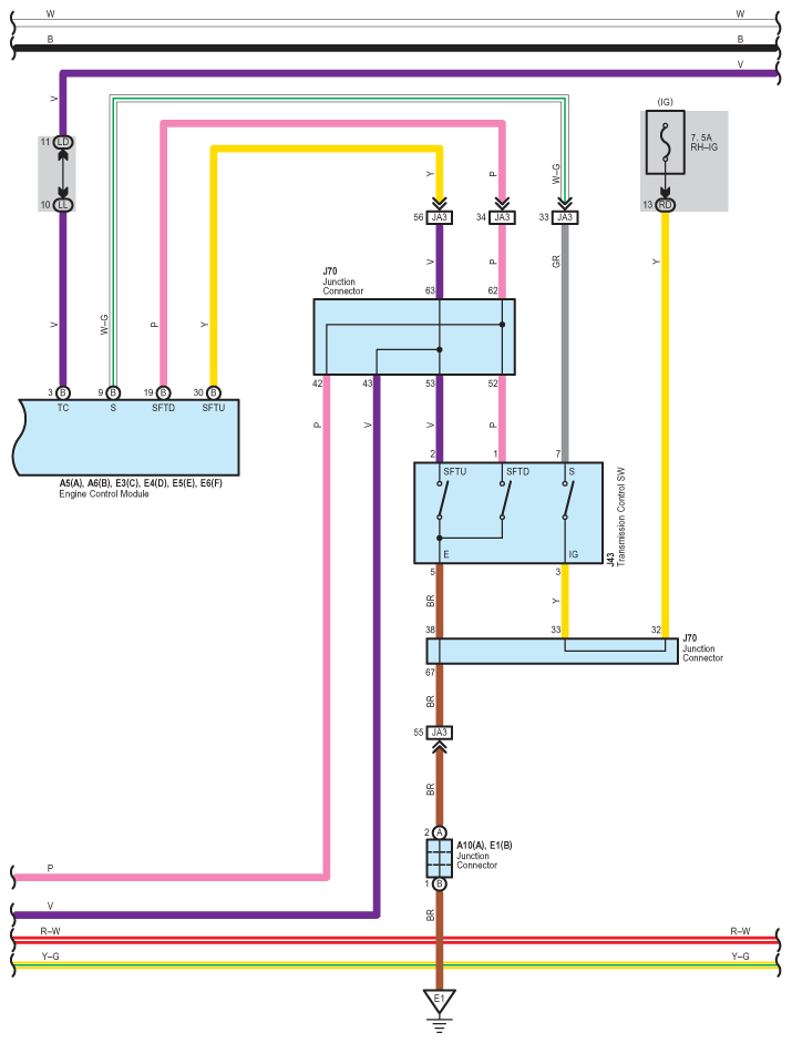
Fig 1: Electronically Controlled Transmission And A/T Indicator (2GR-FSE) - Circuit Diagram (1 Of 10)
G07559102Courtesy of © TOYOTA, LICENSE AGREEMENT TMS1002
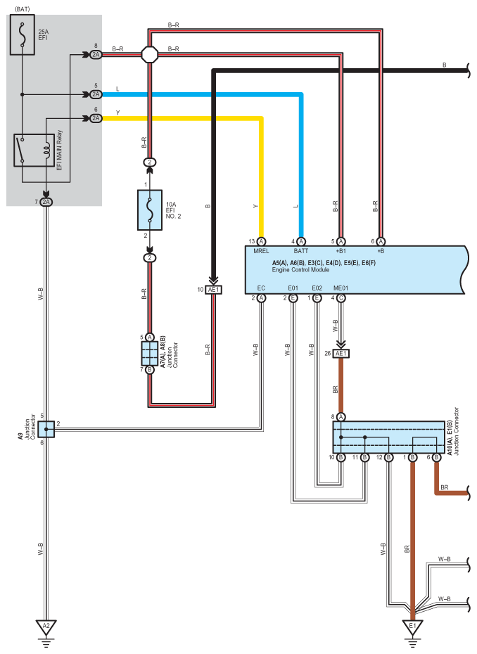
Fig 2: Electronically Controlled Transmission And A/T Indicator (2GR-FSE) - Circuit Diagram (2 Of 10)
G07559103Courtesy of © TOYOTA, LICENSE AGREEMENT TMS1002
Fig 3: Electronically Controlled Transmission And A/T Indicator (2GR-FSE) - Circuit Diagram (3 Of 10)
G07559104Courtesy of © TOYOTA, LICENSE AGREEMENT TMS1002
Fig 4: Electronically Controlled Transmission And A/T Indicator (2GR-FSE) - Circuit Diagram (4 Of 10)
G07559105Courtesy of © TOYOTA, LICENSE AGREEMENT TMS1002
Fig 5: Electronically Controlled Transmission And A/T Indicator (2GR-FSE) - Circuit Diagram (5 Of 10)
G07559106Courtesy of © TOYOTA, LICENSE AGREEMENT TMS1002
Fig 6: Electronically Controlled Transmission And A/T Indicator (2GR-FSE) - Circuit Diagram (6 Of 10)
G07559107Courtesy of © TOYOTA, LICENSE AGREEMENT TMS1002
Fig 7: Electronically Controlled Transmission And A/T Indicator (2GR-FSE) - Circuit Diagram (7 Of 10)
G07559108Courtesy of © TOYOTA, LICENSE AGREEMENT TMS1002
Fig 8: Electronically Controlled Transmission And A/T Indicator (2GR-FSE) - Circuit Diagram (8 Of 10)
G07559109Courtesy of © TOYOTA, LICENSE AGREEMENT TMS1002
Fig 9: Electronically Controlled Transmission And A/T Indicator (2GR-FSE) - Circuit Diagram (9 Of 10)
G07559110Courtesy of © TOYOTA, LICENSE AGREEMENT TMS1002
Fig 10: Electronically Controlled Transmission And A/T Indicator (2GR-FSE) - Circuit Diagram (10 Of 10)
G07559111Courtesy of © TOYOTA, LICENSE AGREEMENT TMS1002