LEMON Manuals: Even more car manuals for everyone
Home >> Lexus >> 2011 >> IS 250 Base, AWD >> Repair and Diagnosis >> External Pages >> Different car >> Section 107 (OEM System Circuits) >> EPS >> Notes

Section 107 (OEM System Circuits): EPS: Notes

WARNING: This page is about a different car, the 2010 Lexus IS 350 and 2010 Lexus IS 250. However, it is still accessible from the selected car via links, so may be relevant.
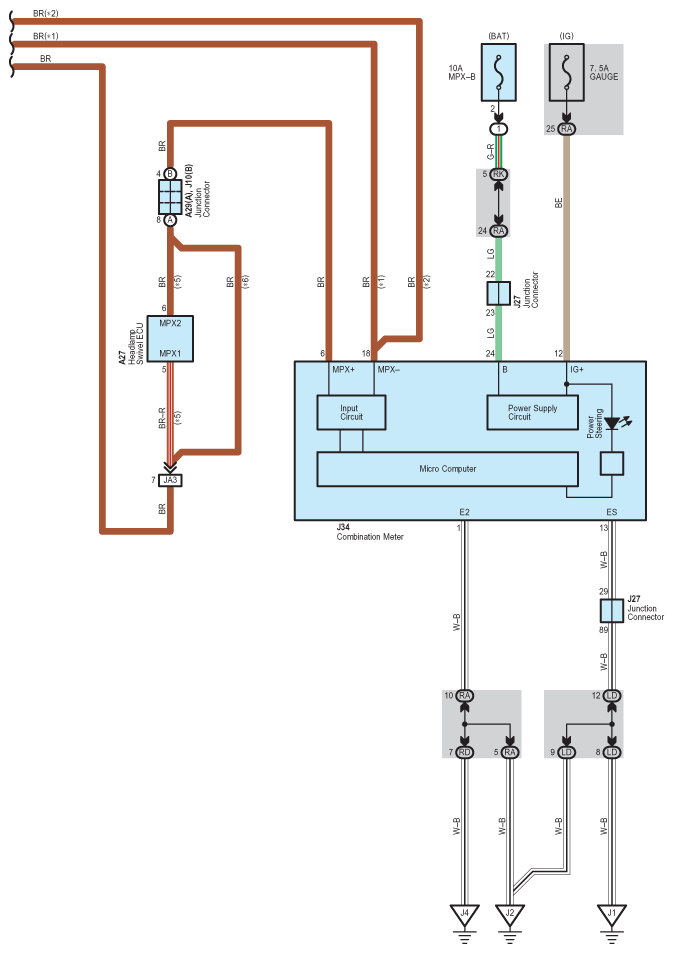
Fig 1: EPS - Circuit Diagram (1 Of 4)
G07559173Courtesy of © TOYOTA, LICENSE AGREEMENT TMS1002
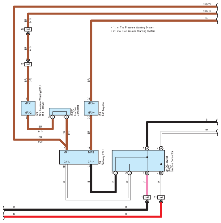
Fig 2: EPS - Circuit Diagram (2 Of 4)
G07559174Courtesy of © TOYOTA, LICENSE AGREEMENT TMS1002
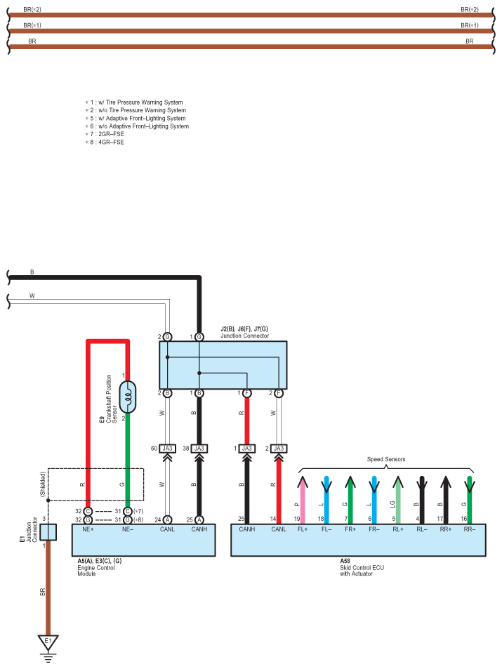
Fig 3: EPS - Circuit Diagram (3 Of 4)
G07559175Courtesy of © TOYOTA, LICENSE AGREEMENT TMS1002
Fig 4: EPS - Circuit Diagram (4 Of 4)
G07559176Courtesy of © TOYOTA, LICENSE AGREEMENT TMS1002