LEMON Manuals: Even more car manuals for everyone
Home >> Lexus >> 2011 >> IS 250 Base, AWD >> Repair and Diagnosis >> External Pages >> Different car >> Section 107 (OEM System Circuits) >> Dynamic Radar Cruise Control (4GR-FSE) >> Notes

Dynamic Radar Cruise Control (4GR-FSE): Notes

WARNING: This page is about a different car, the 2010 Lexus IS 350 and 2010 Lexus IS 250. However, it is still accessible from the selected car via links, so may be relevant.
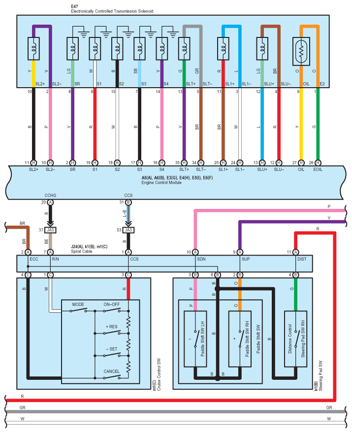
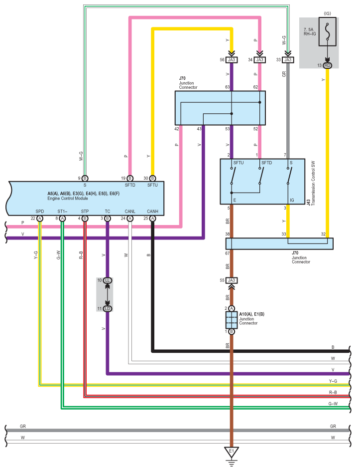
Fig 1: Dynamic Radar Cruise Control (4GR-FSE) - Circuit Diagram (1 Of 13)
G07559134Courtesy of © TOYOTA, LICENSE AGREEMENT TMS1002
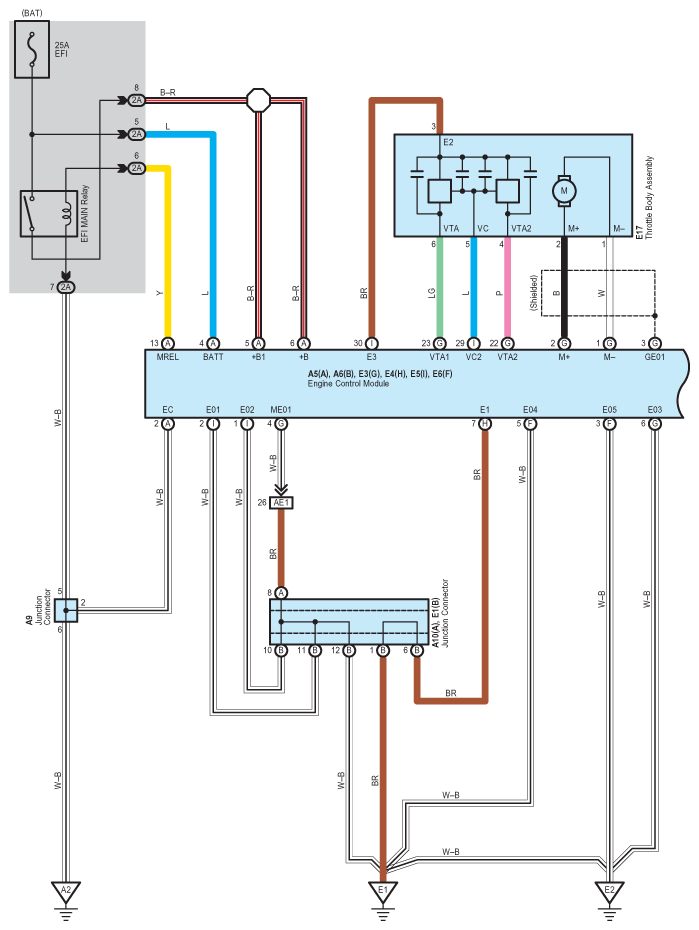
Fig 2: Dynamic Radar Cruise Control (4GR-FSE) - Circuit Diagram (2 Of 13)
G07559135Courtesy of © TOYOTA, LICENSE AGREEMENT TMS1002
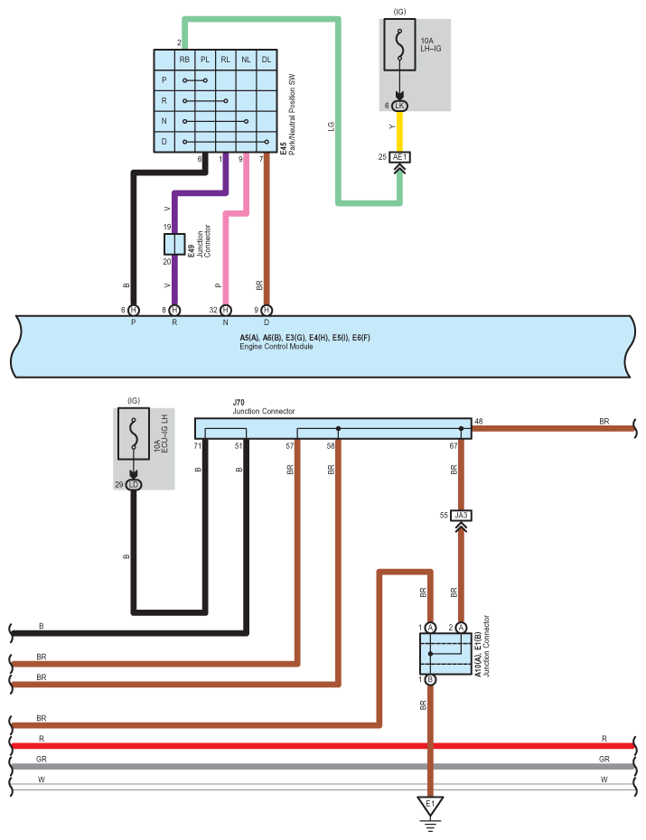
Fig 3: Dynamic Radar Cruise Control (4GR-FSE) - Circuit Diagram (3 Of 13)
G07559136Courtesy of © TOYOTA, LICENSE AGREEMENT TMS1002
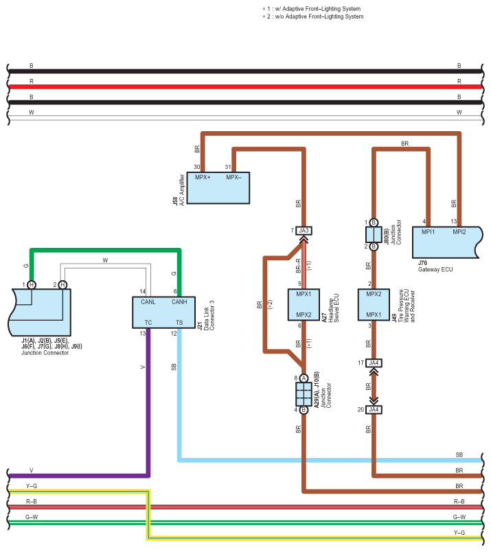
Fig 4: Dynamic Radar Cruise Control (4GR-FSE) - Circuit Diagram (4 Of 13)
G07559137Courtesy of © TOYOTA, LICENSE AGREEMENT TMS1002
Fig 5: Dynamic Radar Cruise Control (4GR-FSE) - Circuit Diagram (5 Of 13)
G07559138Courtesy of © TOYOTA, LICENSE AGREEMENT TMS1002
Fig 6: Dynamic Radar Cruise Control (4GR-FSE) - Circuit Diagram (6 Of 13)
G07559139Courtesy of © TOYOTA, LICENSE AGREEMENT TMS1002
Fig 7: Dynamic Radar Cruise Control (4GR-FSE) - Circuit Diagram (7 Of 13)
G07559140Courtesy of © TOYOTA, LICENSE AGREEMENT TMS1002
Fig 8: Dynamic Radar Cruise Control (4GR-FSE) - Circuit Diagram (8 Of 13)
G07559141Courtesy of © TOYOTA, LICENSE AGREEMENT TMS1002
Fig 9: Dynamic Radar Cruise Control (4GR-FSE) - Circuit Diagram (9 Of 13)
G07559142Courtesy of © TOYOTA, LICENSE AGREEMENT TMS1002
Fig 10: Dynamic Radar Cruise Control (4GR-FSE) - Circuit Diagram (10 Of 13)
G07559143Courtesy of © TOYOTA, LICENSE AGREEMENT TMS1002
Fig 11: Dynamic Radar Cruise Control (4GR-FSE) - Circuit Diagram (11 Of 13)
G07559144Courtesy of © TOYOTA, LICENSE AGREEMENT TMS1002
Fig 12: Dynamic Radar Cruise Control (4GR-FSE) - Circuit Diagram (12 Of 13)
G07559145Courtesy of © TOYOTA, LICENSE AGREEMENT TMS1002
Fig 13: Dynamic Radar Cruise Control (4GR-FSE) - Circuit Diagram (13 Of 13)
G07559146Courtesy of © TOYOTA, LICENSE AGREEMENT TMS1002