LEMON Manuals: Even more car manuals for everyone
Home >> Lexus >> 2011 >> IS 250 Base, AWD >> Repair and Diagnosis >> External Pages >> Different car >> Section 107 (OEM System Circuits) >> Cruise Control (2GR-FSE) >> Notes

Cruise Control (2GR-FSE): Notes

WARNING: This page is about a different car, the 2010 Lexus IS 350 and 2010 Lexus IS 250. However, it is still accessible from the selected car via links, so may be relevant.
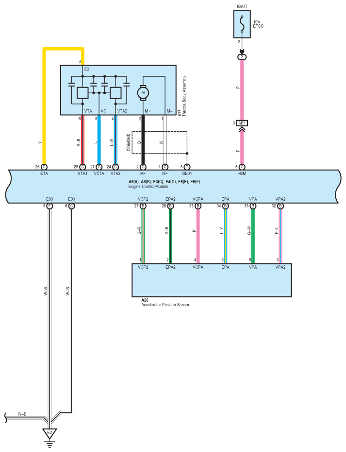
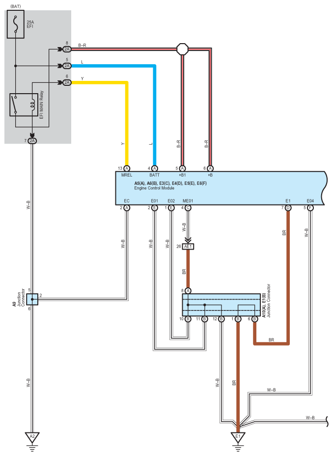
Fig 1: Cruise Control (2GR-FSE) - Circuit Diagram (1 Of 8)
G07559147Courtesy of © TOYOTA, LICENSE AGREEMENT TMS1002
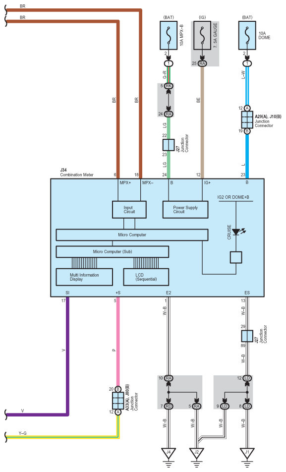
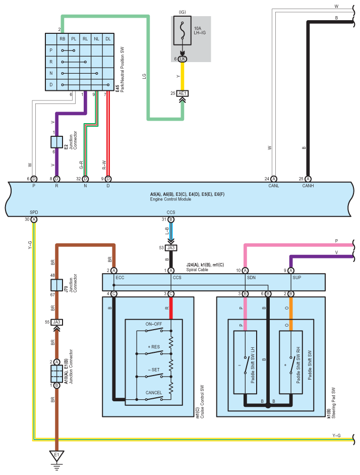
Fig 2: Cruise Control (2GR-FSE) - Circuit Diagram (2 Of 8)
G07559148Courtesy of © TOYOTA, LICENSE AGREEMENT TMS1002
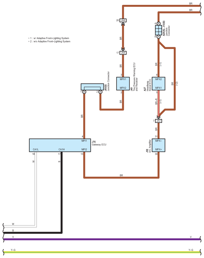
Fig 3: Cruise Control (2GR-FSE) - Circuit Diagram (3 Of 8)
G07559149Courtesy of © TOYOTA, LICENSE AGREEMENT TMS1002
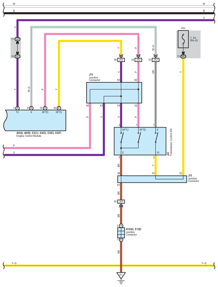
Fig 4: Cruise Control (2GR-FSE) - Circuit Diagram (4 Of 8)
G07559150Courtesy of © TOYOTA, LICENSE AGREEMENT TMS1002
Fig 5: Cruise Control (2GR-FSE) - Circuit Diagram (5 Of 8)
G07559151Courtesy of © TOYOTA, LICENSE AGREEMENT TMS1002
Fig 6: Cruise Control (2GR-FSE) - Circuit Diagram (6 Of 8)
G07559152Courtesy of © TOYOTA, LICENSE AGREEMENT TMS1002
Fig 7: Cruise Control (2GR-FSE) - Circuit Diagram (7 Of 8)
G07559153Courtesy of © TOYOTA, LICENSE AGREEMENT TMS1002
Fig 8: Cruise Control (2GR-FSE) - Circuit Diagram (8 Of 8)
G07559154Courtesy of © TOYOTA, LICENSE AGREEMENT TMS1002