LEMON Manuals: Even more car manuals for everyone
Home >> Lexus >> 2011 >> IS 250 Base, AWD >> Repair and Diagnosis >> Electrical >> Body Electrical >> OEM System Circuits >> Taillight >> Notes

OEM System Circuits: Taillight: Notes

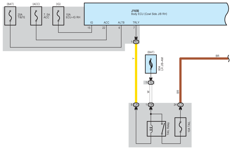
Fig 1: Taillight - Circuit Diagram (1 Of 8)
G07581245Courtesy of © TOYOTA, LICENSE AGREEMENT TMS1002
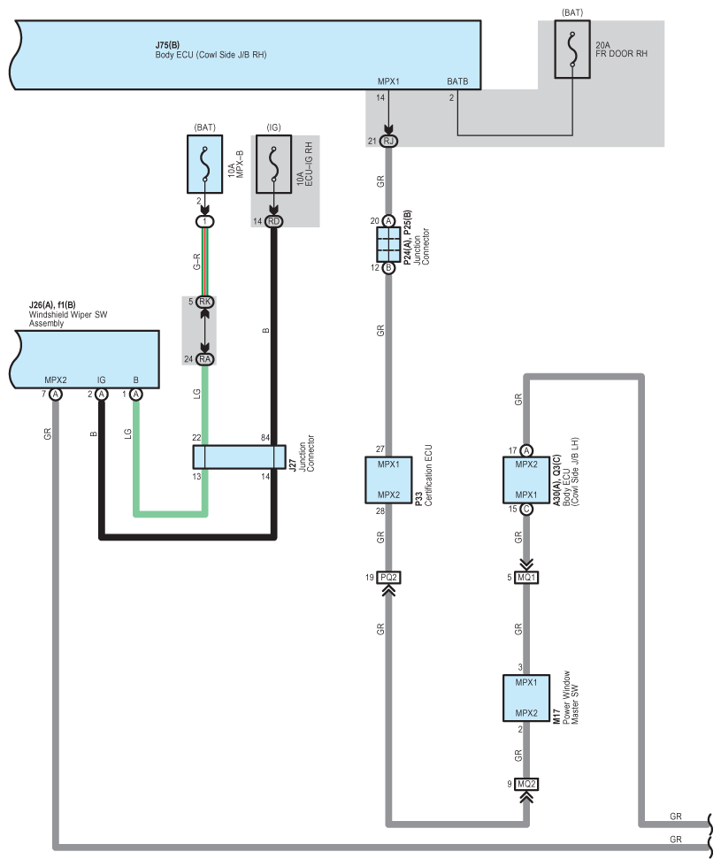
Fig 2: Taillight - Circuit Diagram (2 Of 8)
G07581246Courtesy of © TOYOTA, LICENSE AGREEMENT TMS1002
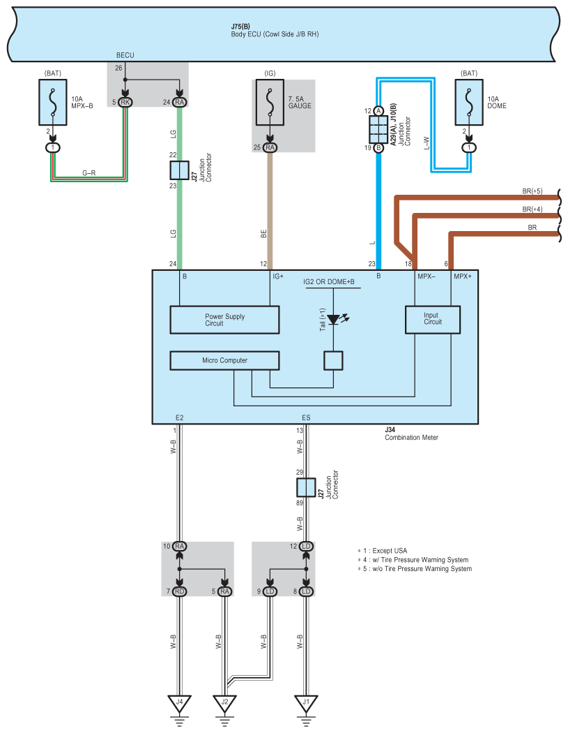
Fig 3: Taillight - Circuit Diagram (3 Of 8)
G07581247Courtesy of © TOYOTA, LICENSE AGREEMENT TMS1002
Fig 4: Taillight - Circuit Diagram (4 Of 8)
G07581248Courtesy of © TOYOTA, LICENSE AGREEMENT TMS1002
Fig 5: Taillight - Circuit Diagram (5 Of 8)
G07581249Courtesy of © TOYOTA, LICENSE AGREEMENT TMS1002
Fig 6: Taillight - Circuit Diagram (6 Of 8)
G07581250Courtesy of © TOYOTA, LICENSE AGREEMENT TMS1002
Fig 7: Taillight - Circuit Diagram (7 Of 8)
G07581251Courtesy of © TOYOTA, LICENSE AGREEMENT TMS1002
Fig 8: Taillight - Circuit Diagram (8 Of 8)
G07581252Courtesy of © TOYOTA, LICENSE AGREEMENT TMS1002