LEMON Manuals: Even more car manuals for everyone
Home >> Lexus >> 2011 >> IS 250 Base, AWD >> Repair and Diagnosis (Single Page) >> Electrical >> Body Electrical >> OEM System Circuits >> Light Auto Turn Off System >> Notes

Light Auto Turn Off System: Notes

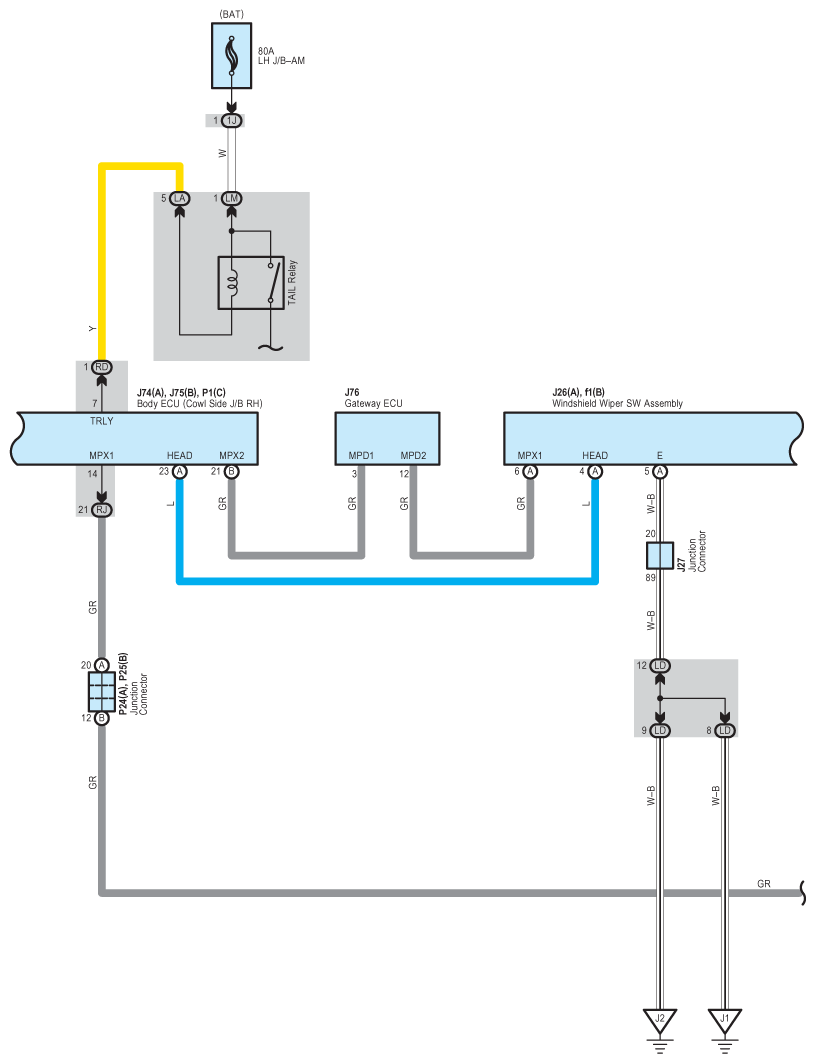
Fig 1: Light Auto Turn Off System - Circuit Diagram (1 Of 5)
G07581265Courtesy of © TOYOTA, LICENSE AGREEMENT TMS1002
Fig 2: Light Auto Turn Off System - Circuit Diagram (2 Of 5)
G07581266Courtesy of © TOYOTA, LICENSE AGREEMENT TMS1002
Fig 3: Light Auto Turn Off System - Circuit Diagram (3 Of 5)
G07581267Courtesy of © TOYOTA, LICENSE AGREEMENT TMS1002
Fig 4: Light Auto Turn Off System - Circuit Diagram (4 Of 5)
G07581268Courtesy of © TOYOTA, LICENSE AGREEMENT TMS1002
Fig 5: Light Auto Turn Off System - Circuit Diagram (5 Of 5)
G07581269Courtesy of © TOYOTA, LICENSE AGREEMENT TMS1002