LEMON Manuals: Even more car manuals for everyone
Home >> Lexus >> 2011 >> IS 250 Base, AWD >> Repair and Diagnosis (Single Page) >> Electrical >> Body Electrical >> OEM System Circuits >> Engine Control (4GR-FSE) >> Notes

Engine Control (4GR-FSE): Notes

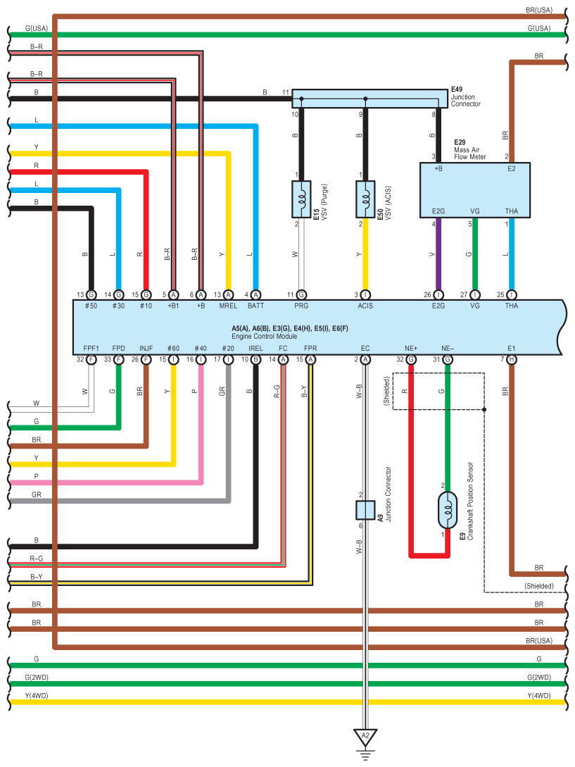
Fig 1: Engine Control (4GR-FSE) - Circuit Diagram (1 Of 17)
G07581187Courtesy of © TOYOTA, LICENSE AGREEMENT TMS1002
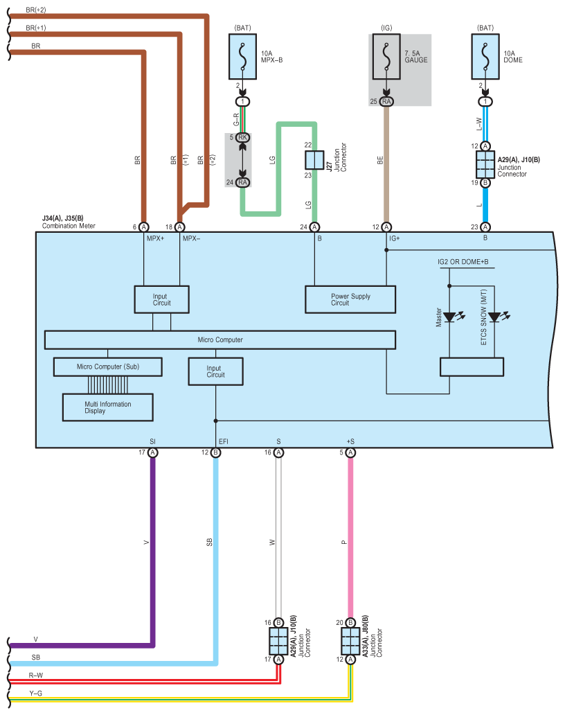
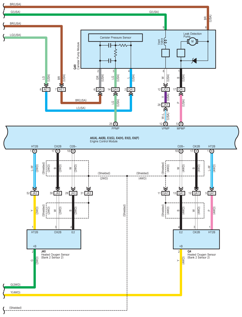
Fig 2: Engine Control (4GR-FSE) - Circuit Diagram (2 Of 17)
G07581188Courtesy of © TOYOTA, LICENSE AGREEMENT TMS1002
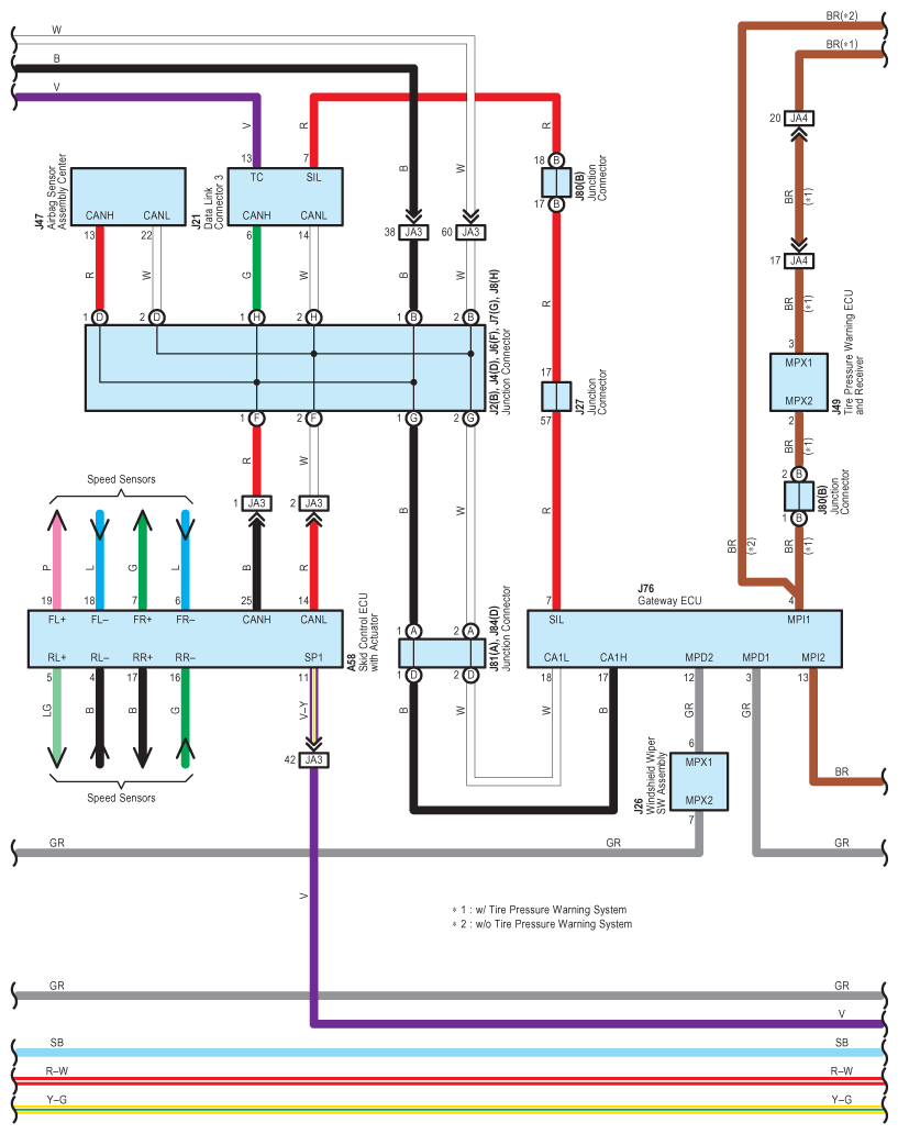
Fig 3: Engine Control (4GR-FSE) - Circuit Diagram (3 Of 17)
G07581189Courtesy of © TOYOTA, LICENSE AGREEMENT TMS1002
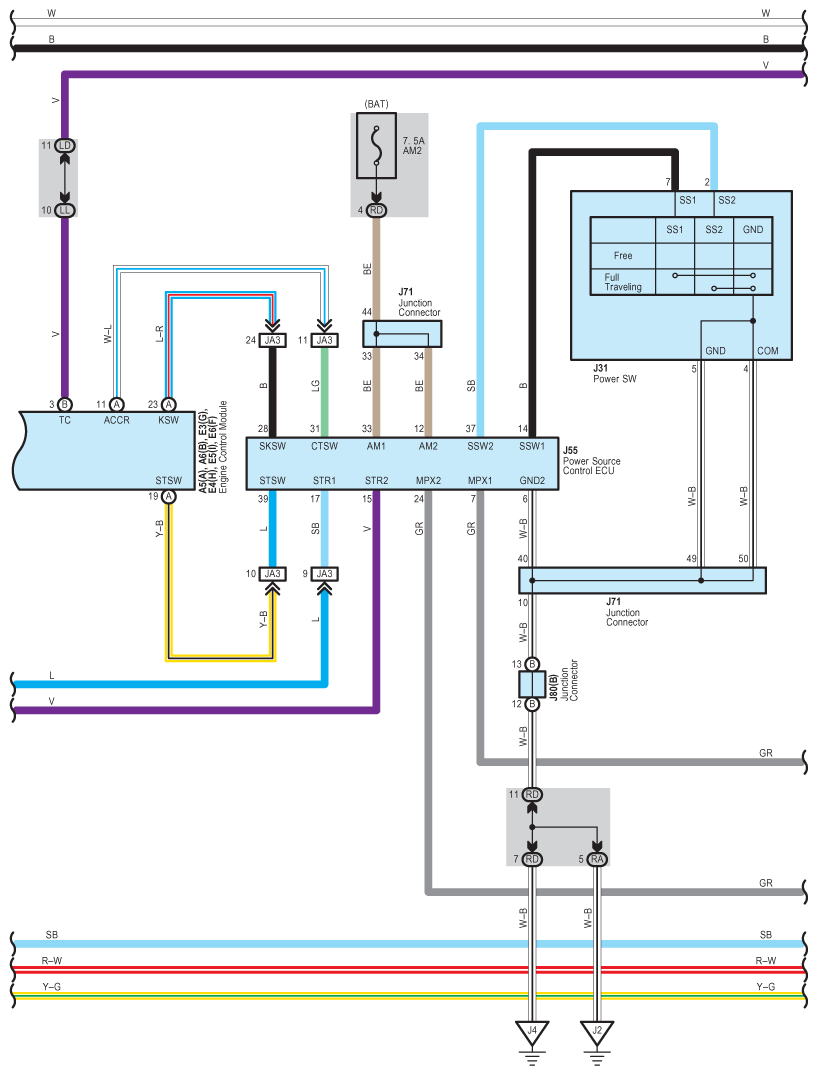
Fig 4: Engine Control (4GR-FSE) - Circuit Diagram (4 Of 17)
G07581190Courtesy of © TOYOTA, LICENSE AGREEMENT TMS1002
Fig 5: Engine Control (4GR-FSE) - Circuit Diagram (5 Of 17)
G07581191Courtesy of © TOYOTA, LICENSE AGREEMENT TMS1002
Fig 6: Engine Control (4GR-FSE) - Circuit Diagram (6 Of 17)
G07581192Courtesy of © TOYOTA, LICENSE AGREEMENT TMS1002
Fig 7: Engine Control (4GR-FSE) - Circuit Diagram (7 Of 17)
G07581193Courtesy of © TOYOTA, LICENSE AGREEMENT TMS1002
Fig 8: Engine Control (4GR-FSE) - Circuit Diagram (8 Of 17)
G07581194Courtesy of © TOYOTA, LICENSE AGREEMENT TMS1002
Fig 9: Engine Control (4GR-FSE) - Circuit Diagram (9 Of 17)
G07581195Courtesy of © TOYOTA, LICENSE AGREEMENT TMS1002
Fig 10: Engine Control (4GR-FSE) - Circuit Diagram (10 Of 17)
G07581196Courtesy of © TOYOTA, LICENSE AGREEMENT TMS1002
Fig 11: Engine Control (4GR-FSE) - Circuit Diagram (11 Of 17)
G07581197Courtesy of © TOYOTA, LICENSE AGREEMENT TMS1002
Fig 12: Engine Control (4GR-FSE) - Circuit Diagram (12 Of 17)
G07581198Courtesy of © TOYOTA, LICENSE AGREEMENT TMS1002
Fig 13: Engine Control (4GR-FSE) - Circuit Diagram (13 Of 17)
G07581199Courtesy of © TOYOTA, LICENSE AGREEMENT TMS1002
Fig 14: Engine Control (4GR-FSE) - Circuit Diagram (14 Of 17)
G07581200Courtesy of © TOYOTA, LICENSE AGREEMENT TMS1002
Fig 15: Engine Control (4GR-FSE) - Circuit Diagram (15 Of 17)
G07581201Courtesy of © TOYOTA, LICENSE AGREEMENT TMS1002
Fig 16: Engine Control (4GR-FSE) - Circuit Diagram (16 Of 17)
G07581202Courtesy of © TOYOTA, LICENSE AGREEMENT TMS1002
Fig 17: Engine Control (4GR-FSE) - Circuit Diagram (17 Of 17)
G07581203Courtesy of © TOYOTA, LICENSE AGREEMENT TMS1002