LEMON Manuals: Even more car manuals for everyone
Home >> Lexus >> 2011 >> HS 250h >> Repair and Diagnosis >> Engine Performance >> Remove, Overhaul & Install >> Engine Control System (Service Information) >> Integration Relay >> Inspection >> Inspection

Integration Relay: Inspection: Inspection

  1. INSPECT NO. 1 INTEGRATION RELAY 
    Fig 1: Identifying Integration Relay Diagram
    GTY270626Courtesy of © TOYOTA, LICENSE AGREEMENT TMS1002
    TEXT IN ILLUSTRATION

    *1 Integration Relay
    1. IG2 RELAY:
      1. Measure the resistance according to the value(s) in the table below.
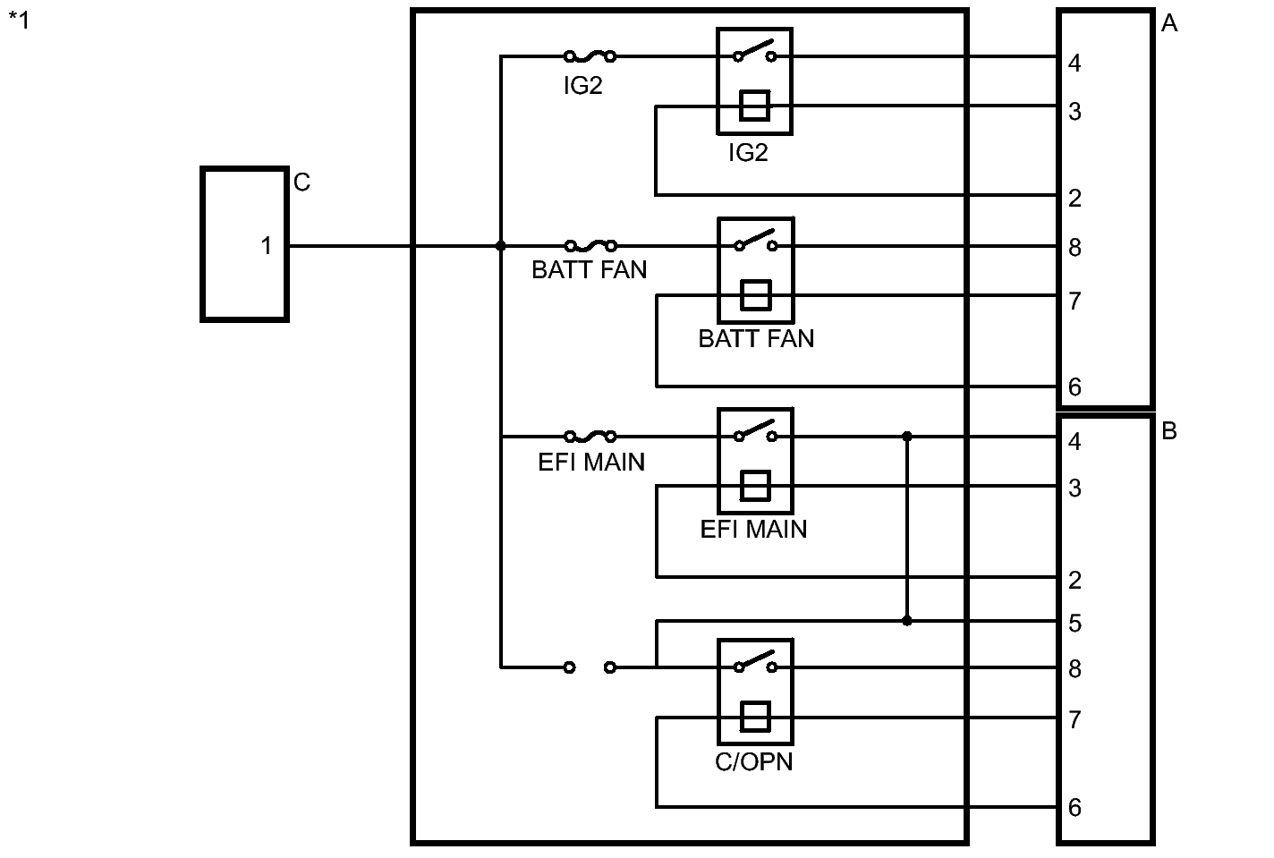
        Fig 2: Identifying Integration Relay Terminals
        GTY286697Courtesy of © TOYOTA, LICENSE AGREEMENT TMS1002
        TEXT IN ILLUSTRATION

        *1 Integration Relay

        Standard Resistance

        Tester Connection Condition Specified Condition
        Integration relay (C-1) - Integration relay (A-4) Battery voltage is not applied between terminals A-2 and A-3 10 kΩ or higher
        Integration relay (C-1) - Integration relay (A-4) Battery voltage is applied between terminals A-2 and A-3 Below 1 Ω

        If the resistance is not as specified, replace the integration relay.

    2. EFI MAIN RELAY:
      1. Measure the resistance according to the value(s) in the table below.
        Fig 3: Identifying Integration Relay Terminals
        GTY286697Courtesy of © TOYOTA, LICENSE AGREEMENT TMS1002
        TEXT IN ILLUSTRATION

        *1 Integration Relay

        Standard Resistance

        Tester Connection Condition Specified Condition
        Integration relay (C-1) - Integration relay (B-4) Battery voltage is not applied between terminals B-2 and B-3 10 kΩ or higher
        Integration relay (C-1) - Integration relay (B-4) Battery voltage is applied between terminals B-2 and B-3 Below 1 Ω

        If the resistance is not as specified, replace the integration relay.

    3. C/OPN RELAY:
      1. Measure the resistance according to the value(s) in the table below.
        Fig 4: Identifying Integration Relay Terminals
        GTY286697Courtesy of © TOYOTA, LICENSE AGREEMENT TMS1002
        TEXT IN ILLUSTRATION

        *1 Integration Relay

        Standard Resistance

        Tester Connection Condition Specified Condition
        Integration relay (B-5) - Integration relay (B-8) Battery voltage is not applied between terminals B-6 and B-7 10 kΩ or higher
        Integration relay (B-5) - Integration relay (B-8) Battery voltage is applied between terminals B-6 and B-7 Below 1 Ω

        If the resistance is not as specified, replace the integration relay.

    4. BATT FAN RELAY:
      1. Measure the resistance according to the value(s) in the table below.
        Fig 5: Identifying Integration Relay Terminals
        GTY286697Courtesy of © TOYOTA, LICENSE AGREEMENT TMS1002
        TEXT IN ILLUSTRATION

        *1 Integration Relay

        Standard Resistance

        Tester Connection Condition Specified Condition
        Integration relay (C-1) - Integration relay (A-8) Battery voltage is not applied between terminals A-6 and A-7 10 kΩ or higher
        Integration relay (C-1) - Integration relay (A-8) Battery voltage is applied between terminals A-6 and A-7 Below 1 Ω

        If the resistance is not as specified, replace the integration relay.