LEMON Manuals: Even more car manuals for everyone
Home >> Lexus >> 2011 >> ES 350 >> Repair and Diagnosis (Single Page) >> Electrical >> Body Electrical >> OEM System Circuits >> Charging >> Notes

OEM System Circuits: Charging: Notes

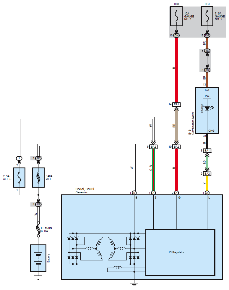
Fig 1: Charging - Circuit Diagram
G07569555Courtesy of © TOYOTA, LICENSE AGREEMENT TMS1002