LEMON Manuals: Even more car manuals for everyone
Home >> Lexus >> 2011 >> ES 350 >> Repair and Diagnosis (Single Page) >> Electrical >> Body Electrical >> OEM System Circuits >> Audio System (w/ LEXUS Navigation System), LEXUS Navigation System and Parking Assist (Rear View Monitor) >> Notes

Audio System (w/ LEXUS Navigation System), LEXUS Navigation System and Parking Assist (Rear View Monitor): Notes

Fig 1: Audio System (W/ Lexus Navigation System), Lexus Navigation System And Parking Assist (Rear View Monitor) - Circuit Diagram (1 Of 10)
G07569739Courtesy of © TOYOTA, LICENSE AGREEMENT TMS1002
Fig 2: Audio System (W/ Lexus Navigation System), Lexus Navigation System And Parking Assist (Rear View Monitor) - Circuit Diagram (2 Of 10)
G07569740Courtesy of © TOYOTA, LICENSE AGREEMENT TMS1002
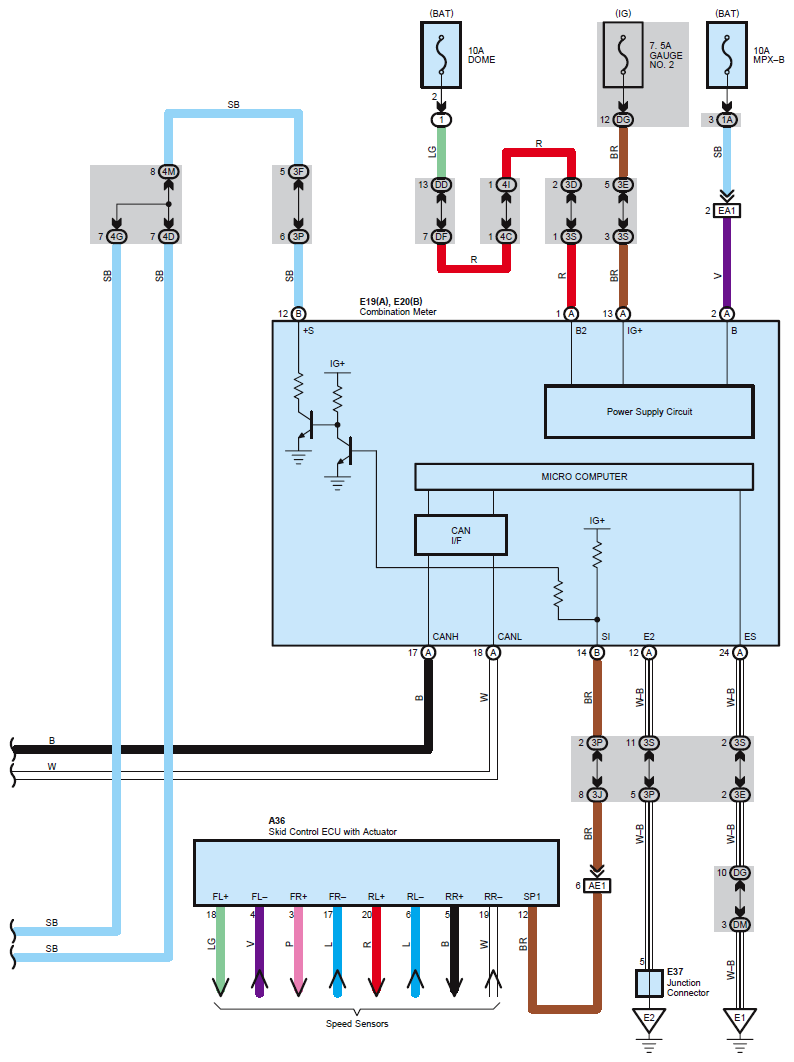
Fig 3: Audio System (W/ Lexus Navigation System), Lexus Navigation System And Parking Assist (Rear View Monitor) - Circuit Diagram (3 Of 10)
G07569741Courtesy of © TOYOTA, LICENSE AGREEMENT TMS1002
Fig 4: Audio System (W/ Lexus Navigation System), Lexus Navigation System And Parking Assist (Rear View Monitor) - Circuit Diagram (4 Of 10)
G07569742Courtesy of © TOYOTA, LICENSE AGREEMENT TMS1002
Fig 5: Audio System (W/ Lexus Navigation System), Lexus Navigation System And Parking Assist (Rear View Monitor) - Circuit Diagram (5 Of 10)
G07569743Courtesy of © TOYOTA, LICENSE AGREEMENT TMS1002
Fig 6: Audio System (W/ Lexus Navigation System), Lexus Navigation System And Parking Assist (Rear View Monitor) - Circuit Diagram (6 Of 10)
G07569744Courtesy of © TOYOTA, LICENSE AGREEMENT TMS1002
Fig 7: Audio System (W/ Lexus Navigation System), Lexus Navigation System And Parking Assist (Rear View Monitor) - Circuit Diagram (7 Of 10)
G07569745Courtesy of © TOYOTA, LICENSE AGREEMENT TMS1002
Fig 8: Audio System (W/ Lexus Navigation System), Lexus Navigation System And Parking Assist (Rear View Monitor) - Circuit Diagram (8 Of 10)
G07569746Courtesy of © TOYOTA, LICENSE AGREEMENT TMS1002
Fig 9: Audio System (W/ Lexus Navigation System), Lexus Navigation System And Parking Assist (Rear View Monitor) - Circuit Diagram (9 Of 10)
G07569747Courtesy of © TOYOTA, LICENSE AGREEMENT TMS1002
Fig 10: Audio System (W/ Lexus Navigation System), Lexus Navigation System And Parking Assist (Rear View Monitor) - Circuit Diagram (10 Of 10)
G07569748Courtesy of © TOYOTA, LICENSE AGREEMENT TMS1002