LEMON Manuals: Even more car manuals for everyone
Home >> Lexus >> 2011 >> ES 350 >> Repair and Diagnosis (Single Page) >> Body & Frame >> Windows >> Power Window Control System (Diagnostic Codes & Circuit Tests) >> Power Window Control System >> Circuit Tests >> ECU Power Source Circuit >> Wiring Diagram

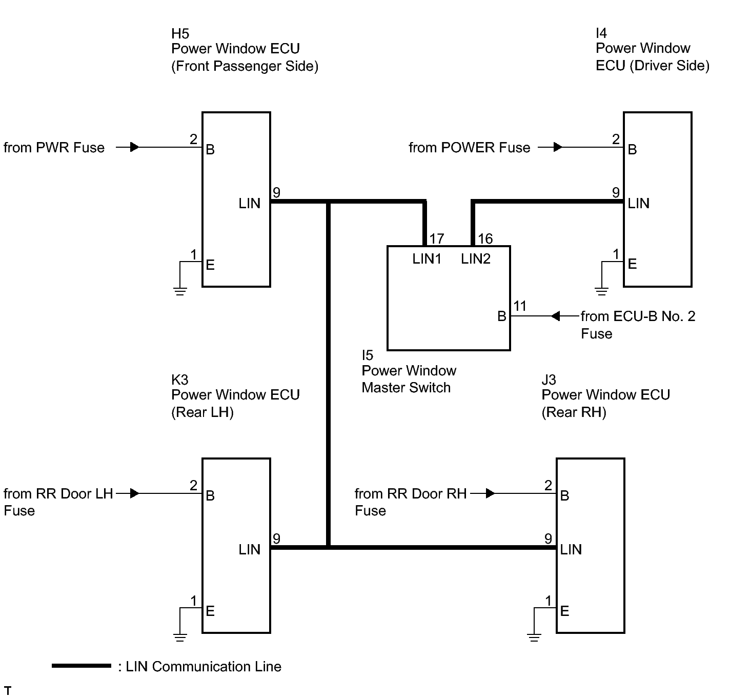
ECU Power Source Circuit: Wiring Diagram

Fig 1: ECU Power Source Circuit - Wiring Diagram
GTY116124Courtesy of © TOYOTA, LICENSE AGREEMENT TMS1002