LEMON Manuals: Even more car manuals for everyone
Home >> Lexus >> 2010 >> SC 430 >> Repair and Diagnosis >> Electrical >> Body Electrical >> OEM System Circuits >> Tire Pressure Warning System >> Notes

Tire Pressure Warning System: Notes

Fig 1: Tire Pressure Warning System - Circuit Diagram (1 Of 2)
G07605996Courtesy of © TOYOTA, LICENSE AGREEMENT TMS1002
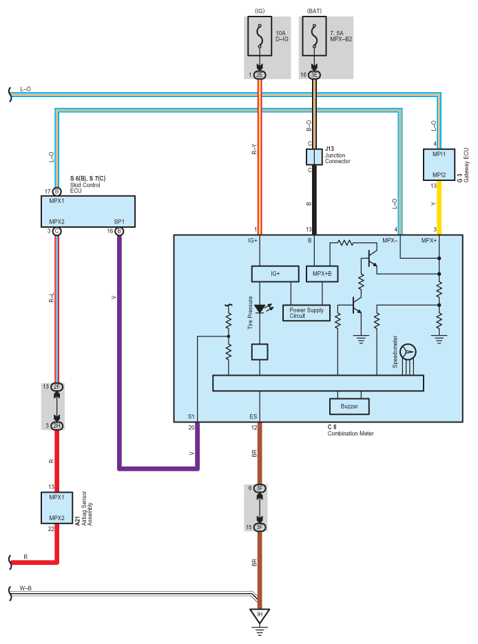
Fig 2: Tire Pressure Warning System - Circuit Diagram (2 Of 2)
G07605997Courtesy of © TOYOTA, LICENSE AGREEMENT TMS1002