LEMON Manuals: Even more car manuals for everyone
Home >> Lexus >> 2010 >> SC 430 >> Repair and Diagnosis >> Electrical >> Body Electrical >> OEM System Circuits >> Retractable Hardtop >> Notes

Retractable Hardtop: Notes

Fig 1: Retractable Hardtop - Circuit Diagram (1 Of 7)
G07605951Courtesy of © TOYOTA, LICENSE AGREEMENT TMS1002
Fig 2: Retractable Hardtop - Circuit Diagram (2 Of 7)
G07605952Courtesy of © TOYOTA, LICENSE AGREEMENT TMS1002
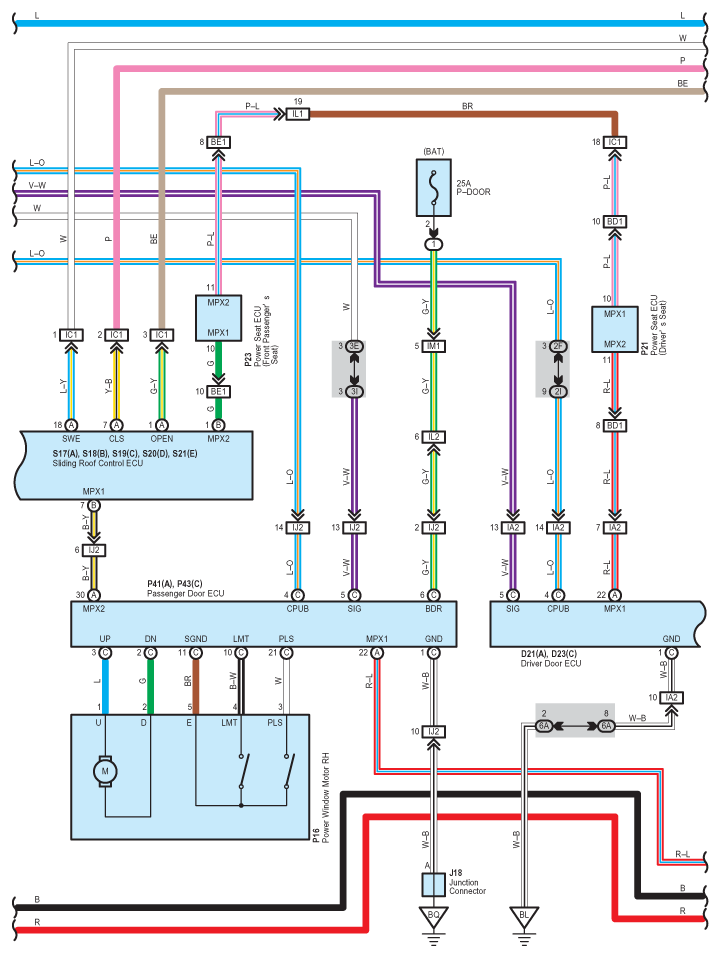
Fig 3: Retractable Hardtop - Circuit Diagram (3 Of 7)
G07605953Courtesy of © TOYOTA, LICENSE AGREEMENT TMS1002
Fig 4: Retractable Hardtop - Circuit Diagram (4 Of 7)
G07605954Courtesy of © TOYOTA, LICENSE AGREEMENT TMS1002
Fig 5: Retractable Hardtop - Circuit Diagram (5 Of 7)
G07605955Courtesy of © TOYOTA, LICENSE AGREEMENT TMS1002
Fig 6: Retractable Hardtop - Circuit Diagram (6 Of 7)
G07605956Courtesy of © TOYOTA, LICENSE AGREEMENT TMS1002
Fig 7: Retractable Hardtop - Circuit Diagram (7 Of 7)
G07605957Courtesy of © TOYOTA, LICENSE AGREEMENT TMS1002