LEMON Manuals: Even more car manuals for everyone
Home >> Lexus >> 2010 >> SC 430 >> Repair and Diagnosis >> Electrical >> Body Electrical >> OEM System Circuits >> Radiator Fan >> Notes

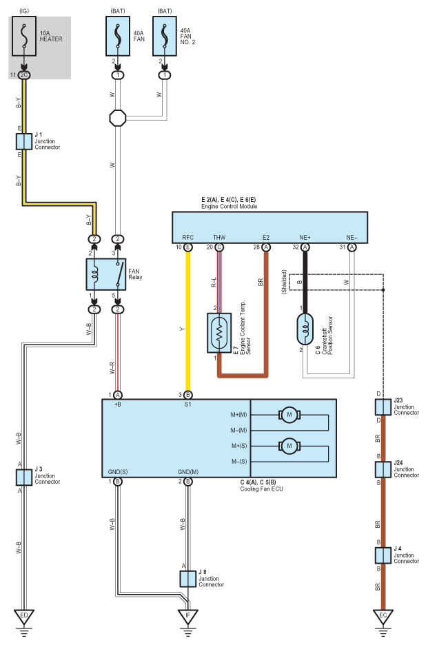
Radiator Fan: Notes

Fig 1: Radiator Fan - Circuit Diagram
G07606046Courtesy of © TOYOTA, LICENSE AGREEMENT TMS1002