LEMON Manuals: Even more car manuals for everyone
Home >> Lexus >> 2010 >> RX 350 AWD >> Repair and Diagnosis >> External Pages >> Different car >> Section 249 (Smart Access System With Push-Button Start (For Start Function) (Diagnostic Codes & Symptom Tests)) >> SMART ACCESS SYSTEM WITH PUSH-BUTTON START (for Start Function) >> Symptom Tests >> Engine does not Start >> Wiring Diagram

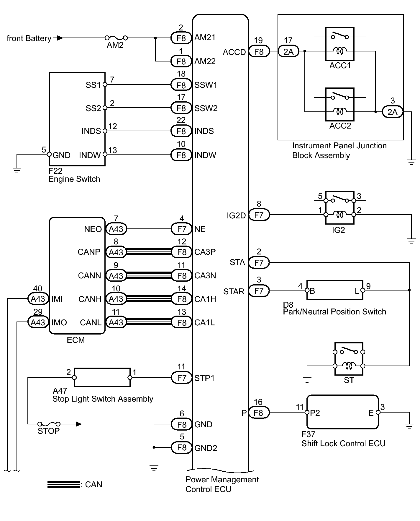
Engine does not Start: Wiring Diagram

WARNING: This page is about a different car, the 2011 Lexus RX 350. However, it is still accessible from the selected car via links, so may be relevant.
Fig 1: Identifying Engine Start System Wiring Diagram (1 Of 2)
GTY358159Courtesy of © TOYOTA, LICENSE AGREEMENT TMS1002
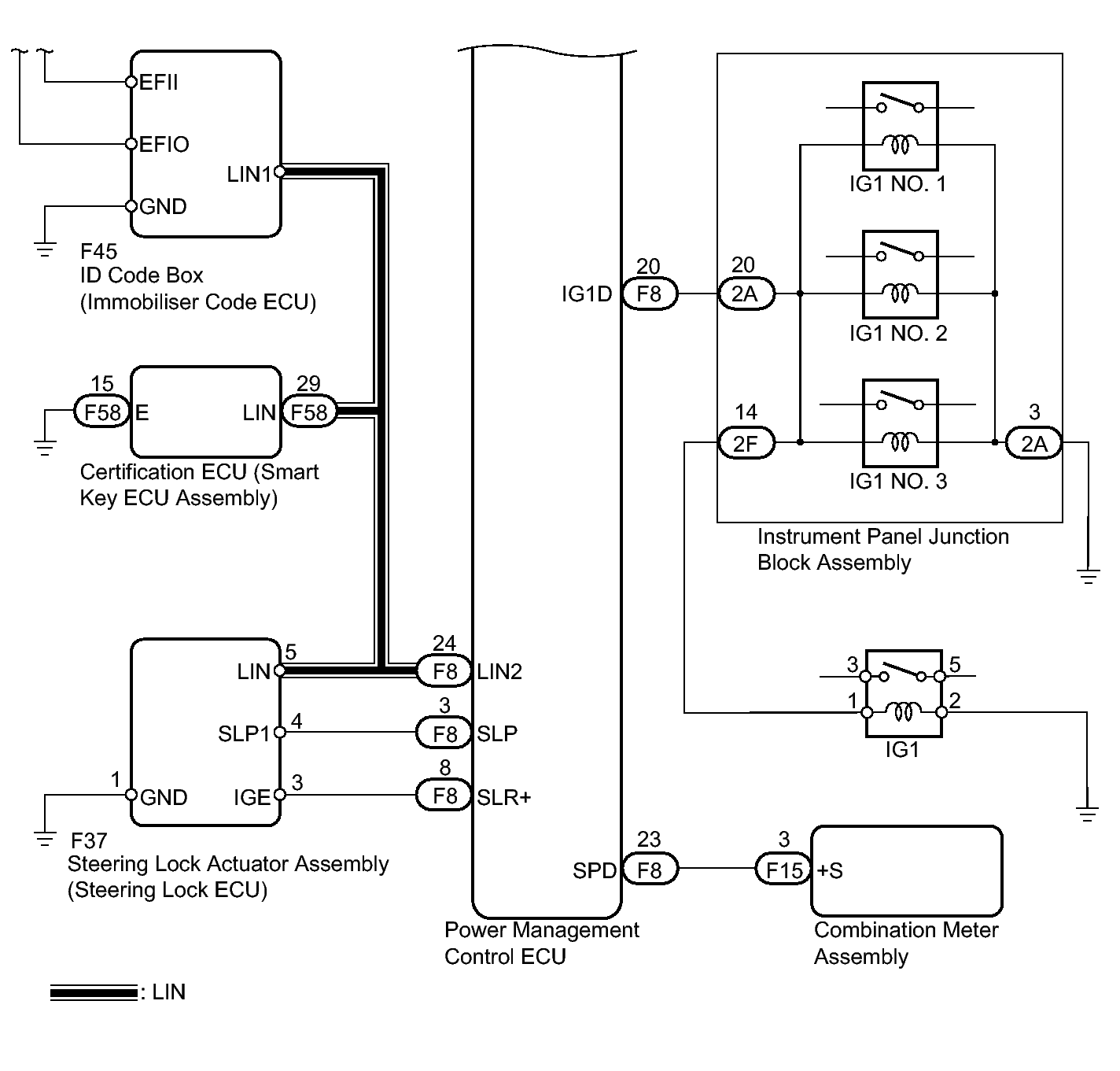
Fig 2: Identifying Engine Start System Wiring Diagram (2 Of 2)
GTY348576Courtesy of © TOYOTA, LICENSE AGREEMENT TMS1002