LEMON Manuals: Even more car manuals for everyone
Home >> Lexus >> 2010 >> IS F >> Repair and Diagnosis (Single Page) >> Steering >> Steering Column >> Steering Lock (Diagnostic Codes & Circuit Tests) >> Steering Lock System >> Power Source Circuit >> Wiring Diagram

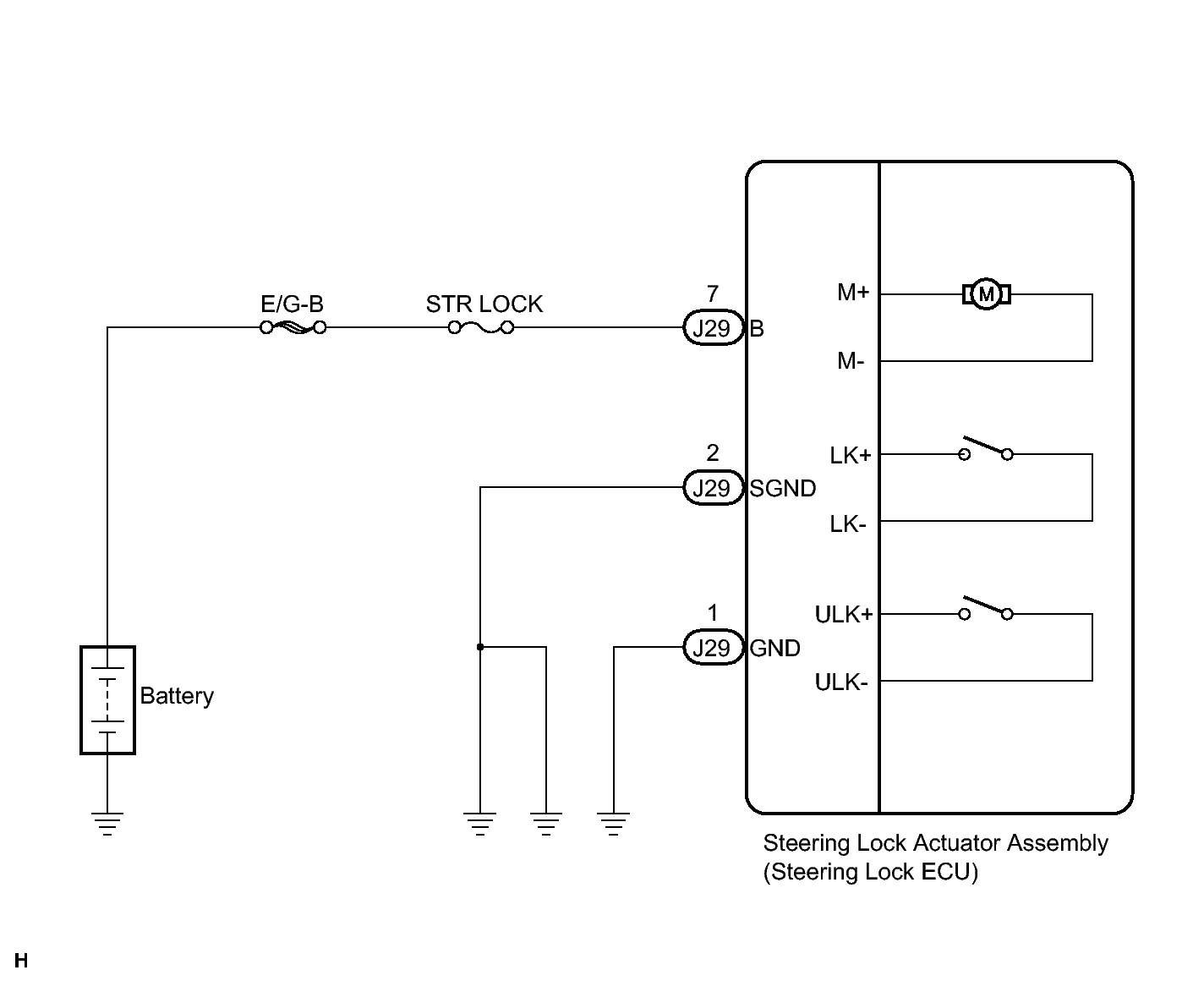
Power Source Circuit: Wiring Diagram

Fig 1: Steering Lock ECU - Wiring Diagram
GTY113524Courtesy of © TOYOTA, LICENSE AGREEMENT TMS1002